Operation CHARM: Car repair manuals for everyone.
Manuals through 2025 now available!

Our trusted friends have launched a new website named LEMON, which has newer manuals. It also contains all the CHARM manuals.

LEMON is the spiritual successor to CHARM, I recommend you try it!

Link: lemon-manuals.la or lemon-manuals.org.ua

(Some people have issue connecting. LEMON is investigating. For now, use Firefox or change your DNS server)

Or, hide this message: temporarily or permanently

Intake Manifold: Service and Repair






Removal





1. Disconnect the Intake Air Temperature (IAT) sensor connector (A).
2. Remove the vacuum hose (B) and breather pipe (C), then remove the intake air duct (D).





3. Remove the intake manifold cover.





4. Remove the throttle cable (A) and cruise control cable (B) by loosening the locknuts (C), then slipping the cable ends out of the accelerator linkage. Take care not to bend the cables when removing them. Always replace any kinked cable with a new one.





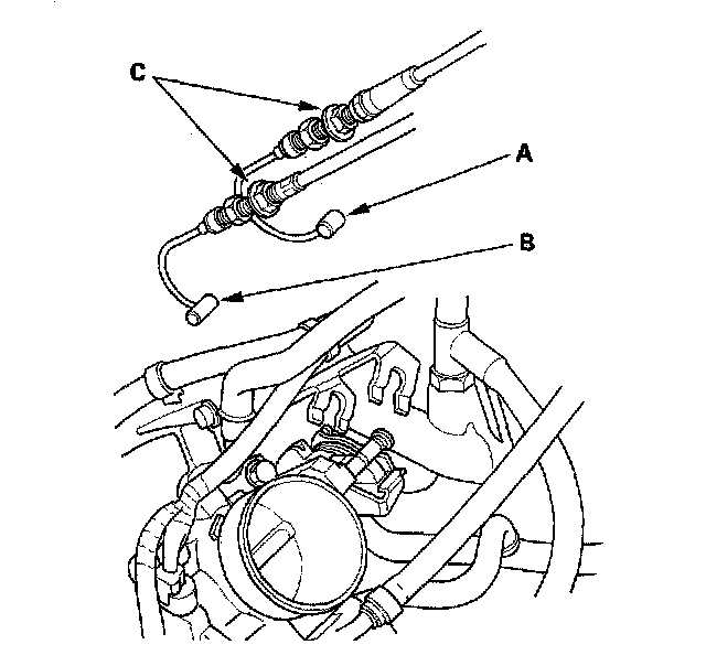
5. Remove the Evaporative Emission (EVAP) canister hose (A) and brake booster vacuum hose (B).
6. Remove the engine wire harness connectors and wire harness clamps from the intake manifold.
- Idle Air Control (IAC) valve connector
- Throttle position sensor connector
- Manifold Absolute Pressure (MAP) sensor connector





7. Remove the bolt (A) securing the harness holder, and remove the two bolts (B) securing the throttle cable bracket.





8. Remove and plug the water bypass hoses.





9. Remove the harness clamp (A), and the harness connector (B) from the intake manifold bracket, then remove the intake manifold bracket (C).

Intake Manifold Bolts:





10. Remove the intake manifold.

Installation

Intake Manifold:





1. Install the intake manifold (A) with a new gasket (B), and tighten the bolts/nuts in a crisscross pattern in two or three steps, beginning with the inner bolt.





2. Install the intake manifold bracket (A), then install the harness clamp (B), and harness connector (C) to the intake manifold bracket.





3. Install the water bypass hoses.





4. Tighten the bolt (A) securing the harness holder, and tighten the two bolts (B) securing the throttle cable bracket.





5. Install the Evaporative Emission (EVAP) canister hose (A) and brake booster vacuum hose (B).
6. Install the throttle cable, then adjust the cable.
7. Install the cruise control cable, then adjust the cable.





8. Install the intake manifold cover.





9. Install the intake air duct (A), then connect the Intake Air Temperature (IAT) sensor connector (B), and install the vacuum hose (C) and breather pipe (D).
10. Clean up any spilled engine coolant.
11. After installation, check that all tubes, hoses and connectors are installed correctly.
12. Refill the radiator with engine coolant, and bleed air from the cooling system with the heater valve open.