Operation CHARM: Car repair manuals for everyone.
Manuals through 2025 now available!

Our trusted friends have launched a new website named LEMON, which has newer manuals. It also contains all the CHARM manuals.

LEMON is the spiritual successor to CHARM, I recommend you try it!

Link: lemon-manuals.la or lemon-manuals.org.ua

(Some people have issue connecting. LEMON is investigating. For now, use Firefox or change your DNS server)

Or, hide this message: temporarily or permanently

Compressor HVAC: Service and Repair

A/C Compressor Replacement

1. If the A/C compressor is marginally operable, run the engine at idle speed, and let the air conditioning work for a few minutes, then shut the engine off.
2. Make sure you have the anti-theft code for the radio, then write down the frequencies for the radio's preset buttons.
3. Disconnect the negative cable from the battery.
4. Recover the refrigerant with a recovery/recycling/charging station.
5. Remove the radiator reservoir tank.
6. Remove the power steering pump.
7. Remove the alternator.
8. Remove the bulkhead cover and bulkhead.




9. Remove the A/C compressor clutch connector (A) from the A/C condenser fan shroud (B), then open the wire harness clip. Disconnect the A/C condenser fan connector (D). Remove the upper mounting bolts and the A/C condenser fan shroud. Be careful not to damage the radiator fins when removing the A/C condenser fan shroud.




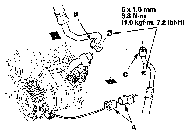
10. Disconnect the A/C compressor clutch connector (A), remove the nuts, then disconnect the suction line (B) and the discharge line (C) from the A/C compressor. Plug or cap the lines immediately after disconnecting them to avoid moisture and dust contamination.




11. Remove the mounting bolts and the A/C compressor. Be careful not to damage the radiator fins when removing the A/C compressor.
12. Install the A/C compressor in the reverse order of removal, and note these items:
- If you're installing a new A/C compressor, you must calculate the amount of refrigerant oil to be removed from it.
- Replace the O-rings with new ones at each fitting, and apply a thin coat of refrigerant oil before installing them. Be sure to use the correct O-rings for HFC-134a (R-134a) to avoid leakage.
- Use refrigerant oil (DENSO ND-OIL 8) for HFC-134a DENSO piston type A/C compressor only.
- To avoid contamination, do not return the oil to the container once dispensed, and never mix it with other refrigerant oils.
- Immediately after using the oil, reinstall the cap on the container, and seal it to avoid moisture absorption.
- Do not spill the refrigerant oil on the vehicle; it may damage the paint; if the refrigerant oil contacts the paint, wash it off immediately.
- Be careful not to damage the radiator fins when installing the A/C compressor and the A/C condenser fan shroud.
- Charge the system.
- Do the ECM/PCM idle learn procedure.
- Perform the power window control unit reset procedure.
- Enter the anti-theft code for the radio, then enter the customer's radio station presets.
- Reset the clock.