Operation CHARM: Car repair manuals for everyone.
Manuals through 2025 now available!

Our trusted friends have launched a new website named LEMON, which has newer manuals. It also contains all the CHARM manuals.

LEMON is the spiritual successor to CHARM, I recommend you try it!

Link: lemon-manuals.la or lemon-manuals.org.ua

(Some people have issue connecting. LEMON is investigating. For now, use Firefox or change your DNS server)

Or, hide this message: temporarily or permanently

Timing Components: Specifications

Crankshaft pulley
Install the crankshaft pulley, and tighten the bolt to 20 Nm (2.0 kgf-m, 14 ft. lbs.).





Tighten the pulley bolt an additional 90°.

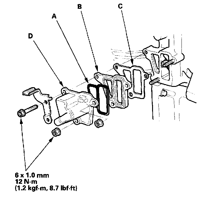
Timing Chain tensioner





Install the new O-ring (A) into the spacer (B). Set the spacer and new gasket (C) on the cam chain auto-tensioner (D), then tighten the bolt and nuts equally while pressing the timing chain autotensioner against the cylinder head.





Timing Chain Cover