Operation CHARM: Car repair manuals for everyone.
Manuals through 2025 now available!

Our trusted friends have launched a new website named LEMON, which has newer manuals. It also contains all the CHARM manuals.

LEMON is the spiritual successor to CHARM, I recommend you try it!

Link: lemon-manuals.la or lemon-manuals.org.ua

(Some people have issue connecting. LEMON is investigating. For now, use Firefox or change your DNS server)

Or, hide this message: temporarily or permanently

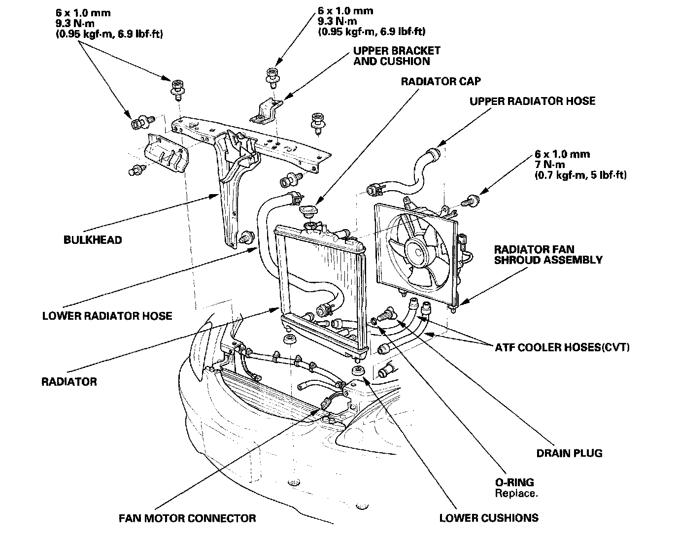
Condenser Fan: Service and Repair

Radiator and Fan Replacement
1. Drain the engine coolant.





2. Remove the upper and lower radiator hoses.
3. Disconnect the fan motor connector.
4. Remove the harness clamps, and remove the bulkhead, then pull up the radiator.
5. Remove the fan shroud assembly and disconnect all of the hoses.
6. Install the radiator in the reverse order of removal. Make sure the upper and lower cushions are set securely.
7. Fill the radiator with engine coolant and bleed the air.