Operation CHARM: Car repair manuals for everyone.
Manuals through 2025 now available!

Our trusted friends have launched a new website named LEMON, which has newer manuals. It also contains all the CHARM manuals.

LEMON is the spiritual successor to CHARM, I recommend you try it!

Link: lemon-manuals.la or lemon-manuals.org.ua

(Some people have issue connecting. LEMON is investigating. For now, use Firefox or change your DNS server)

Or, hide this message: temporarily or permanently

Heater Core: Service and Repair

Heater Unit/Core Replacement

SRS components are located in this area. Review the SRS component locations, and the precautions and procedures before performing repair or service.

1. Make sure you have the anti-theft codes for the radio, then write down the frequencies for the radio's preset buttons.
2. Disconnect the negative cable from the battery.




3. From under the hood, open the cable clamp (A), then disconnect the heater valve cable (B) from the heater valve arm (C). Turn the heater valve arm to the fully opened position as shown.
4. When the engine is cool, drain the engine coolant from the radiator.




5. Remove the mounting bolt from the heater valve. Slide the hose clamps (A) back, then disconnect the inlet heater hose (B) and the outlet heater hose (C) from the heater unit. Engine coolant will run out when the hoses are disconnected; drain it into a clean drip pan. Be sure not to let coolant spill on the electrical parts or the painted surfaces. If any coolant spills, rinse it off immediately.




6. Remove the mounting nut from the heater unit. Take care not to damage or bend the fuel lines, the brake lines, etc.
7. Remove the dashboard.
8. With air conditioning remove the evaporator.Without air conditioning remove the heater duct.




9. Remove the mounting bolts in the following sequence, then remove the center bracket (A), knee bolster (B), and the hanger beam (C).




10. Disconnect the connectors (A) from the mode control motor and the air mix control motor, then remove the wire harness clips (B). Remove the mounting bolt and the heater unit (C).




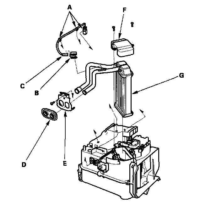
11. Remove the clips (A), the sensor clamp (B), and the heater core temperature sensor (C). Remove the grommet (D), then remove the self-tapping screw and the pipe bracket (E). Remove the self-tapping screws and the core cover (F). While being careful not to bend the inlet and outlet pipes, pull out the heater core (G).
12. Install the heater core in the reverse order of removal. Install the heater core temperature sensor directly against the inlet pipe, and install the sensor clamp securely.
13. Remove the No. 15 EPS (40 A) fuse from the under-hood fuse/relay box.
14. If the IMA battery level gauge (BAT) displays no segments, start the engine, and hold it between 3,500 rpm and 4,000 rpm without load (in Park or neutral) until the BAT displays at least three segments.
15. Reinstall the No. 15 EPS (40 A) fuse from the under-hood fuse/relay box.
16. Install the heater unit in the reverse order of removal, and note these items:

- Install the grommets of the heater core and the heater valve cable securely.
- Do not interchange the inlet and outlet heater hoses, and install the hose clamps securely.
- Refill the cooling system with engine coolant.
- Adjust the heater valve cable.
- Make sure that there is no coolant leakage.
- Make sure that there is no air leakage.
- For evaporator and A/C-related information, refer to evaporator removal and installation.
- Do the ECM idle learn procedure.
- Enter the anti-theft codes for the radio, then enter the customer's radio, station presets.