Operation CHARM: Car repair manuals for everyone.
Manuals through 2025 now available!

Our trusted friends have launched a new website named LEMON, which has newer manuals. It also contains all the CHARM manuals.

LEMON is the spiritual successor to CHARM, I recommend you try it!

Link: lemon-manuals.la or lemon-manuals.org.ua

(Some people have issue connecting. LEMON is investigating. For now, use Firefox or change your DNS server)

Or, hide this message: temporarily or permanently

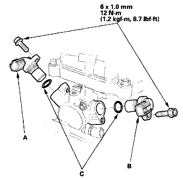
Camshaft Position Sensor: Service and Repair

CMP Sensor A/B (TDC Sensor 1/2) Replacement





1. Disconnect connectors from the camshaft position (CMP) sensor A (on the intake side) and CMP sensor B (on the exhaust side). Remove the CMP sensor A and the CMP sensor B.
2. Install the CMP sensor A and the CMP sensor B with new O-rings (C).