Operation CHARM: Car repair manuals for everyone.
Manuals through 2025 now available!

Our trusted friends have launched a new website named LEMON, which has newer manuals. It also contains all the CHARM manuals.

LEMON is the spiritual successor to CHARM, I recommend you try it!

Link: lemon-manuals.la or lemon-manuals.org.ua

(Some people have issue connecting. LEMON is investigating. For now, use Firefox or change your DNS server)

Or, hide this message: temporarily or permanently

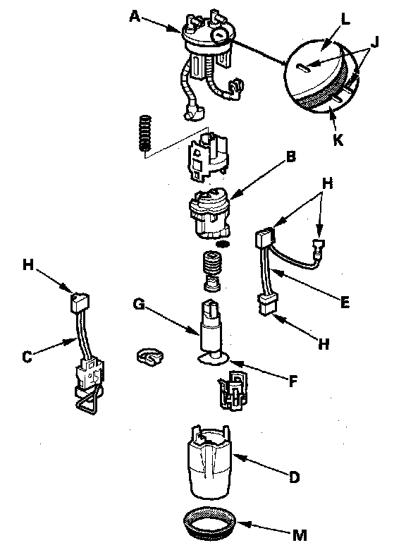
Fuel Level Sensor: Service and Repair

Fuel Pump/Fuel Gauge Sending Unit Replacement

Special Tools Required
Fuel sender wrench 07AAA-SOXA100

M/T model

1. Remove the fuel tank.
2. Disconnect the quick-connect fittings from the fuel pump.




3. Using the tool, loosen the fuel tank unit locknut (A).




4. Remove the bracket (A), the fuel filter (B), the fuel gauge sending unit (C), the case (D), and the wire harness (E).
5. When connecting the fuel pump, make sure the connection is secure and the suction filter (F) is firmly connected to the fuel pump (G).
6. Install the parts in the reverse order of removal with a new base gasket (M), then check these items:

- When connecting the wire harness, make sure the connection is secure and the connectors (H) are firmly locked into place.
- Do not push the lower part of the suction filter.
- When installing the fuel gauge sending unit, make sure the connection is secure and the connector is firmly locked into place. Be careful not to bend or twist it excessively.
- When installing the fuel pump assembly, align the marks (JD) on the fuel tank (K) and the fuel pump assembly (L).

Special Tools Required
Fuel sender wrench 07AAA-SOXA100

CVT model

1. Remove the fuel tank.
2. Disconnect the quick-connect fittings from the fuel pump.




3. Using the tool, loosen the fuel tank unit locknut (A).




4. Remove the bracket (A), the fuel pressure regulator assembly (B), the fuel filter (C), the fuel gauge sending unit (D), the case (E), and the wire harness (F).
5. When connecting the fuel pump, make sure the connection is secure and the suction filter (G) is firmly connected to the fuel pump (H).
6. Install the parts in the reverse order of removal with a new base gasket (I), then check these items:

- When connecting the wire harness, make sure the connection is secure and the connectors (JD) are firmly locked into place.
- Do not push the lower part of the suction filter.
- When installing the fuel gauge sending unit, make sure the connection is secure and the connector is firmly locked into place. Be careful not to bend or twist it excessively.
- When installing the fuel pump assembly, align the marks (K) on the fuel tank (L) and the fuel pump assembly (M).