Operation CHARM: Car repair manuals for everyone.
Manuals through 2025 now available!

Our trusted friends have launched a new website named LEMON, which has newer manuals. It also contains all the CHARM manuals.

LEMON is the spiritual successor to CHARM, I recommend you try it!

Link: lemon-manuals.la or lemon-manuals.org.ua

(Some people have issue connecting. LEMON is investigating. For now, use Firefox or change your DNS server)

Or, hide this message: temporarily or permanently

Front

Front Brake Pad Inspection and Replacement

CAUTION: Frequent inhalation of brake pad dust, regardless of material composition, could be hazardous to your health.
^ Avoid breathing dust particles.
^ Never use an air hose or brush to clean brake assemblies. Use an OSHA-approved vacuum cleaner.


Replacement
1. Raise the front of the vehicle, and support it with safety stands in the proper locations.
2. Remove the front wheels.





3. While holding the caliper pin (A) with a wrench, remove the flange bolt (B). Be careful not to damage the pin boot. Then pivot the caliper (C) up out of the way. Check the hose and pin boots for damage and deterioration.





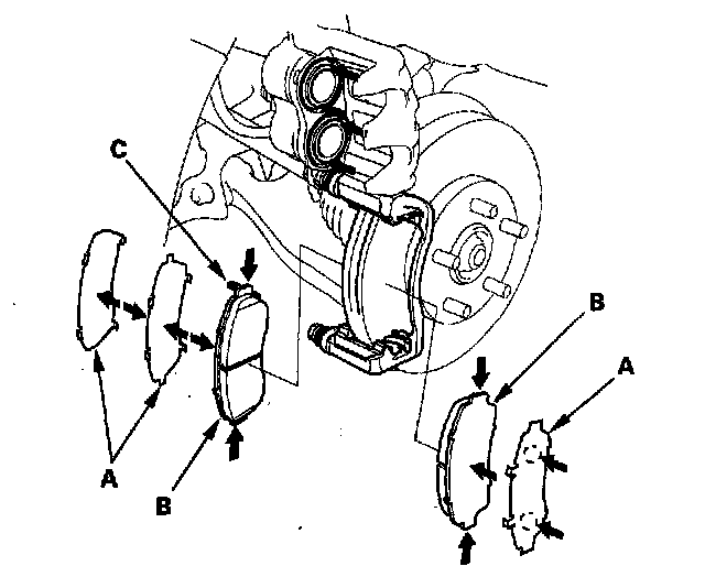
4. Remove the pad shims (A) and brake pads; (B).





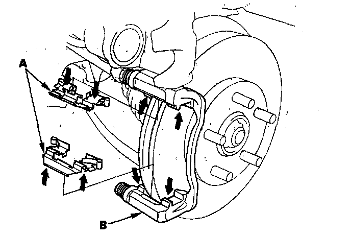
5. Remove the pad retainers (A).
6. Clean the caliper thoroughly; remove any rust, and check for grooves and cracks.
7. Check the brake disc for damage and cracks.
8. Apply a thin coat of M-77 assembly paste (P/N 08798-9010) to the retainers on their mating surfaces (indicated by the arrows) against the caliper bracket (B).
9. Install the pad retainers. Wipe excess paste off the retainers. Keep paste off the discs and pads.





10. Apply a thin coat of M-77 assembly paste (P/N 08798-9010) to the pad side of the shims (A), the back of the brake pads (B) and the other areas indicated by the arrows. Wipe excess assembly paste off the shims and brake pads. Contaminated brake discs or brake pads reduce stopping ability. Keep grease and assembly paste off the brake discs and brake pads.
11. Install the brake pads and pad shims correctly. Install the brake pad with the wear indicator (C) on the inside. If you are reusing the brake pads, always reinstall the brake pads in their original positions to prevent a loss of braking efficiency.





12. Mount the commercially available brake caliper wrench (A) on the caliper (B).
13. Press in the piston with the brake caliper wrench so the caliper will fit over the brake pads. Make sure the piston boot is in position to prevent damaging it when pivoting the caliper down.

NOTE: Be careful when pressing in the piston, brake fluid might overflow from the master cylinder's reservoir.

14. Remove the brake caliper wrench.





15. Pivot the caliper down into position. Install the flange bolt (A), and torque it to the specified torque while holding the caliper pin (B) with a wrench. Be careful not to damage the pin boot.
16. Press the brake pedal several times to make sure the brakes work.

NOTE: Engagement of the brakes may require a greater pedal stroke immediately after the brake pads have been replaced. Several applications of the brake pedal will restore the normal pedal stroke.

17. After installation, check for leaks at hose and line joints or connections, and retighten if necessary.
18. Install the front wheels, then test-drive the vehicle.