Operation CHARM: Car repair manuals for everyone.
Manuals through 2025 now available!

Our trusted friends have launched a new website named LEMON, which has newer manuals. It also contains all the CHARM manuals.

LEMON is the spiritual successor to CHARM, I recommend you try it!

Link: lemon-manuals.la or lemon-manuals.org.ua

(Some people have issue connecting. LEMON is investigating. For now, use Firefox or change your DNS server)

Or, hide this message: temporarily or permanently

Engine Removal

Engine Removal

Special Tools Required
- Engine support hanger, A and Reds AAR-T-12566 (Available through the Honda Tool and Equipment Program 888-424-6857)
- Engine hanger adapter VSB02C000022
- Engine hanger balancer bar VSB02C000019
- Front subframe adapter VSB02CO00016

NOTE:
- Use fender covers to avoid damaging painted surfaces.
- To avoid damage, unplug the wiring connectors carefully while holding the connector portion.
- Mark all wiring and hoses to avoid misconnection. Also, be sure that they do not contact other wiring or hoses, or interfere with other parts.





1. Fix the engine hood in a vertical position by using a support rod as shown.
2. Relieve fuel pressure.
3. Drain the power steering system fluid.
4. Make sure you have the anti-theft codes for the radio and the navigation system, then write down the customer's radio station presets and XM radio channel presets. Make sure the ignition switch is OFF.
5. Disconnect the negative cable from the battery first, then the disconnect positive cable.
6. Remove the front grill cover.
7. Remove the battery.





8. Remove the intake manifold cover.





9. Remove the breather pipe (A), then remove the intake air duct (B).
10. Remove the air cleaner.





11. Remove the harness clamps (A), then remove the battery base (B).
12. Remove three mounting bolts (C) and loosen the mounting bolt (D), then remove the battery base.





13. Remove the ground cable (A), harness clamp (B), and starter motor cable (C).





14. J35A7 engine: Remove the front mount stop (A), then disconnect the front engine mount control solenoid valve connector (B).





15. J35A6 engine: Remove the front mount stop (A), then disconnect the front engine mount control solenoid valve tube (B).





16. Remove the fuel tube cover (A), and fuel feed hose (B).





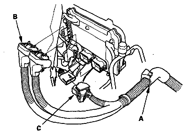
17. Remove the brake booster vacuum hose (A) and evaporative emission (EVAP) canister hose (B).
18. Remove the vacuum hose (C) (J35A6 engine).
19. Remove the driver's side console lower panel, and pull the carpet to expose the steering joint cover.





20. Remove the steering joint cover (A).
21. Lock the steering wheel. Make a reference mark (B) across the steering joint and steering gearbox pinion shaft. Remove the steering joint bolt (C), and disconnect the steering joint from the steering gearbox pinion shaft (D). To prevent damage to the cable reel, do not turn the steering wheel once the steering joint has been removed.





22. Remove the powertrain control module (PCM) cover (A).





23. Remove the harness clamp (A), then disconnect engine wire harness connectors (B) and cabin wire harness connector (C) on the right side of the engine compartment.





24. Remove the harness clamps (A), then remove the alternator cable (B).
25. Remove the drive belt.





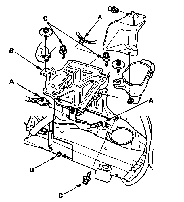
26. Remove the power steering (P/S) pump outlet hose (A) at the pump (B) and remove the hose clamp bolt (C).
27. Remove the radiator cap.
28. Raise the vehicle on the hoist to full height.
29. Remove the front tires/wheels.





30. Remove the splash shield.
31. Loosen the drain plug in the radiator, and drain the engine coolant.
32. Drain the automatic transmission fluid (ATF).
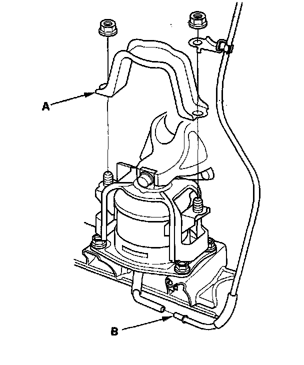
33. Drain the engine oil.





34. Remove exhaust pipe A.
35. Disconnect the stabilizer links.
36. Separate the tie-rod end ball joints from the knuckles.
37. Separate the knuckles from the lower arms.
38. Remove the driveshafts. Coat all precision-finished surfaces with new engine oil. Tie plastic bags over the driveshaft ends.





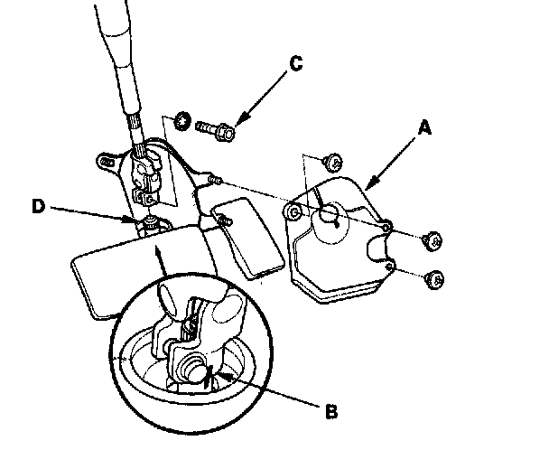
39. Remove the bolts (A) securing the shift cable holder (B). Remove the bolts (C) securing the shift cable cover, then remove the shift cable cover (D). To prevent damage to the control lever joint, be sure to remove the bolts securing the shift cable holder before removing the bolts securing the shift cable cover.
40. Remove the lock bolt (E) securing the control lever (F), then remove the shift cable (G) with the control lever. Do not bend the shift cable excessively.





41. Disconnect the P/S hose (A), then plug the line and the hose.





42. Disconnect the power steering pressure switch connector (A).





43. Remove the nuts securing the transmission lower front mount and transmission lower rear mount.





44. J35A7 engine: Disconnect the rear engine mount control solenoid valve connector (A).





45. J35A7 engine: Remove the nuts securing the rear mount stop, then remove the rear mount stop (A), then remove the rear mount bolt (B).





46. J35A6 engine: Remove the rear mount bolts (A), then remove the heat shield (B).
47. Lower the vehicle on the hoist.





48. Disconnect the fan motor connector (A) and remove the reserve tank (B). Wipe up any spilled engine coolant immediately.
49. Remove the two bolts (C), loosen the bottom bolts (D), then remove the condenser fan shroud.





50. Remove the A/C compressor without disconnecting the A/C hoses.





51. Hang the A/C compressor with a rope as shown.





52. Remove the upper radiator hose (A) and lower radiator hose (B).





53. Remove the heater hoses.





54. Remove the ground cables.





55. Remove the ATF cooler hoses (A), then plug the ATF cooler hoses and lines.
56. Remove the radiator.





57. Install the engine hanger adapters (VSB02C000022) on the end of the engine support beams (A), then install the engine support hanger (AAR-T-12566) with the adapters to the vehicle.
58. Lift and support the engine with the engine support hanger and engine balancer bar (VSB02C000019). Attach the front arm to the front cylinder head with a spacer (B) and the 10 x 1.25 mm bolt (C). Attach the rear arm to the rear cylinder head with the 8 x 1.25 mm bolt (D).





59. Remove the front mount bolt (A).





60. Remove the mounting bolts from the upper half of the side engine mount bracket.
61. Make sure the hoist brackets are positioned properly. Raise the vehicle on the hoist to full height.





62. Make alignment marks (A) on the body across from the marks (B) on the edge of the front subframe (C).





63. Attach the front subframe adapter to the subframe (A) by hanging the belt (B) of the adapter over the front of the subframe, then secure the belt with its retaining pin (C).
64. Raise the jack, then line up the slots in the subframe adapter arms with the bolt holes on the corner of the jack base, and attach them with the bolts securely.





65. Remove the six 12 x 1.25 mm bolts (A) securing the subframe stiffeners (B), the four subframe mounting bolts (C), and the stiffeners, then lower the front subframe (D).
66. Check that the engine/transmission is completely free of vacuum hoses, fuel and coolant hoses, and electrical wiring.
67. Lower the vehicle and securely support the engine and transmission assembly.
68. When the engine and transmission are securely supported, and there is no tension on the engine support hanger, remove the engine hanger from the engine.
69. Slowly lower the engine/transmission assembly about 150 mm (6 inch). Check once again that all hoses and wires are disconnected from the engine/ transmission assembly.
70. Raise the vehicle all the way.
71. Remove the engine/transmission assembly from under the vehicle.