Operation CHARM: Car repair manuals for everyone.
Manuals through 2025 now available!

Our trusted friends have launched a new website named LEMON, which has newer manuals. It also contains all the CHARM manuals.

LEMON is the spiritual successor to CHARM, I recommend you try it!

Link: lemon-manuals.la or lemon-manuals.org.ua

(Some people have issue connecting. LEMON is investigating. For now, use Firefox or change your DNS server)

Or, hide this message: temporarily or permanently

Engine: Service and Repair

Engine Removal

Special Tools Required
- Front subframe adapter EQS02BMDXSB0

NOTE:
- Use fender covers to avoid damaging painted surfaces.
- To avoid damage, unplug the wiring connectors carefully while holding the connector portion.
- Mark all wiring and hoses to avoid misconnection. Also, be sure that they do not contact other wiring or hoses, or interfere with other parts.





1. Secure the hood in the wide open position by using the support rod as shown.
2. Drain the power steering system fluid.
3. Relieve fuel pressure.
4. Make sure you have the anti-theft codes for the radio and navigation system, then write down the customer's radio station presets.
5. Disconnect the negative cable from the battery first, then disconnect the positive cable.
6. Remove the battery.





7. Remove the intake manifold cover.





8. Disconnect the breather pipe (A), then remove the intake air duct (B).





9. Remove the harness clamps (A), then remove the battery tray (B).
10. Remove the harness bracket (C).
11. Remove the three mounting bolts (D), and loosen the mounting bolt (E), then remove the battery base (F).





12. Remove the ground cable (A), harness clamp (B), and starter cable (C).





13. Remove the fuel quick-connect fitting cover (A), then disconnect the fuel quick-connect fitting (B).





14. Remove the brake booster vacuum hose (A), evaporative emission (EVAP) canister hose (B), and hose joint (C).
15. Remove the driver's side console lower panel, and pull the carpet to expose the steering joint cover.





16. Remove the steering joint cover (A).
17. Lock the steering wheel. Make a reference mark (B) across the steering joint and gearbox pinion shaft. Remove the steering joint bolt (C), and disconnect the steering joint from the steering gearbox pinion shaft (D). To prevent damaged to the cable reel, do not turn the steering wheel once the steering joint has been removed.
18. Remove the coolant reservoir, without disconnecting hoses.





19. Remove the cover from the powertrain control module (PCM).





20. Remove the harness clamps (A), then disconnect the powertrain control module (PCM) connectors (B) and engine wire harness connectors (C) on the right side of the engine compartment.





21. Remove the harness clamps (A), then remove the alternator cable (B).





22. Remove the power steering (P/S) pump outlet hose (A) from the P/S pump (B).
23. Remove the P/S hose clamp (C).
24. Remove the drive belt.
25. Remove the radiator cap.
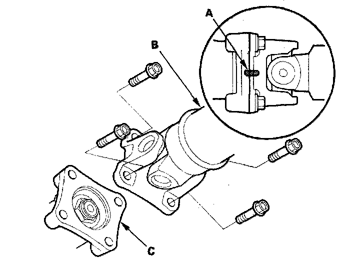
26. Raise the vehicle on the hoist to full height.
27. Remove the front tires/wheels.





28. Remove the splash shield.
29. Loosen the drain plug in the radiator, and drain the engine coolant.
30. Drain the automatic transmission fluid (ATF).
31. Drain the engine oil.





32. Remove the front subframe stiffener.





33. Remove exhaust pipe A.





34. Make reference marks (A) on the propeller shaft (B) and transfer shaft flange (C), then separate the propeller shaft from the transfer shaft flange.
35. Remove the shift cable.
36. Remove the transfer assembly.
37. Disconnect the stabilizer links.
38. Disconnect the tie-rod end ball joints.
39. Disconnect the suspension lower arm ball joints.
40. Remove the driveshafts. Coat all precision-finished surfaces with new engine oil. Tie plastic bags over the driveshaft ends.





41. Remove the P/S hose, then plug the line and the hose.





42. Disconnect the power steering pressure switch connector.





43. Remove the transmission lower front mount nuts and transmission lower rear mount nuts.





44. Remove the rear engine mount bolts.





45. Remove the A/C compressor without disconnecting the A/C hoses.
46. Lower the vehicle on the hoist.





47. Remove the heater hoses.





48. Remove the upper radiator hose (A), and lower radiator hose (B).





49. Remove the ground cable.





50. Remove the ATF cooler hoses, then plug the ATF cooler hoses and lines.
51. Remove the radiator.





52. Hang the A/C compressor with a rope as shown.





53. Attach the chain hoist to the engine as shown.





54. Remove the mounting bolts from the upper half of the side engine mount bracket.





55. Remove the front engine mount nut.
56. Make sure the hoist brackets are positioned properly. Raise the vehicle on the hoist to full height.





57. Make the appropriate reference lines (A) at the both side of the front subframe (B) that line up with the edge (C) of the body.





58. Loosen the four bolts (A) holding the adjustable arms (B) of the front subframe adapter to its center plate.





59. Line up the slots in the arms with the bolt holes on the corner of the jack base, then attach the adapter to the jack base with the bolts (A) that came with the jack. Tighten all bolts securely.
60. Raise the jack to vehicle height, then attach the adapter to the front subframe using the subframe stiffener mounting bolts (B) and bolt holes.





61. Remove the six 12 x 1.25 mm bolts (A) securing the subframe stiffeners (B), the four subframe mounting bolts (C), and the stiffeners, then lower the front subframe (D).
62. Check that the engine/transmission is completely free of vacuum hoses, fuel and coolant hoses, and electrical wiring.
63. Slowly lower the engine/transmission assembly about 150 mm (6 inch). Check once again that all hoses and wires are disconnected from the engine/ transmission.
64. Lower the engine/transmission assembly ail the way. Remove the chain hoist from the engine.
65. Remove the engine/transmission assembly from under the vehicle.

Engine Installation

Special Tools Required
- Front subframe adapter EQS02BMDXSBO





1. Install the accessory brackets and tighten their bolts to the specified torques.
2. Position the engine transmission assembly under the vehicle. Attach the chain hoist to the engine, then lift the engine into position in the vehicle.

NOTICE: Reinstall the mounting bolts/support nuts in the sequence given. Failure to follow this sequence may cause excessive noise and vibration, and reduce bushing life.

3. Support the front subframe with the front subframe adapter and a jack, and lift it up to the body.





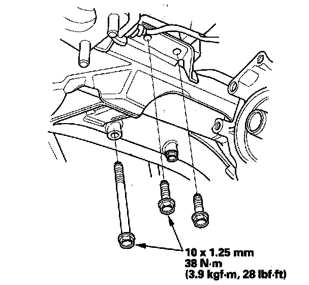
4. Loosely install the four front subframe mounting bolts (A) and the six 12 x 1.25 mm bolts (B), (C) with the stiffeners (D).





5. Align all reference marks (A) on the front subframe (B) with the edge of the body (C), then tighten the bolts on the front subframe to the specified torque.
6. Remove the front subframe adapter and a jack.





7. Tighten the transmission lower rear mount nuts (A) and transmission lower front mount nuts (B).





8. Tighten the rear engine mount bolts.
9. Lower the vehicle on the hoist.





10. Tighten the front engine mount nut.





11. Tighten the upper half of the side engine mount bracket bolts.
12. Remove the chain hoist from the engine.
13. Raise the vehicle on the hoist to full height.





14. Install the A/C compressor.





15. Install the power steering (P/S) hose.





16. Connect the power steering pressure switch connector.
17. Install a new set ring on the end of each driveshaft, then install the driveshafts. Make sure each ring clicks into place on the differential and intermediate shafts.
18. Connect the suspension lower arm ball joints.
19. Connect the tie-rod end ball joints.
20. Connect the stabilizer links.
21. Install the transfer assembly.
22. Install the shift cable.





23. Align the reference marks (A) on the propeller shaft (B) and transfer shaft flange (C), then install the propeller shaft.





24. Install exhaust pipe A using new gaskets (B) and new self locking nuts (C).





25. Install the front subframe stiffener.
26. Lower the vehicle on the hoist.
27. Install the radiator.





28. Install the automatic transmission fluid (ATF) cooler hoses.
29. Install the drive belt.
30. Raise the vehicle on the hoist to full height.





31. Install the splash shield.
32. Install the front tires/wheels.
33. Lower the vehicle on the hoist.





34. Install the ground cable.





35. Install the upper radiator hose (A) and lower radiator hose (B).





36. Install the heater hoses.





37. Install the P/S pump outlet hose (A) with a new O-ring (B) to the pump (C).
38. Secure the P/S hose clamp (D).





39. Install the alternator cable (A), then install the harness clamps (B).





40. Connect the engine wire harness connectors (A) and powertrain control module (PCM) connectors (B) on the right side of the engine compartment, then install harness clamps (C).





41. Install the cover to the powertrain control module (PCM).
42. Install the power steering fluid reservoir, and the coolant reservoir.





43. Align the reference marks (A) on the steering joint and steering gearbox pinion shaft. Connect the steering joint (B) to the steering gearbox pinion shaft (C). Tighten the steering joint bolt.
44. Install the steering joint cover (D).
45. Install the carpet and driver's side console lower panel.





46. Install the brake booster vacuum hose (A), evaporative emission (EVAP) canister hose (B), and hose joint (C).





47. Connect the fuel quick-connect fitting (A), then install the fuel quick-connect fitting cover (B).





48. Install the starter cable (A), harness clamp (B), and ground cable (C).





49. Install the battery base (A), then install the harness bracket (B).
50. Install the battery tray (C), then install the harness clamps (D).





51. Install the intake air duct (A), then install the breather pipe (B).





52. Install the intake manifold cover.
53. Install the battery. Clean the battery posts and cable terminals with sandpaper, then assemble them and apply grease to prevent corrosion.
54. Inspect for fuel leaks. Turn the ignition switch ON (II) (do not operate the starter) so the fuel pump runs for about 2 seconds and pressurizes the fuel line. Repeat this operation two or three times, then check for fuel leakage at any point in the fuel line.
55. Move the shift lever to each gear, and verify that the A/T gear position indicator follows the transmission range switch.
56. Refill the engine with new engine oil.
57. Refill the transmission with ATF.
58. Refill the radiator with engine coolant, and bleed air from the cooling system with the heater valve open.
59. Refill the power steering system fluid.
60. Do the powertrain control module (PCM) reset procedure.
61. Do the crankshaft position (CKP) pattern clear/CKP pattern learn procedure.
62. Do the PCM idle learn procedure and power window control unit reset procedure.
63. Inspect the idle speed.
64. Inspect the ignition timing.
65. Check the wheel alignment.
66. Enter the anti-theft codes for the radio and the navigation system, then enter the customer's radio station presets.
67. Set the clock.