Operation CHARM: Car repair manuals for everyone.
Manuals through 2025 now available!

Our trusted friends have launched a new website named LEMON, which has newer manuals. It also contains all the CHARM manuals.

LEMON is the spiritual successor to CHARM, I recommend you try it!

Link: lemon-manuals.la or lemon-manuals.org.ua

(Some people have issue connecting. LEMON is investigating. For now, use Firefox or change your DNS server)

Or, hide this message: temporarily or permanently

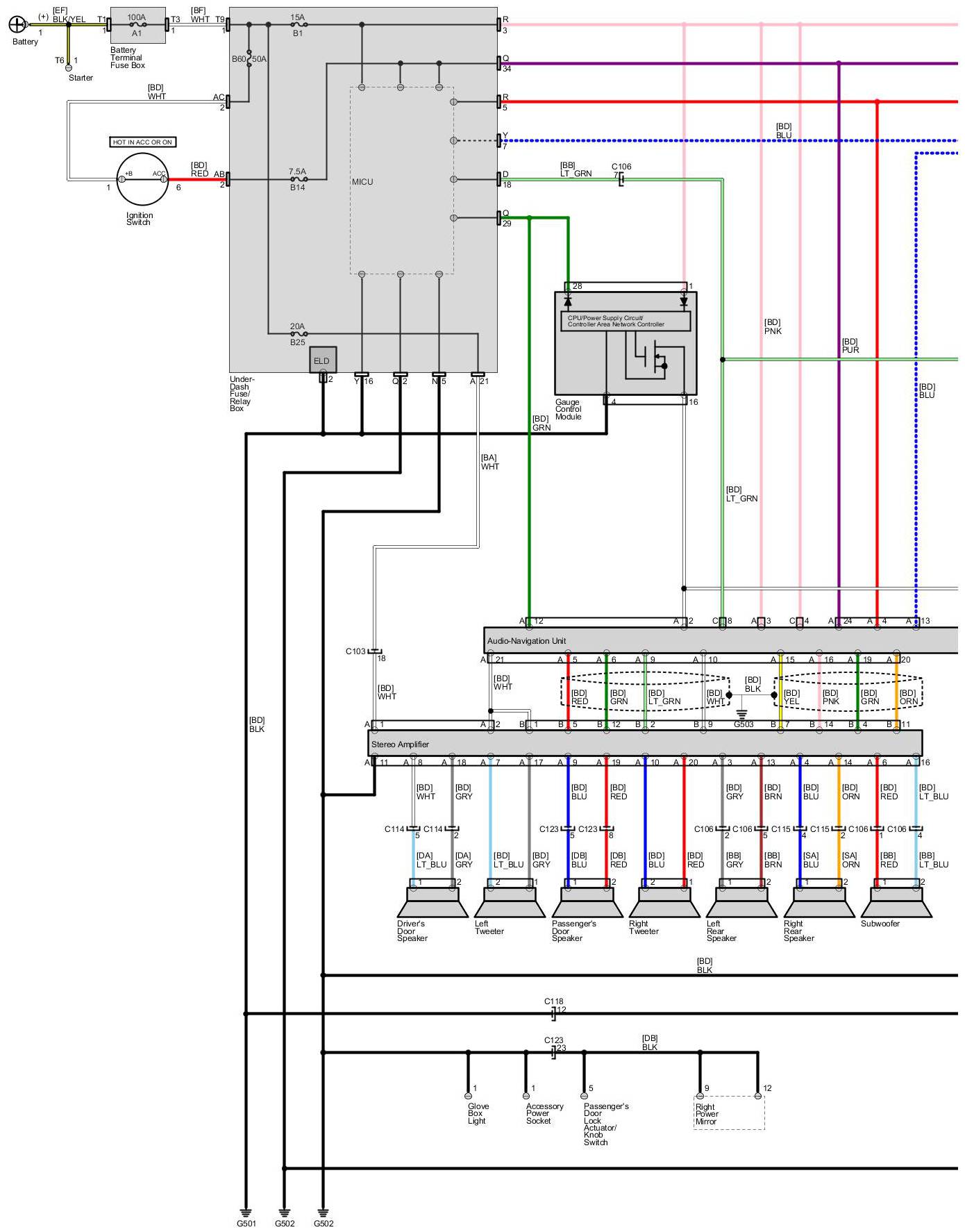
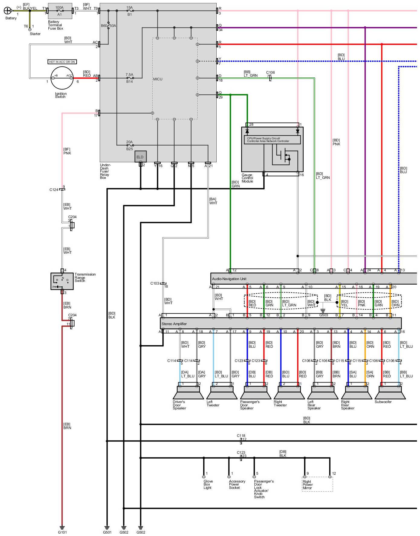
Navigation System



Audio and Visual System - Navigation System

KA USA, 2-door CR-Z EX, ZF1, Hatchback, LEA1, MT Transmission with these options (NAVIGATION, HID)












KA USA, 2-door CR-Z EX, ZF1, Hatchback, LEA1, CVT Transmission with these options (NAVIGATION, HID)