Manuals through 2025 now available!
Our trusted friends have launched a new website named LEMON, which has newer manuals. It also contains all the CHARM manuals.
LEMON is the spiritual successor to CHARM, I recommend you try it!
Link:
lemon-manuals.la or
lemon-manuals.org.ua
(Some people have issue connecting. LEMON is investigating. For now, use Firefox or change your DNS server)
Or, hide this message:
temporarily or
permanently
KA USA
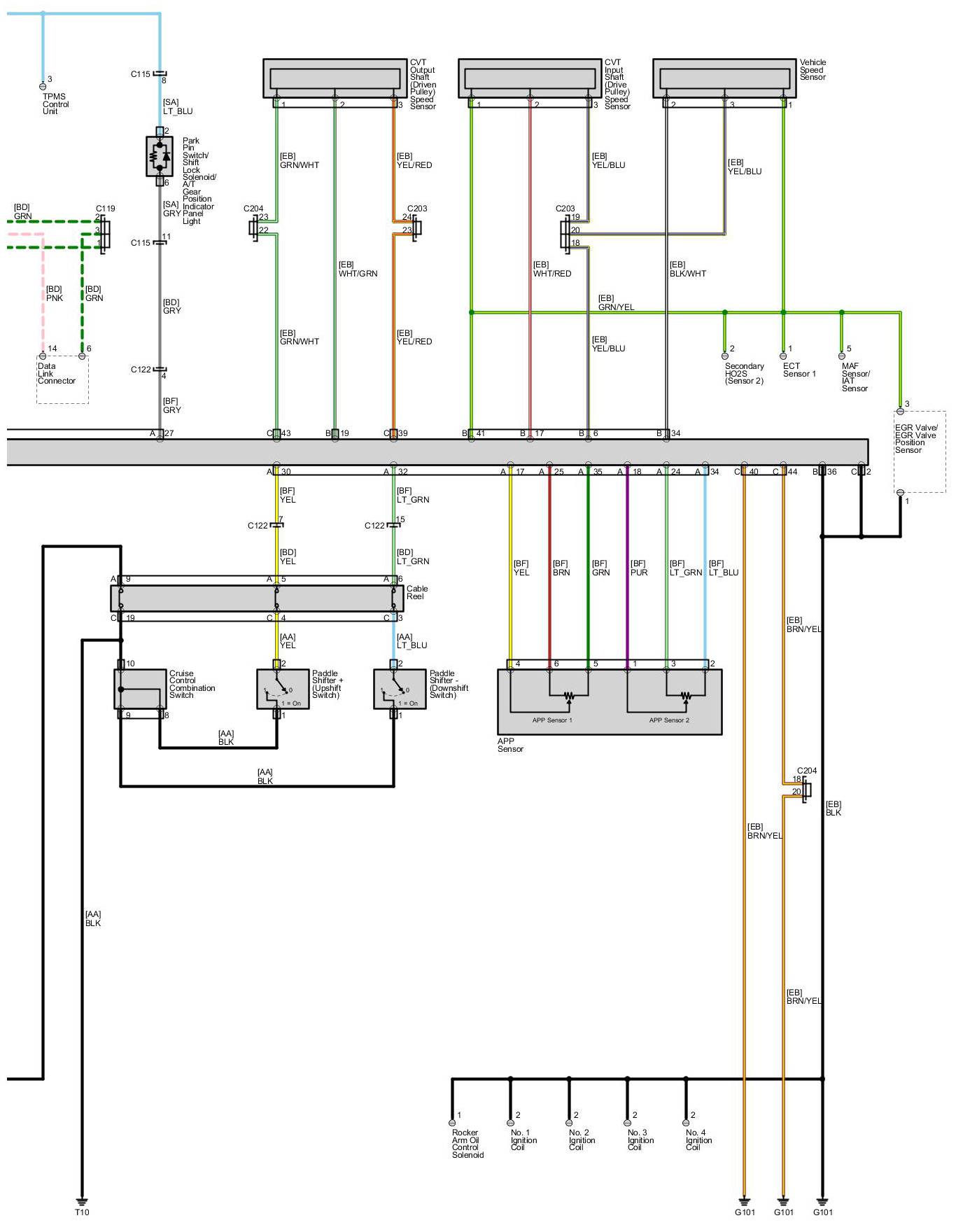
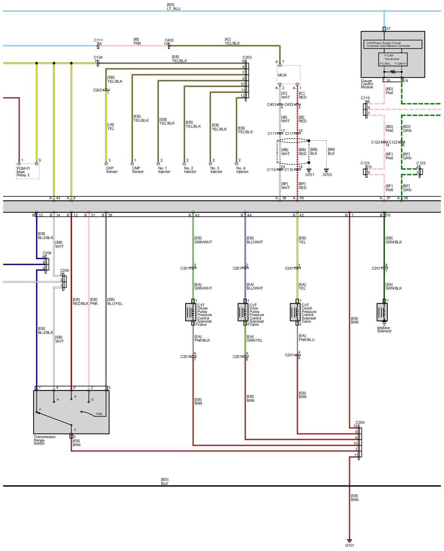
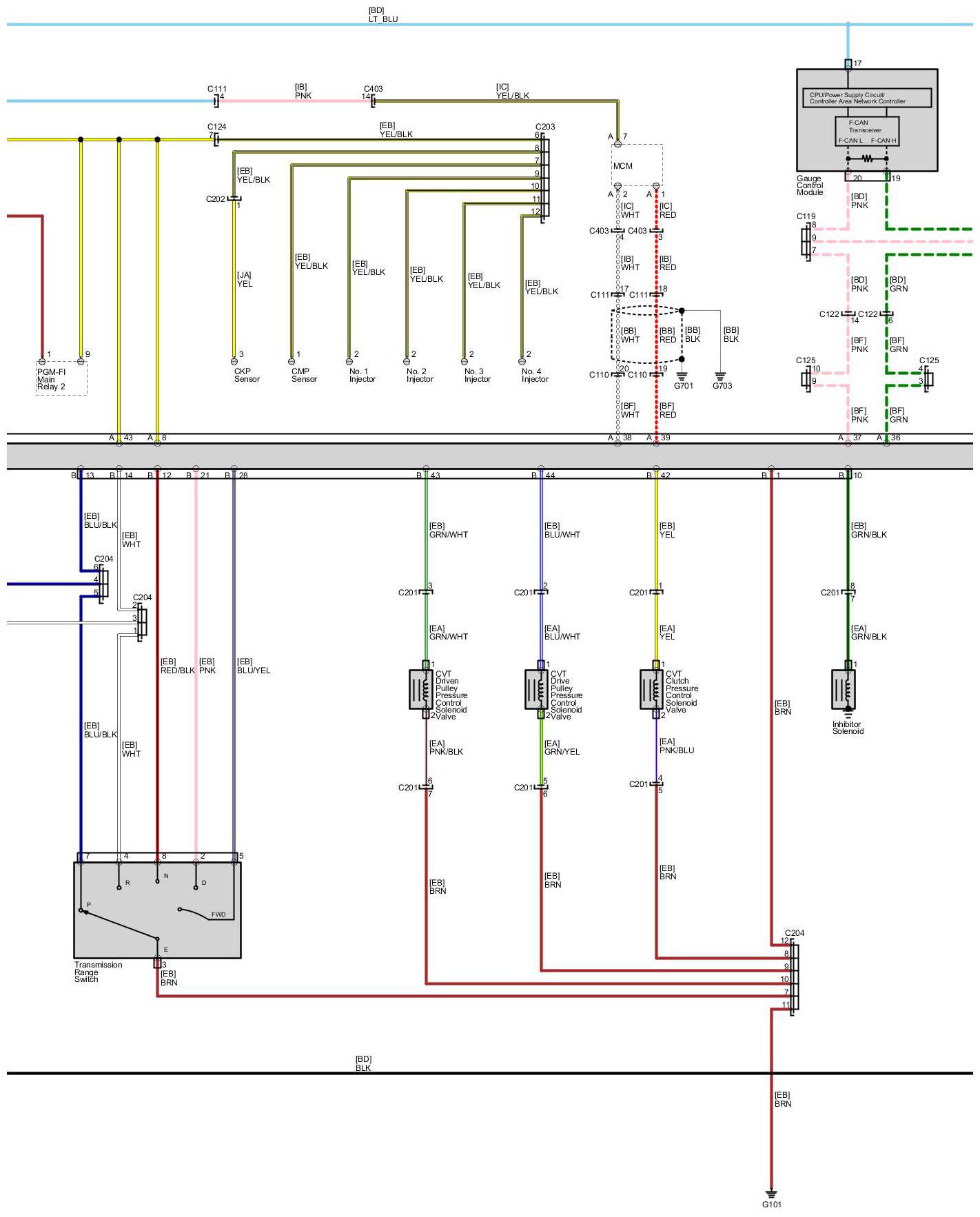
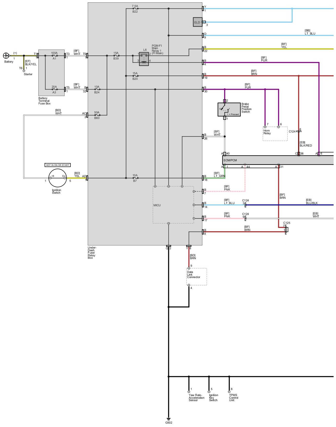
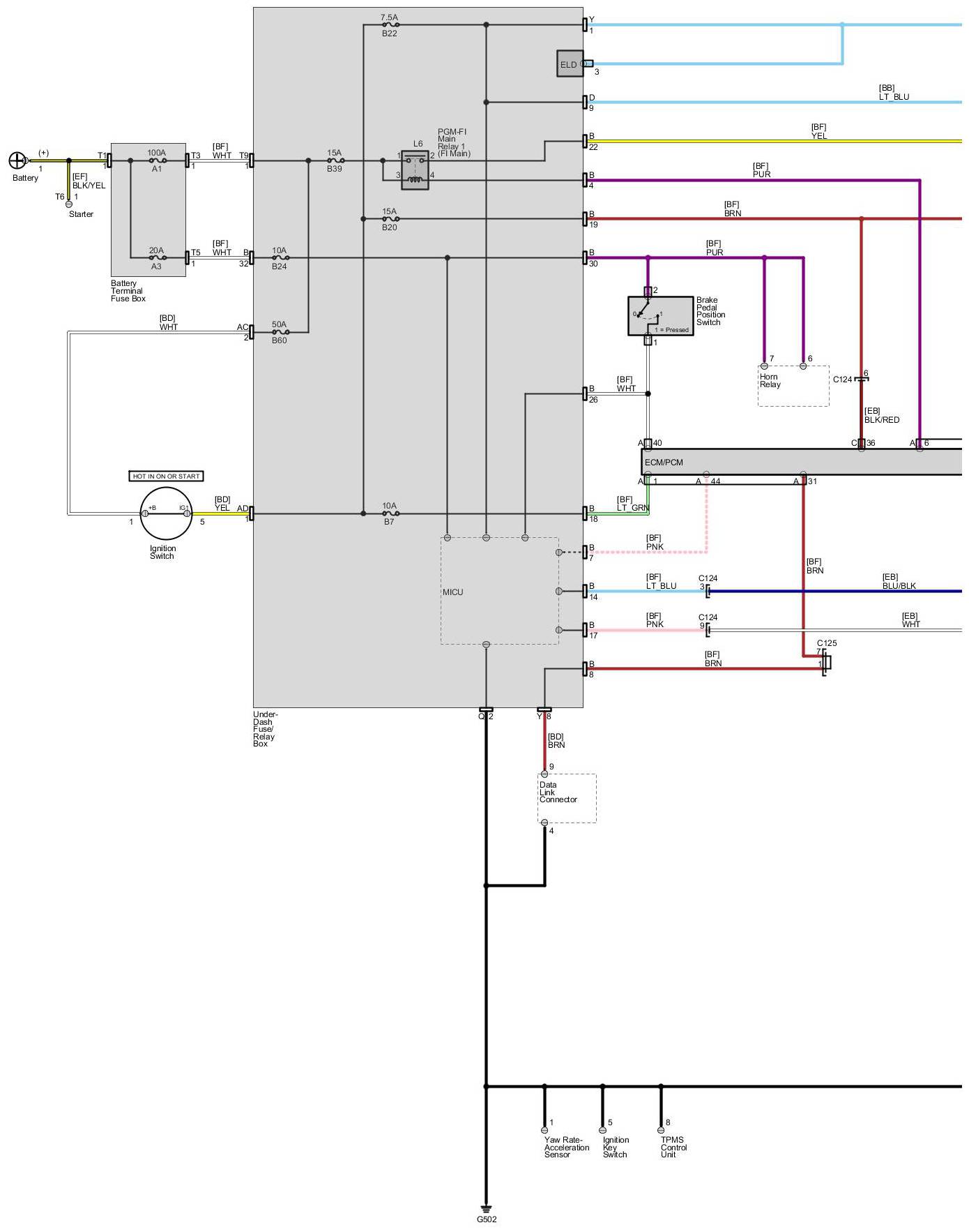
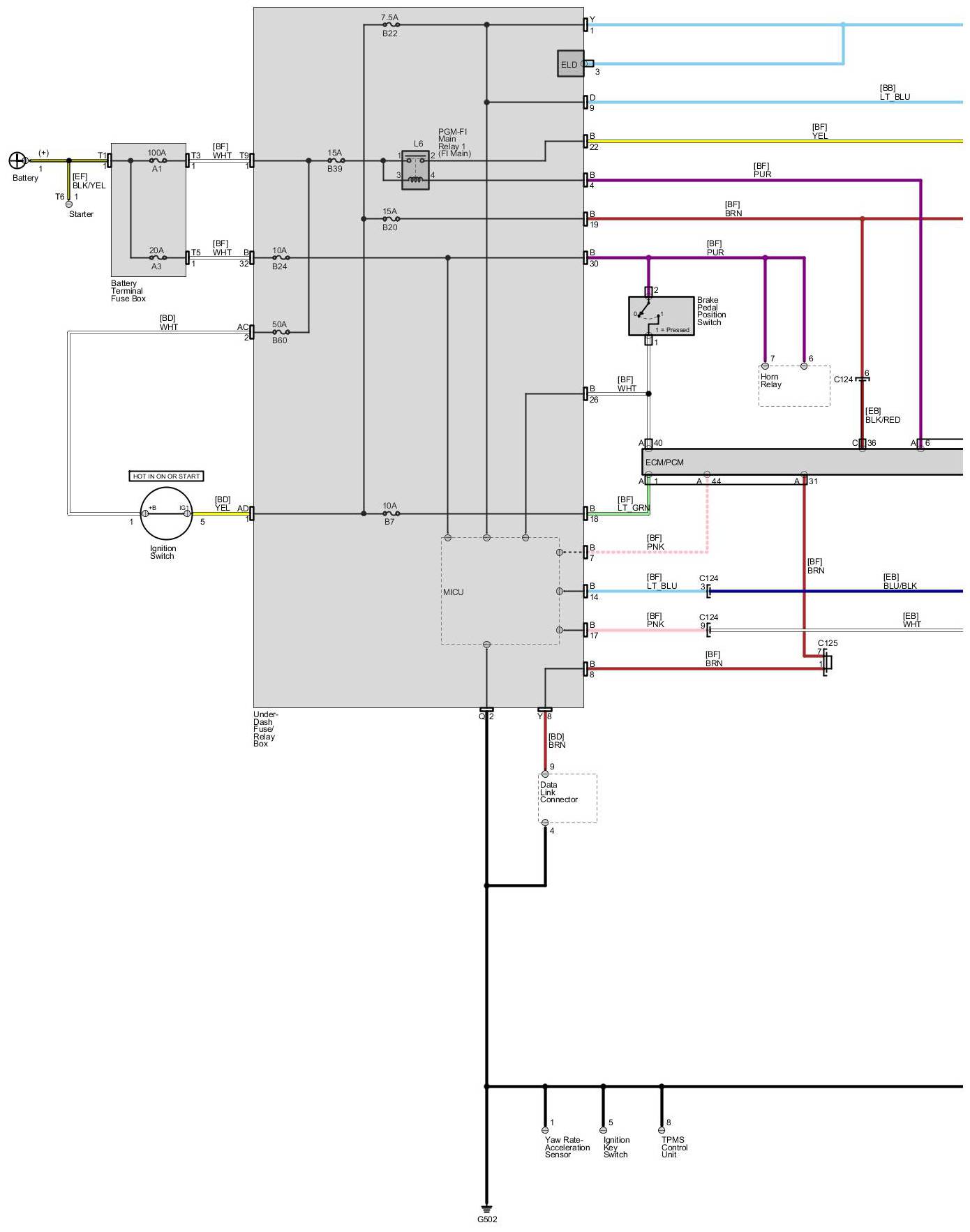
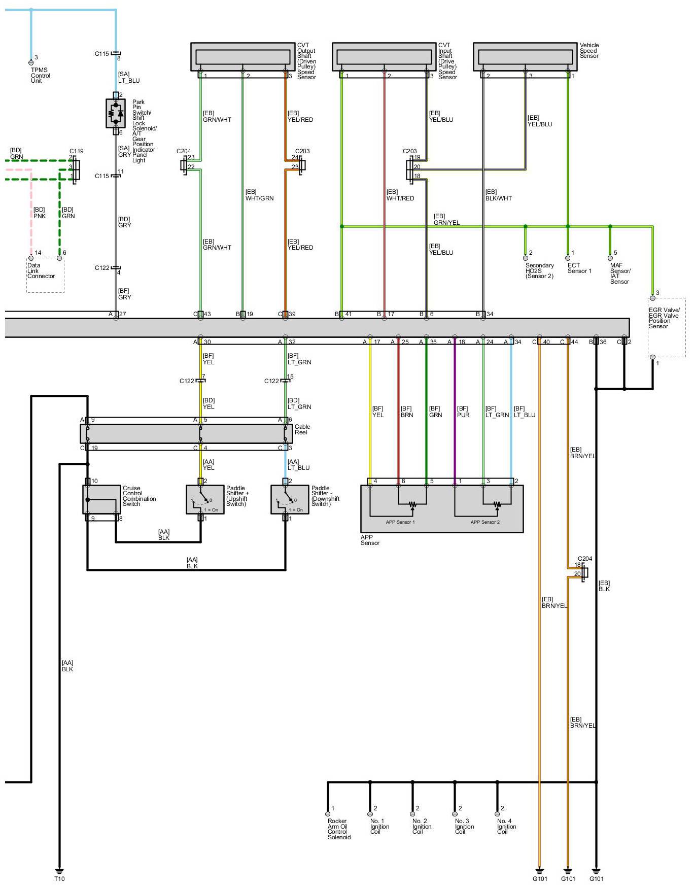
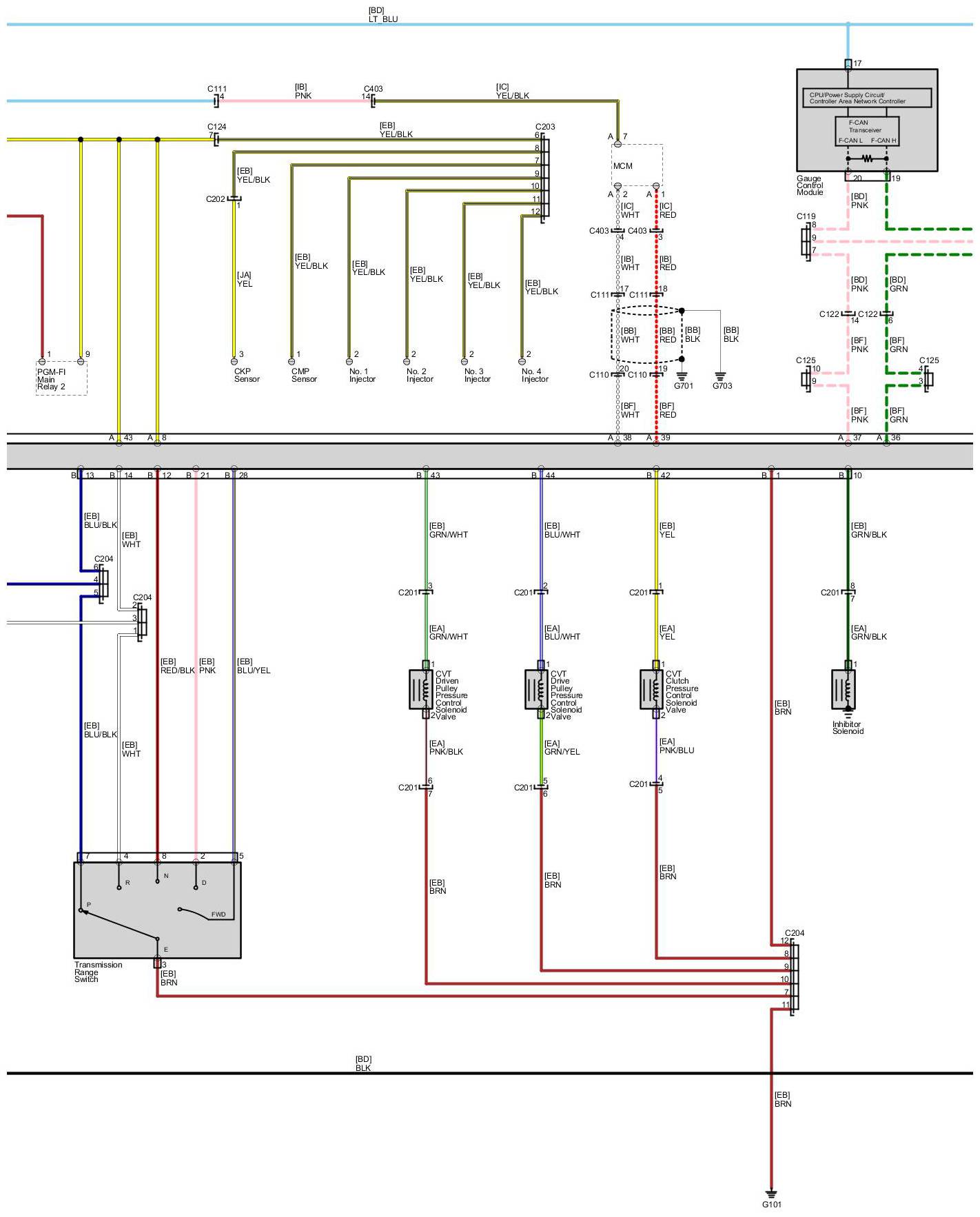
Transaxle - CVT Control SystemKA USA, 2-door CR-Z, ZF1, Hatchback, LEA1, CVT Transmission
KA USA, 2-door CR-Z EX, ZF1, Hatchback, LEA1, CVT Transmission with these options (HID)
KA USA, 2-door CR-Z EX, ZF1, Hatchback, LEA1, CVT Transmission with these options (NAVIGATION, HID)