Operation CHARM: Car repair manuals for everyone.
Manuals through 2025 now available!

Our trusted friends have launched a new website named LEMON, which has newer manuals. It also contains all the CHARM manuals.

LEMON is the spiritual successor to CHARM, I recommend you try it!

Link: lemon-manuals.la or lemon-manuals.org.ua

(Some people have issue connecting. LEMON is investigating. For now, use Firefox or change your DNS server)

Or, hide this message: temporarily or permanently

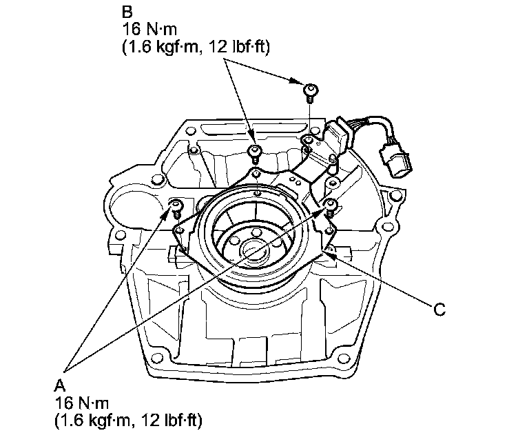
Drive Motor Rotor Position Sensor: Service and Repair




IMA Motor Rotor Position Sensor Removal/Installation

1. Remove the IMA motor housing IMA Motor Housing Removal/Installation.

2. Remove the bolts (A, B) and the IMA motor rotor position sensor (C).





3. Install the parts in the reverse order of removal.

NOTE: Tighten the side bolts (A) first, then tighten the upper bolts (B).

4. Do the IMA motor rotor position calibration procedure.