Operation CHARM: Car repair manuals for everyone.
Manuals through 2025 now available!

Our trusted friends have launched a new website named LEMON, which has newer manuals. It also contains all the CHARM manuals.

LEMON is the spiritual successor to CHARM, I recommend you try it!

Link: lemon-manuals.la or lemon-manuals.org.ua

(Some people have issue connecting. LEMON is investigating. For now, use Firefox or change your DNS server)

Or, hide this message: temporarily or permanently

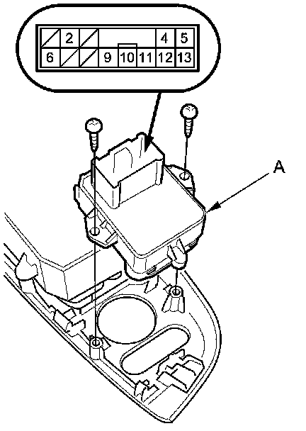
Power Mirror Switch Test/Replacement




Power Mirror Switch Test/Replacement

1. Remove the power window master switch panel Service and Repair.

2. Disconnect the 13P connector from the power mirror switch (A).






3. Check for continuity between the terminals in each switch position according to the table.





4. If the continuity is not as specified, remove the screws and replace switch.

5. Install the switch in the reverse order of removal.