Operation CHARM: Car repair manuals for everyone.
Manuals through 2025 now available!

Our trusted friends have launched a new website named LEMON, which has newer manuals. It also contains all the CHARM manuals.

LEMON is the spiritual successor to CHARM, I recommend you try it!

Link: lemon-manuals.la or lemon-manuals.org.ua

(Some people have issue connecting. LEMON is investigating. For now, use Firefox or change your DNS server)

Or, hide this message: temporarily or permanently

Heater Core Case: Service and Repair




Heater Unit/Core Replacement

SRS components are located in this area. Review the SRS component locations Locations and the precautions and procedures Service and Repair before doing repair or servicing.

1. Do the battery terminal disconnection procedure.

2. Recover the refrigerant with a recovery/recycling/ charging station A/C Refrigerant Recovery.

3. Disconnect the A/C line from the evaporator core Service and Repair.

4. Remove the air cleaner housing assembly Service and Repair.

5. From under the hood, open the cable clamp (A), then disconnect the heater valve cable (B) from the heater valve arm (C). Turn the heater valve arm to the fully opened position as shown.





6. When the engine is cool, drain the engine coolant from the radiator Service and Repair.

7. Slide the hose clamps (A) back. Remove the nut and the water valve (B), then disconnect the inlet heater hose (C) and the outlet heater hose (D) from the heater unit. Engine coolant will run out when the hoses are disconnected; drain it into a clean drip pan. Be sure not to let coolant spill on the electrical parts or the painted surfaces. If any coolant spills, rinse it off immediately.






8. Remove the mounting nut from the heater unit. Take care not to damage or bend the fuel lines or brake lines, etc.





9. Remove the dashboard Dashboard/Steering Hanger Beam Removal/Installation.

10. Disconnect the connector (A) from the blower motor. Detach the wire harness clip (B).






11. Disconnect the connector (A) from the recirculation control motor.






12. Disconnect the connectors (A) from the mode control motor, the evaporator temperature sensor, and the power transistor. Detach the wire harness clip (B).






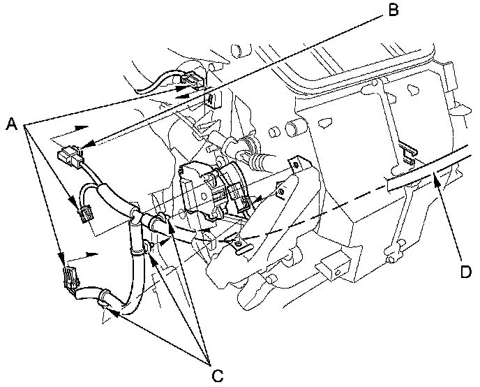
13. Disconnect the connectors (A) from the air mix control motor, the heater core temperature sensor, and the A/C wire harness. Detach the connector clip (B), the wire harness clips (C), and remove the wire harness (D).






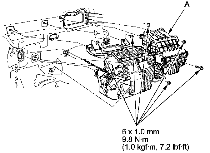
14. Remove the mounting bolt, the mounting nuts, and the blower-heater unit (A).






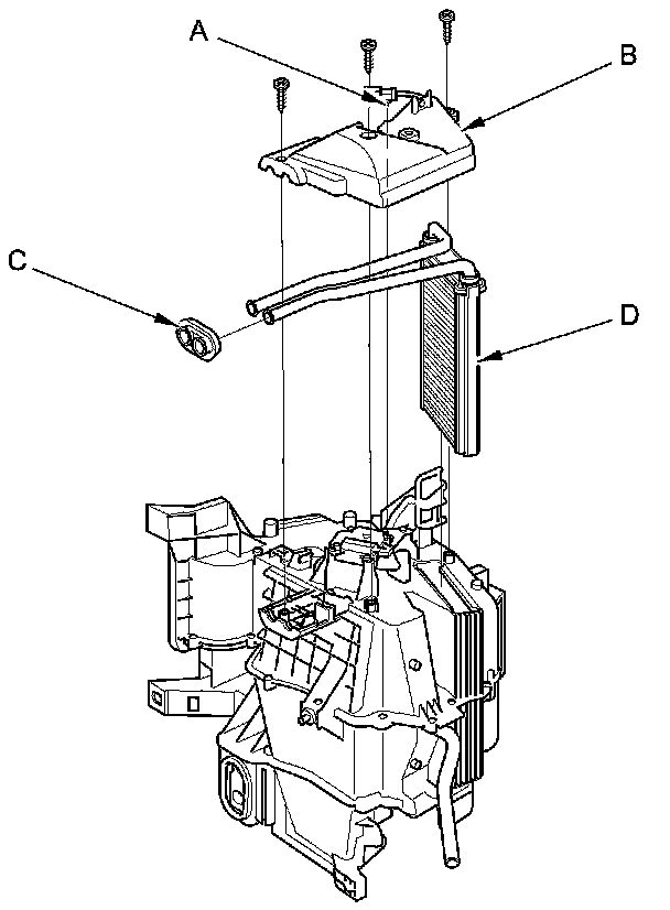
15. Detach the connector clip (A), the self-tapping screws, the heater core cover (B), and the grommet (C), then carefully pull out the heater core (D).






16. Install the heater core, and the evaporator core in the reverse order of removal.

17. Install the heater unit in the reverse order of removal, and note these items:

- Do not interchange the inlet and outlet heater hoses, and install the hose clamps securely.
- Refill the cooling system with engine coolant Service and Repair.
- Adjust the heater valve cable Adjustments.
- Make sure that there is no coolant leakage.
- Make sure that there is no air leakage.
- Do the battery terminal reconnection procedure.
- If the IMA battery level gauge (BAT) displays no segments, start the engine, and hold it between 3,500 rpm and 4,000 rpm without load (in P or N) until the BAT displays at least three segments.