Operation CHARM: Car repair manuals for everyone.
Manuals through 2025 now available!

Our trusted friends have launched a new website named LEMON, which has newer manuals. It also contains all the CHARM manuals.

LEMON is the spiritual successor to CHARM, I recommend you try it!

Link: lemon-manuals.la or lemon-manuals.org.ua

(Some people have issue connecting. LEMON is investigating. For now, use Firefox or change your DNS server)

Or, hide this message: temporarily or permanently

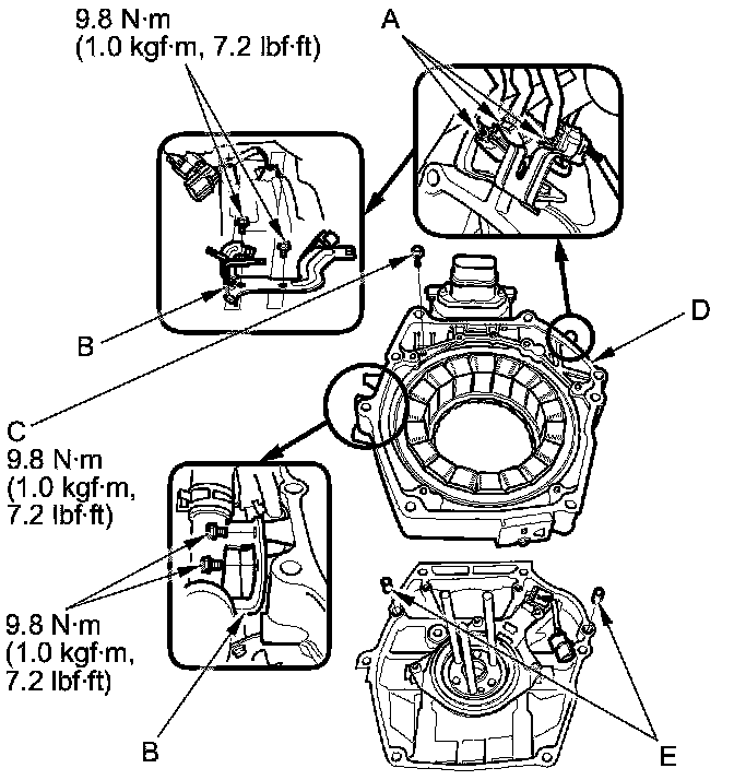
Removal and Replacement




IMA Motor Housing Removal/Installation

1. Remove the IMA motor rotor Service and Repair.

2. Remove the connectors (A) and the stays (B).





3. Remove the bolt (C) and the motor housing (D).

NOTE: Set the dowel pins (E) in the motor housing before installing the motor stator on the engine.

4. Remove the shielded male connector Overhaul.

5. Remove the terminal housing (A), and the stator (B).





6. Install the parts in the reverse order of removal.

7. Install the IMA motor rotor Service and Repair.

8. Do the motor rotor position calibration procedure.