Operation CHARM: Car repair manuals for everyone.
Manuals through 2025 now available!

Our trusted friends have launched a new website named LEMON, which has newer manuals. It also contains all the CHARM manuals.

LEMON is the spiritual successor to CHARM, I recommend you try it!

Link: lemon-manuals.la or lemon-manuals.org.ua

(Some people have issue connecting. LEMON is investigating. For now, use Firefox or change your DNS server)

Or, hide this message: temporarily or permanently

Fuel And Emissions System Description - Electronic Throttle Control System




Fuel and Emissions System Description - Electronic Throttle Control System

Electronic Throttle Control System

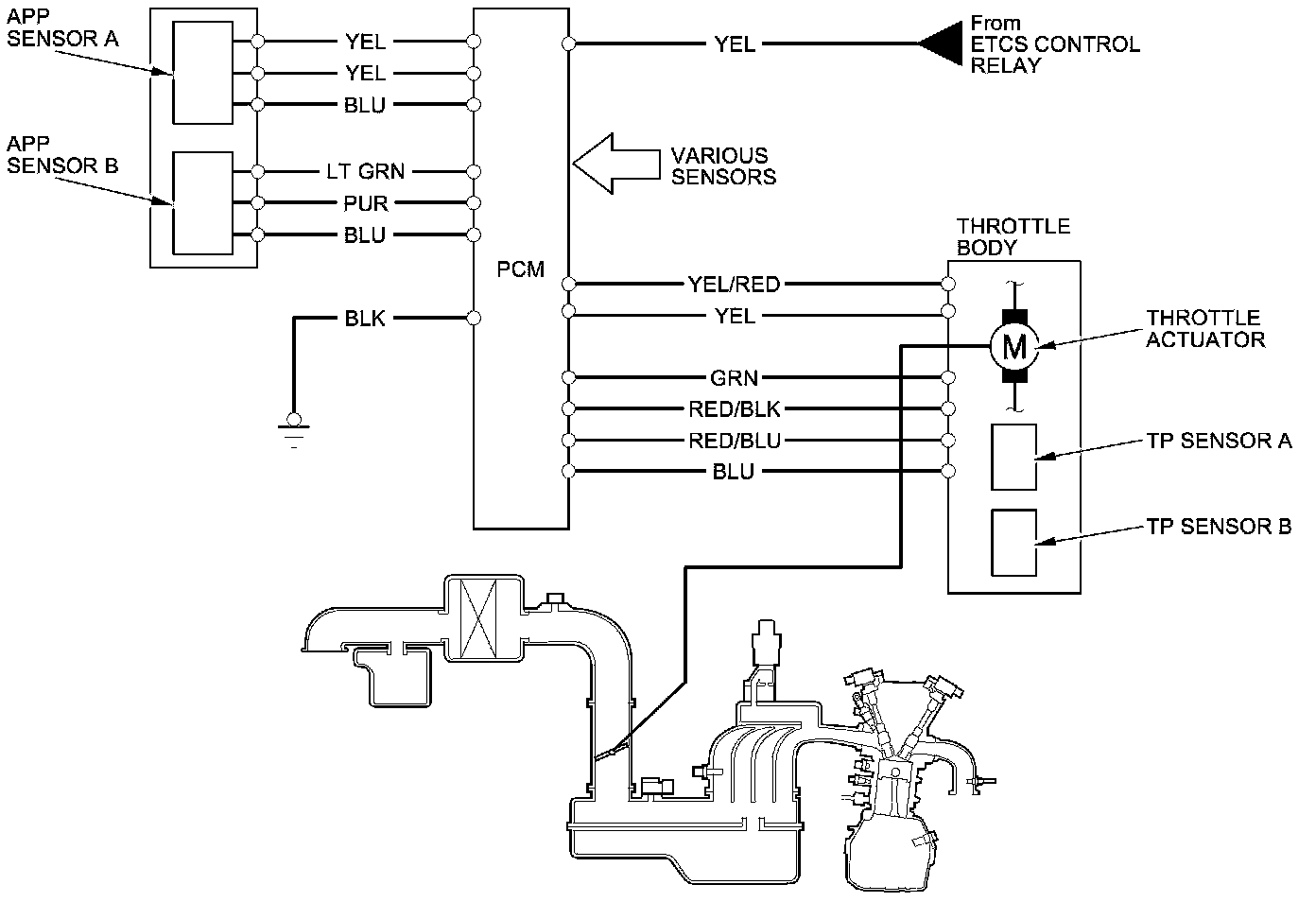
The throttle is electronically controlled system. Refer to the system diagram to see a functional layout of the system.

Idle control: When the engine is idling, the PCM controls the throttle actuator to maintain the proper idle speed according to engine loads.

Acceleration control: When the accelerator pedal is pressed, the PCM opens the throttle valve based on the accelerator pedal position (APP) sensor signal.

Cruise control: The PCM controls the throttle actuator to maintain the set speed when the cruise control is operating. The throttle actuator takes the place of the cruise control actuator.

Accelerator Pedal Position (APP) Sensor

As the accelerator pedal position changes, the sensor varies the signal voltage to the PCM which then control the throttle position.






Throttle Body

The throttle body is a single-barrel side draft type. The lower portion of the throttle valve is heated by engine coolant from the cylinder head to prevent icing of the throttle plate.






Electronic Throttle Control System Diagram

The electronic throttle control system consists of the throttle actuator, throttle position (TP) sensor A/B, accelerator pedal position (APP) sensor A/B, the electronic throttle control system (ETCS) control relay, and the PCM.