Operation CHARM: Car repair manuals for everyone.
Manuals through 2025 now available!

Our trusted friends have launched a new website named LEMON, which has newer manuals. It also contains all the CHARM manuals.

LEMON is the spiritual successor to CHARM, I recommend you try it!

Link: lemon-manuals.la or lemon-manuals.org.ua

(Some people have issue connecting. LEMON is investigating. For now, use Firefox or change your DNS server)

Or, hide this message: temporarily or permanently

Knock Sensor: Service and Repair




Knock Sensor Replacement

1. Remove the front grille cover Front Grille Cover Replacement.

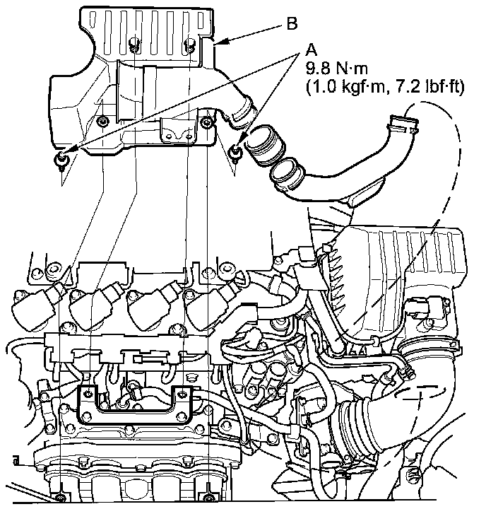
2. Remove the intake air resonator mounting bolts (A), then remove the intake air resonator (B).






3. Remove the three bolts securing the intake manifold bracket B to the intake manifold chamber and the intake manifold, then disconnect the MAP sensor connector (A).






4. Remove the intake air duct (A).






5. Remove the throttle body mounting bolts, and disconnect the connector (A), but leave the coolant hoses, and the EVAP hose connected. Remove the throttle body (B) and its gasket from the intake manifold (C) and set the throttle body aside.

NOTICE
Do not pull or bent the hoses (D) too far, or these hoses will be damaged.






6. Raise the vehicle on a lift.

7. Remove the two bolts and five clips securing the front undercover, then lower the front undercover (from underneath the vehicle).






8. Remove the two bolts (A) connecting the intake manifold bracket (B) to the intake manifold chamber (C), and loosen the third bolt (D).






9. Lower the vehicle on a lift.

10. Remove the three mounting bolts and the two mounting nuts attaching the intake manifold chamber (A) to the intake manifold (B).






11. Disconnect the knock sensor 1P connector (A).





12. Remove the knock sensor (B).

13. Install the knock sensor in the reverse order of removal.

14. Install the parts removed in reverse order of removal with new intake port gaskets, and check that the connectors are correctly installed.