Operation CHARM: Car repair manuals for everyone.
Manuals through 2025 now available!

Our trusted friends have launched a new website named LEMON, which has newer manuals. It also contains all the CHARM manuals.

LEMON is the spiritual successor to CHARM, I recommend you try it!

Link: lemon-manuals.la or lemon-manuals.org.ua

(Some people have issue connecting. LEMON is investigating. For now, use Firefox or change your DNS server)

Or, hide this message: temporarily or permanently

Intake Manifold: Service and Repair




Intake Manifold Removal and Installation

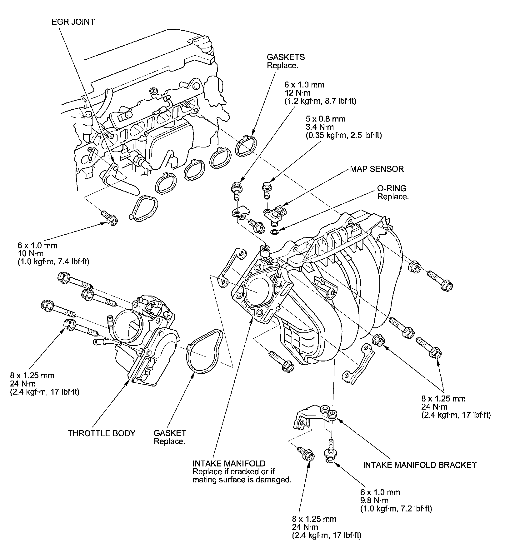
Exploded View





NOTE: Refer to the Exploded View if needed during this procedure.

Removal

1. Remove the cowl cover and the under-cowl panel Service and Repair.

2. Relieve the fuel pressure Service and Repair.

3. Remove the intake air duct.





4. Remove the air cleaner Service and Repair.

5. Remove the injector cover.






6. Disconnect the EVAP canister hose (A), the brake booster vacuum hose (B), and the PCV hose (C), and remove the power steering hose clamp (D).






7. Remove the quick-connect fitting cover (A), then disconnect the fuel feed hose (B) Fuel Line/Quick-Connect Fitting Removal.





8. Disconnect the following engine wire harness connectors, and remove the wire harness clamps from the intake manifold:

- Throttle body connector
- MAP sensor connector
- EVAP canister purge valve connector
- IMT valve actuator connector

9. Disconnect the water bypass hoses, then plug the water bypass hoses.






10. Remove the throttle body.






11. Remove the heater hose clamp bracket.





12. Raise the vehicle on the lift.

13. Remove the intake manifold bracket.





14. Lower the vehicle on the lift.

15. Remove the all intake manifold mounting bolts and nuts, then remove the intake manifold from the cylinder head.






16. Remove the harness clamps, then remove the intake manifold from the vehicle.






Installation

1. Install the harness clamps to the intake manifold.






2. Install the intake manifold (A) with new gaskets (B), and tighten the bolts and nuts in a crisscross pattern in three steps, beginning with the inner bolt.





3. Raise the vehicle on the lift.

4. Install the intake manifold bracket (A).





5. Lower the vehicle on the lift.

6. Install the heater hose clamp bracket.






7. Install the throttle body (A) with a new gasket (B).






8. Connect the water bypass hoses.





9. Connect the following engine wire harness connectors, and install the wire harness clamps to the intake manifold:

- Throttle actuator connector
- MAP sensor connector
- EVAP canister purge valve connector
- IMT valve actuator connector

10. Connect the fuel feed hose (A), then install the quick-connect fitting cover (B) Fuel Line/Quick-Connect Fitting Installation.






11. Connect the EVAP canister hose (A), the brake booster vacuum hose (B), and the PCV hose (C), and install the power steering hose clamp (D).






12. Install the injector cover.






13. Install the intake air duct.





14. Install the air cleaner Service and Repair.

15. Install the cowl cover and the under-cowl panel Service and Repair.

16. Inspect for fuel leaks. Turn the ignition switch to ON (II) (do not operate the starter) so the fuel pump runs for about 2 seconds and pressurizes the fuel line. Repeat this operation three times, then check for fuel leakage at any point in the fuel line.

17. After installation, check that all tubes, hoses, and connectors are installed correctly.

18. Clean up any spilled engine coolant.

19. Refill the radiator with engine coolant, and bleed the air from the cooling system Service and Repair.