Operation CHARM: Car repair manuals for everyone.
Manuals through 2025 now available!

Our trusted friends have launched a new website named LEMON, which has newer manuals. It also contains all the CHARM manuals.

LEMON is the spiritual successor to CHARM, I recommend you try it!

Link: lemon-manuals.la or lemon-manuals.org.ua

(Some people have issue connecting. LEMON is investigating. For now, use Firefox or change your DNS server)

Or, hide this message: temporarily or permanently

Electronic Brake Control Module: Service and Repair




ABS Modulator-Control Unit Removal and Installation

NOTICE
Do not spill brake fluid on the vehicle; it may damage the paint; if brake fluid gets on the paint, wash it off immediately with water.

NOTE:

- Be careful not to damage or bend the brake lines during removal and installation.
- To prevent the brake fluid from dripping, plug and cover the hose ends and joints with a shop towel.

Removal

1. Turn the ignition switch to LOCK (0).

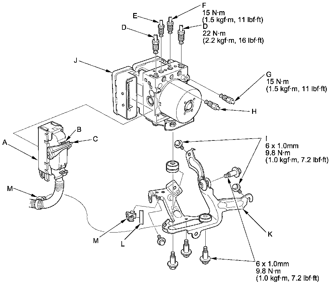
2. Disconnect the ABS modulator-control unit 47P connector (A) by pushing the lock (B) and pulling down the lever (C); the connector disconnects itself.





3. Disconnect the six brake lines from the ABS modulator-control unit.

NOTE: Brake lines are connected to the master cylinder (D) and to the left-front (E), the right-front (F), the left-rear (G), and the right-rear (H) brake systems.

4. Remove the 6 x 16mm flange bolt (I), then remove the ABS modulator-control unit (J) with the bracket (K) from the body.

5. Remove the receiver line (L) from the bracket, then remove the clips (M).

6. Remove the ABS modulator-control unit from the bracket.

Installation

1. Install the ABS modulator-control unit onto the bracket.

2. Install the bracket with the ABS modulator-control unit to the body.

3. Reconnect the six brake lines, then tighten the flare nuts to the specified torque.

4. Align the connecting surface of the ABS modulator-control unit 47P connector to the ABS modulator-control unit.

5. Pull up the lever of the ABS modulator-control unit 47P connector, then confirm the connector is fully seated.

6. Bleed the brake system Service and Repair.

7. Start the engine, and check that the ABS, and the brake system indicators (amber) go off.

8. Test-drive the vehicle, and make sure that the ABS, and the brake system indicators (amber) does not come on.

NOTE: If the brake pedal is spongy, there may be air trapped in the modulator which could then be induced into the normal brake system during modulation. Bleed the brake system again Service and Repair.