Operation CHARM: Car repair manuals for everyone.
Manuals through 2025 now available!

Our trusted friends have launched a new website named LEMON, which has newer manuals. It also contains all the CHARM manuals.

LEMON is the spiritual successor to CHARM, I recommend you try it!

Link: lemon-manuals.la or lemon-manuals.org.ua

(Some people have issue connecting. LEMON is investigating. For now, use Firefox or change your DNS server)

Or, hide this message: temporarily or permanently

Intake Manifold: Service and Repair




Intake Manifold Removal and Installation

Exploded View





Removal

1. Remove the engine cover.






2. Remove the air cleaner Service and Repair.

3. Remove the engine wire harness connectors and wire harness clamps from the intake manifold:

- Throttle actuator connector
- MAP sensor connector
- EGR valve connector
- EVAP canister purge valve connector

4. Remove the brake booster vacuum hose (A) and the EVAP canister hose (B).






5. Remove the EVAP canister purge hose.






6. Remove the throttle body without disconnecting the water bypass hoses.






7. Remove the harness holder (A) from the intake manifold.





8. Remove the PCV hose (B).

9. Remove the dipstick.

10. Remove the intake manifold bracket mounting bolts.






11. Remove the intake manifold (A).






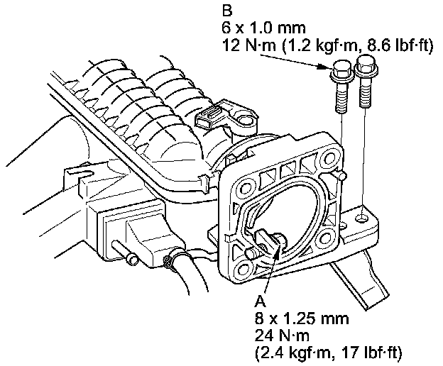
12. Remove the EGR plate (B).

13. Disassemble the intake manifold.

NOTE: Refer to the Exploded View if needed during this procedure.

Installation

1. Reassemble the intake manifold.

NOTE: Refer to the Exploded View if needed during this procedure.

2. Install the EGR plate (A) with a new gasket (B).





3. Install the intake manifold (C) with new gaskets (D), and tighten the bolts/nuts in a crisscross pattern in three steps, beginning with the inner bolt.

4. Loosen the intake manifold bracket mounting bolt (A). Tighten the mounting bolts (B), then tighten the mounting bolt (A).






5. Install the throttle body (A) with a new gasket (B).





6. Install the dipstick.

7. Install the PCV hose (A) and the harness holder (B).






8. Install the EVAP canister purge hose (A).






9. Install the brake booster vacuum hose (A) and the harness clamp (B).





10. Install the engine wire harness connectors and the wire harness clamps to the intake manifold:

- Throttle actuator connector
- MAP sensor connector
- EGR valve connector
- EVAP canister purge valve connector

11. Install the air cleaner Service and Repair.

12. Install the engine cover.