Operation CHARM: Car repair manuals for everyone.
Manuals through 2025 now available!

Our trusted friends have launched a new website named LEMON, which has newer manuals. It also contains all the CHARM manuals.

LEMON is the spiritual successor to CHARM, I recommend you try it!

Link: lemon-manuals.la or lemon-manuals.org.ua

(Some people have issue connecting. LEMON is investigating. For now, use Firefox or change your DNS server)

Or, hide this message: temporarily or permanently

Engine Installation




Engine Installation

Special Tools Required

- Universal Lifting Eyelet 07AAK-SNAA120
- Engine Support Hanger, A and Reds AAR-T1256
*Available through the Honda Tool and Equipment Program 888-424-6857

NOTE: IMA components are located in this area. The IMA is a high-voltage system. You must be familiar with the IMA system before working on or around it. Make sure you have read the IMA service precaution before doing repairs or service High Voltage Safety.

1. Raise the vehicle on the lift, and position the engine/IMA motor/transmission under the vehicle. Be sure that they are properly aligned. Carefully lower the vehicle until the engine/IMA motor/transmission are properly positioned in the engine compartment. Make sure the vehicle is not resting on any part of the engine/IMA motor/transmission. Support the engine/IMA motor/transmission with a chain hoist (A) and carefully raise the engine/IMA motor/transmission into place.

NOTE:

- Attach the first universal lifting eyelet (B) to the cam chain case.
- Reinstall the mounting bolts and support nuts in the sequence given in the following steps. Failure to follow this sequence may cause excessive noise and vibration, and reduce engine mount life.
- Wrap the VSA modulator-control unit with the clean shop towel.





2. Install the side engine mount/bracket assembly (A), then tighten the new side engine mount/bracket assembly mounting bolts (B).





3. Loosely install the new side engine mount/bracket assembly mounting nuts (C).

4. Install the ground cable (D).

5. Install the transmission mount bracket (A), and loosely install the new transmission mount bracket mounting bolts (B) and nuts (C).





6. Install the harness holders (D).

7. Attach the second universal lifting eyelet (A) to the air cleaner bracket hole (B) with a bolt (C) and a nut (D).






8. Install the engine support hanger (AAR-T1256), then attach the hook (A) to the slotted hole in the second universal lifting eyelet (B). Tighten the wing nut (C) by hand to lift and support the engine/IMA motor/transmission.






9. Remove the chain hoist from the engine/IMA motor/transmission.

10. Remove the first universal lifting eyelet from the cam chain case.





11. Raise the vehicle on the lift.

12. Support the front subframe with a transmission jack and wood block under the front subframe.

13. Install the front subframe, then tighten the new front subframe mounting bolts in the numbered sequence shown.

NOTE:

- Be sure that the pinion shaft grommet is in place securely. Make sure the pinion shaft grommet is not turned up. Incorrect installation can cause leakage of water or mud, and noise.
- Take care not to damage the lower arm ball joint boot with the edge of the knuckle, etc.





14. Remove the transmission jack and wood block from the front subframe.

15. Support the transmission with a transmission jack and wood block under the transmission.

16. Install the torque rod (A). Install the bolt with the tab (B) on the bolt head aligned with the guide (C) on the front subframe, then loosely install the new torque rod mounting bolt and nut (D).

NOTE: Be sure to install the torque rod with the "UP" mark facing up.





17. Remove the transmission jack and wood block from under the transmission.

18. Lower the vehicle on the lift.

19. Remove the engine support hanger, and install the harness clamp in its bracket location in front of the left damper top.

20. Remove the second universal lifting eyelet (A), and install the canister purge hose (B).






21. Tighten the side engine mount/bracket assembly mounting nuts.






22. Tighten the transmission mount mounting bolts and nuts in the numbered sequence shown.





23. Raise the vehicle on the lift.

24. Tighten the torque rod mounting bolt and nut in the numbered sequence shown.






25. Install the driveshafts Driveshaft Installation.

26. Install the driveshaft heat shield.





27. Connect the EPS motor connector and torque sensor connector.

28. Connect the tie-rod end ball joints to the knuckles.

29. Connect the lower arms to the knuckles.

30. Install the stabilizer links to the stabilizer Service and Repair.

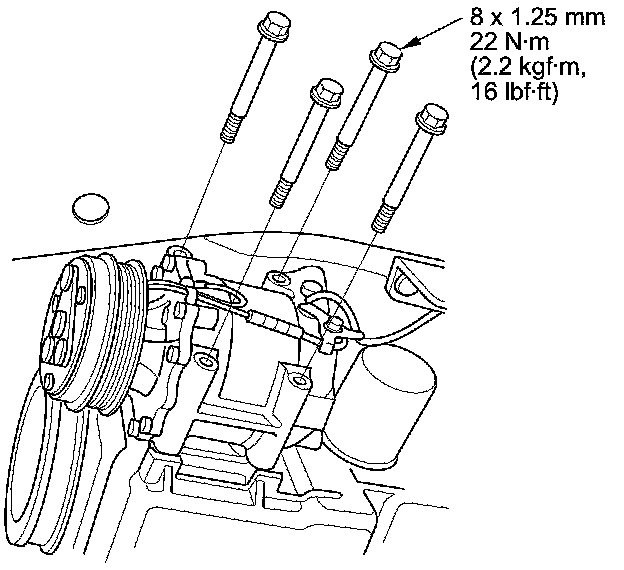
31. Install the A/C compressor.






32. Install the under-floor TWC (A) and the harness clamp (B).

NOTE: Use new gaskets (C) and new self-locking nuts (D).






33. Install the splash shield Splash Shield Replacement.

34. Lower the vehicle on the lift.

35. Connect the IMA power cable connector and harness clamp.

NOTE: Make sure you have read the IMA system service precautions High Voltage Safety.





36. Install the shift cable Service and Repair.

37. Install the heater hoses (A).





38. Install the drive belt Service and Repair.

39. Install the radiator Radiator Replacement.

40. Install the steering joint to the steering gearbox pinion shaft.

41. Remove the steering wheel holder tool.

42. Install the steering joint cover.

43. Connect the secondary HO2S connector (A), then install the secondary HO2S harness to the clamps (B).






44. Connect the fuel feed hose (A) Fuel Line/Quick-Connect Fitting Installation, then install the quick-connect fitting cover (B) and the fuel feed hose clamp bracket (C).






45. Install the EVAP canister hose (A) and the brake booster vacuum hose (B).






46. Install the PCM (A), then install the harness holder (B) and the harness clamp (C).





47. Connect the engine wire harness connectors (D) and the PCM connectors (E).

48. Install the PCM cover (A).






49. Install the battery base (A), then install the harness clamp (B).






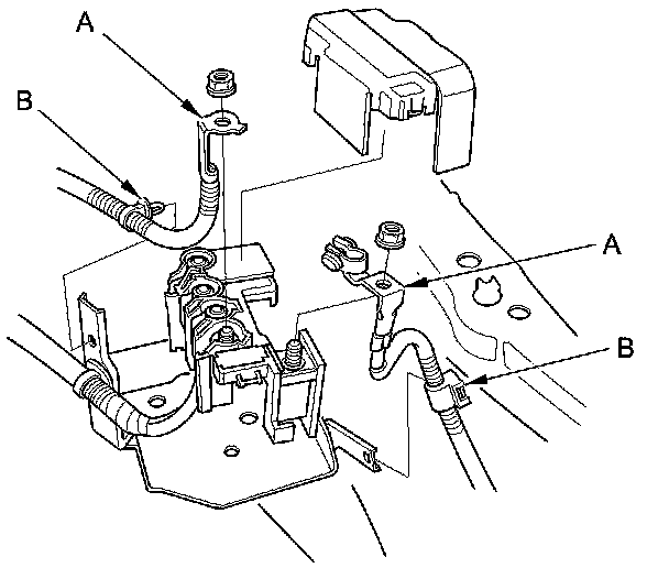
50. Connect the battery cables (A) to the battery terminal fuse box.






51. Install the harness clamps (B).

52. Install the front wheels.

53. Install the cowl cover and the under-cowl panel Service and Repair.

54. Do the 12 volt battery installation procedure.

55. Turn the battery module switch ON.

56. Refill the transmission with CVT fluid (CVTF) CVT Fluid Replacement.

57. Install the air cleaner Service and Repair.

58. Move the shift lever to each gear, and verify that the A/T gear position indicator follows the transmission range switch.

59. Inspect for fuel leaks. Turn the ignition switch to ON (II) (do not operate the starter) so the fuel pump runs for about 2 seconds and pressurizes the fuel line. Repeat this operation three times, then check for fuel leakage at any point in the fuel line.

60. Refill the radiator with engine coolant, and bleed air from the cooling system.

61. Refill the engine with engine oil.

62. Do the PCM reset procedure.

63. Do the CKP pattern clear/CKP pattern learn procedure.

64. Inspect the idle speed Testing and Inspection.

65. Inspect the ignition timing Testing and Inspection.