Operation CHARM: Car repair manuals for everyone.
Manuals through 2025 now available!

Our trusted friends have launched a new website named LEMON, which has newer manuals. It also contains all the CHARM manuals.

LEMON is the spiritual successor to CHARM, I recommend you try it!

Link: lemon-manuals.la or lemon-manuals.org.ua

(Some people have issue connecting. LEMON is investigating. For now, use Firefox or change your DNS server)

Or, hide this message: temporarily or permanently

IPU Case Removal/Installation




IPU Case Removal/Installation

IMA components are located in this area. The IMA is a high-voltage system. You must be familiar with the IMA system before working on or around it. Make sure you have read the IMA service precautions before doing repairs or service.

1. Make sure the ignition switch to LOCK (0).

2. Do the 12 volt battery terminal disconnection procedure.

3. Remove the IPU module air duct IPU Module Air Duct Removal/Installation.

4. Remove the IPU cover IPU Cover Removal/Installation.

5. Remove the PCU lid.

6. Remove the IMA motor power cables (A).

NOTE: Check the position of the U phase, the V phase, and the W phase cables before disconnecting them.





7. Remove the DC-DC converter cable (B), and wrap it with insulating tape.

8. Disconnect the connectors (A, B).






9. Remove the terminal (C).

10. Remove the bolts (D) and the IPU assembly (E).

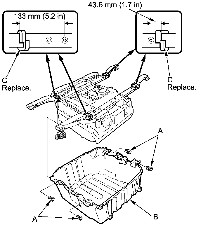
11. Remove the clips (A) and the IPU case (B).

NOTE: The IPU frame seals (C) must be replaced with new ones when the IPU case is removed.






12. Install the parts in the reverse order of removal.

13. Do the 12 volt battery terminal reconnection procedure.