Operation CHARM: Car repair manuals for everyone.
Manuals through 2025 now available!

Our trusted friends have launched a new website named LEMON, which has newer manuals. It also contains all the CHARM manuals.

LEMON is the spiritual successor to CHARM, I recommend you try it!

Link: lemon-manuals.la or lemon-manuals.org.ua

(Some people have issue connecting. LEMON is investigating. For now, use Firefox or change your DNS server)

Or, hide this message: temporarily or permanently

Hybrid Systems - IMA Battery Module/Junction Board Transfer

12-048

November 1, 2012

Applies To:
2003-11 Civic Hybrid - ALL
2011-12 CR-Z-ALL
2000-06 Insight - ALL
2010-12 Insight - ALL

Junction Board Replacement

(IMA Battery Module Replacement and Transfer of Junction Board)

(Supersedes 12-048, dated October 5, 2012, to revise the information marked by the black bars)

NOTE:
You must be fully certified in the Electrical Fundamentals map, and have completed training modules MAC 10 and 12 in the Electrical Systems map, in order to do junction board and IMA battery module replacements.

REVISION SUMMARY

*Under REPAIR PROCEDURE, torque specifications were added, and a step was deleted for 2009-11 Civic.*

BACKGROUND

American Honda is no longer shipping IMA replacement batteries with junction boards attached. The junction board will now need to be removed from the old IMA battery and installed onto the new battery before the battery is installed into the vehicle.

When the junction board is attached, no high voltage is accessible by the technician. However, the removal and replacement of the junction board will expose the technician to high voltage parts of the IMA battery that cannot be shut off.

The IMA battery module (a nickel metal hydride battery) is made up of a number of individual cells wired in series. (The number of cells varies with the vehicle model and year.) All models break the module into two parts, with each part including several packs" of cells. Each part includes individual positive and negative connections. Terminals on the junction board (two positive, two negative) combine these connections to form a complete IMA battery assembly.

When replacing a junction board on an IMA battery, the technician will be exposed to high voltage at the four terminal connections. Specifically, a significant potential for electric shock exists in each half of the battery between the positive and negative terminal connections.

NOTE:
Do not use power tools when working on the IMA battery or junction board. The bolt threads can be easily damaged with power tools, and the excessive torque may also damage the battery itself.

Safety Equipment

The process of junction board replacement is not difficult, but it can expose you to high voltage electricity, which if you are not using the proper safety equipment, will kill or injure you. Therefore, special safety high voltage insulated gloves are required when working on the four electrical connections. The high voltage insulated gloves are marked with an inspection date. Their first use can be no later than 12 months from the inspection date, or else recertification is required (per OSHA 1910.137). The gloves must be recertified by an accredited laboratory every 6 months after their first use. For more information on how and where to get the high voltage insulated gloves recertified, go to:
wwww.nail4pet.org.

The gloves should always be used with the leather outer protector gloves to protect the inner gloves from damage. Prior to each use the gloves should be inspected for any damage such as tears, holes, or chemical damage. The rubber and leather gloves should not be exposed to any cleaning solvents, gasoline, or other chemicals, and they should be stored in the high voltage insulated glove bag. If used properly, the gloves should protect the technician from electrical shock if accidental contact with a positive and a negative IMA battery connection occurs.

Insulated tools are available through the Honda Tool and Equipment Program, or commercially. The primary purpose of an insulated tool is to protect the technician from an accidental short from a positive to negative IMA battery connection due to contact with the tool. An accidental short with non-insulated tools would result in high, uncontrolled current and could possibly melt the tool and the battery, but could also result in molten metal flying out and potentially injuring the technician.

Junction Board Components

In addition to junction board replacement, some junction board components may now be replaced. Service manual troubleshooting procedures have been revised online to identify when these components require replacement. If a junction board component needs replacement, first remove the junction board from the IMA battery. Once the junction board has been removed, no special tools are required to replace the junction board components.

TOOL INFORMATION

SOFTWARE INFORMATION

The replacement IMA battery may have a battery code label that indicates it is the new IMA battery type. The existing vehicle's IMA software is not compatible with a new IMA battery. After the replacement IMA battery is installed, the vehicle's IMA BCM software must be updated to match the replacement battery type.

WARRANTY CLAIM INFORMATION





The normal warranty applies.

Failed Part: 1D010-RMX-A02

Defect Code: 03214

Symptom Code: 03217

NOTE:
You must be fully certified in the Electrical Fundamentals map, and have completed training modules MAC 10 and 12 in the Electrical Systems map, in order to do junction board and IMA battery module replacements.

REPAIR PROCEDURE

2003-05 Civic Hybrid

NOTE:
Make sure the ON/OFF switch on the top of the junction board is in the OFF position before beginning this procedure.

1. Remove the IMA battery module assembly from the vehicle.





2. While wearing high voltage insulated gloves, remove the four electrical terminal covers and bolts.

NOTE:
Insulated tools are recommended when removing the bolts.

3. Remove the six junction board bolts.

4. Remove the junction board from the old battery.

5. While wearing high voltage insulated gloves, transfer the four spacers located between the four junction board connections from the old battery to the new battery.

NOTE:

^ Insulated tools are recommended when transferring the spacers.





^ You may notice a blue/yellow wire in red insulation on the battery. If it is cut, do not repair it it is intentionally cut and will set a code if repaired.

6. Install the junction board onto the new battery.

7. Install the junction board bolts, and torque them to 7 N.m (61 lbf-in).

*8. While wearing high voltage insulated gloves, install the electrical terminal bolts, and torque them to 8 N.m (70 lbf-in). Then, install the terminal covers.*

NOTE:
Insulated tools are recommended when installing the bolts.

9. Install the new IMA battery module assembly into the vehicle.

10. Make sure the vehicle's software matches the newly installed IMA battery.

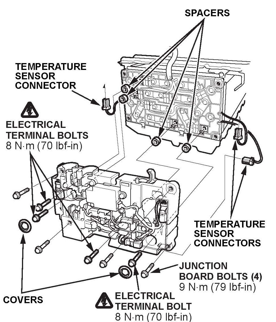
2006-08 Civic Hybrid

NOTE:
Make sure the ON/OFF switch on the top of the junction board is in the OFF position before beginning this procedure.

1. Remove the IMA battery module assembly from the vehicle.

2. While wearing high voltage insulated gloves, remove the four electrical terminal covers and bolts.





NOTE:
Insulated tools are recommended when removing the bolts.

3. Disconnect the three 2-pin temperature sensor connectors and slide the wires out and to the side of the junction board.

4. Remove the four junction board bolts.

5. Remove the junction board from the old battery.

6. While wearing high voltage insulated gloves, transfer the four spacers located between the four junction board connections from the old battery to the new battery.

NOTE:
Insulated tools are recommended when transferring the spacers.

7. Install the junction board onto the new battery.

8. Install the junction board bolts, and torque them to 9 N.m (79 lbf-in).

9. While wearing high voltage insulated gloves, install the electrical terminal bolts, and torque them to 8 N.m (70 lbf-in). Then, install the terminal covers.

NOTE:
Insulated tools are recommended when installing the bolts.

10. Reconnect the three 2-pin temperature sensor connectors.

11. Install the new IMA battery module assembly into the vehicle.

12. Make sure the vehicle's software matches the newly installed IMA battery.

2009-11 Civic Hybrid

NOTE:
Make sure the ON/OFF switch on the top of the junction board is in the OFF position before beginning this procedure.

1. Remove the IMA battery module assembly from the vehicle.





2. Disconnect the 3-pin contactor connector.

3. Disconnect the 4-pin battery current sensor connector.

4. Remove the 12-pin junction board connector from the junction board.

5. While wearing high voltage insulated gloves, remove the four electrical terminal covers and bolts.

NOTE:
Insulated tools are recommended when removing the bolts.

6. Remove the junction board bolts.

7. Remove the junction board from the old battery.

8. Install the junction board onto the new battery.

9. Install the junction board bolts, and torque them to 8 N.m (70 lbf-in).

10. While wearing high voltage insulated gloves, install the electrical terminal bolts, and torque them to 9 N.m (79 lbf-in). Then, install the terminal covers.

NOTE:
Insulated tools are recommended when installing the bolts.

11. Install the 12-pin junction board connector.

12. Reconnect the 4-pin battery current sensor connector.

13. Reconnect the 3-pin contactor connector.

14. Install the new IMA battery module assembly into the vehicle.

15. Make sure the vehicle's software matches the newly installed IMA battery.

2011-12 CR-Z
2010-12 Insight

NOTE:
Make sure the ON/OFF switch on the top of the junction board is in the OFF position before beginning this procedure.

1. Remove the IMA battery module assembly from the vehicle.





2. Release the clips holding the motor control module (MCM) wire from the metal frame.

3. Disconnect the 3-pin contactor connector.

4. Disconnect the 4-pin battery current sensor connector.

5. While wearing high voltage insulated gloves, remove the four electrical terminal covers and bolts.

NOTE:
Insulated tools are recommended when removing the bolts.

6. Remove the junction board bolts.

7. Remove the junction board from the old battery.

8. Remove the metal IPU frame from the top of the old battery and the small metal bracket from the side of the junction board, and transfer them to the new battery.

9. Install the junction board onto the new battery.

10. Install the junction board bolts, and torque them to 9.8 N.m (86 lbf-in).

11. While wearing high voltage insulated gloves, install the electrical terminal bolts, and torque them to 7.7 N.m (68 lbf-in). Then, install the terminal covers.

NOTE:
Insulated tools are recommended when installing the bolts.

12. Reconnect the 4-pin battery current sensor connector.

13. Reconnect the 3-pin contactor connector.

14. Reattach the clips holding the motor control module (MCM) wire to the metal frame.

15. Install the new IMA battery module assembly into the vehicle.

16. Make sure the vehicle's software matches the newly installed IMA battery.

2000-06 Insight

NOTE:
Make sure the ON/OFF switch on the top of the junction board is in the OFF position before beginning this procedure.

1. Remove the IMA battery module assembly from the vehicle.





2. Remove the cooling fan and air duct from the old battery and transfer it to the new battery.

3. While wearing high voltage insulated gloves, remove the four electrical terminal covers and bolts.

NOTE:
Insulated tools are recommended when removing the bolts.

4. Remove the junction board bolts.

5. Remove the junction board from the old battery.

6. While wearing high voltage insulated gloves, transfer the four spacers located between the four junction board connections from the old battery to the new battery.

NOTE:
Insulated tools are recommended when transferring the spacers.

7. Install the junction board onto the new battery.

8. Install the junction board bolts, and torque them to 7 N.m (61 lbf-in).

*9. While wearing high voltage insulated gloves, install the four electrical terminal bolts, and torque them to 8 N.m (70 lbf-in). Then, install the terminal covers.*

NOTE:
Insulated tools are recommended when installing the bolts.

10. Install the new IMA battery module assembly into the vehicle.

11. Make sure the vehicle's software matches the newly installed IMA battery.





Disclaimer