Operation CHARM: Car repair manuals for everyone.
Manuals through 2025 now available!

Our trusted friends have launched a new website named LEMON, which has newer manuals. It also contains all the CHARM manuals.

LEMON is the spiritual successor to CHARM, I recommend you try it!

Link: lemon-manuals.la or lemon-manuals.org.ua

(Some people have issue connecting. LEMON is investigating. For now, use Firefox or change your DNS server)

Or, hide this message: temporarily or permanently

Shift Lock Stop/Shift Lock Stop Cushion Replacement




Shift Lock Stop/Shift Lock Stop Cushion Replacement

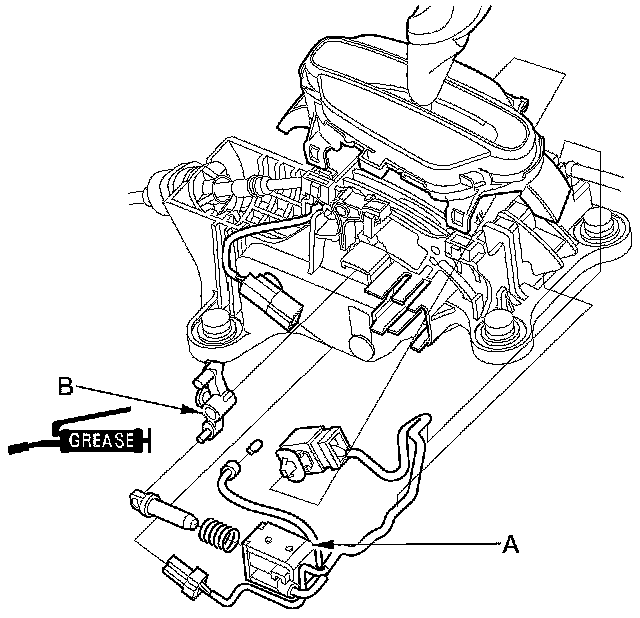
NOTE: Make sure not to get any silicone grease on the terminal part of the connectors and switches, especially if you have silicone grease on your hands or gloves.

1. Remove the center console Center Console Removal/Installation.

2. Remove the shift lock solenoid assembly (A) Service and Repair.





3. Remove the shift lock stop/stop cushion (B), and replace them as an assembly.

4. Install the shift lock solenoid assembly Service and Repair.

5. Install the center console Center Console Removal/Installation.