Operation CHARM: Car repair manuals for everyone.
Manuals through 2025 now available!

Our trusted friends have launched a new website named LEMON, which has newer manuals. It also contains all the CHARM manuals.

LEMON is the spiritual successor to CHARM, I recommend you try it!

Link: lemon-manuals.la or lemon-manuals.org.ua

(Some people have issue connecting. LEMON is investigating. For now, use Firefox or change your DNS server)

Or, hide this message: temporarily or permanently

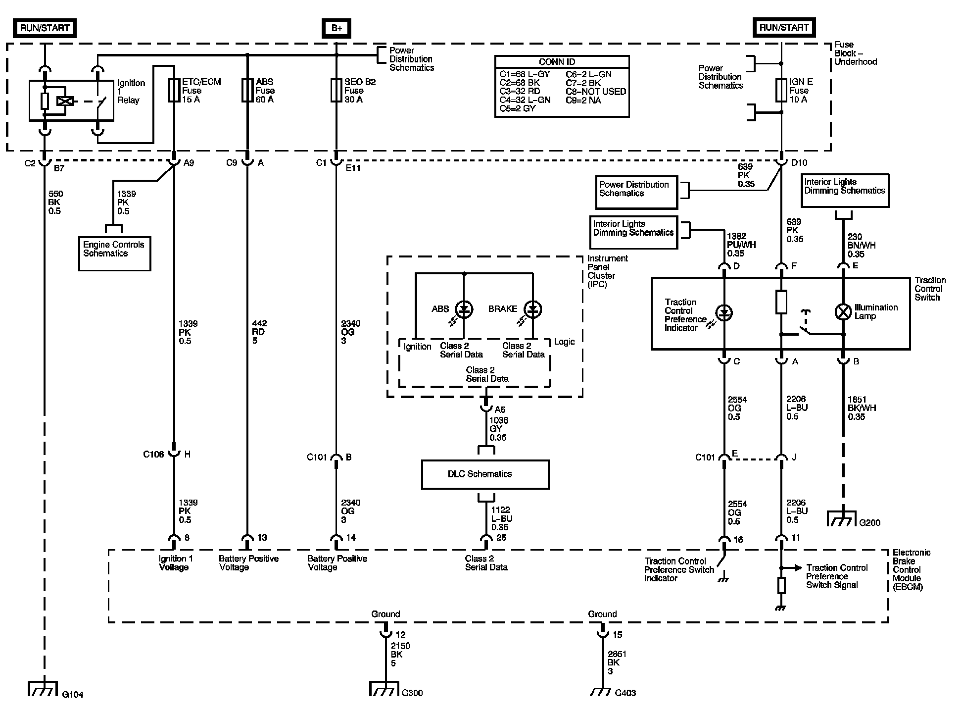
Antilock Brakes / Traction Control Systems



ABS SCHEMATICS

ABS Schematics (Part 1):




Power, Ground, Serial Data, Indicator, and Traction Controls

ABS Schematics (Part 2):




Stop Lamp Switch and Longitudinal Accelerometer Signals

ABS Schematics (Part 3):




Wheel Speed Sensor Signals


Locations: The locations for the Connectors, Grounds, Splices, and Grommets shown within these diagrams can be found via their numbers at Vehicle Locations. Locations