Manuals through 2025 now available!
Our trusted friends have launched a new website named LEMON, which has newer manuals. It also contains all the CHARM manuals.
LEMON is the spiritual successor to CHARM, I recommend you try it!
Link:
lemon-manuals.la or
lemon-manuals.org.ua
(Some people have issue connecting. LEMON is investigating. For now, use Firefox or change your DNS server)
Or, hide this message:
temporarily or
permanently
Electrical Diagrams
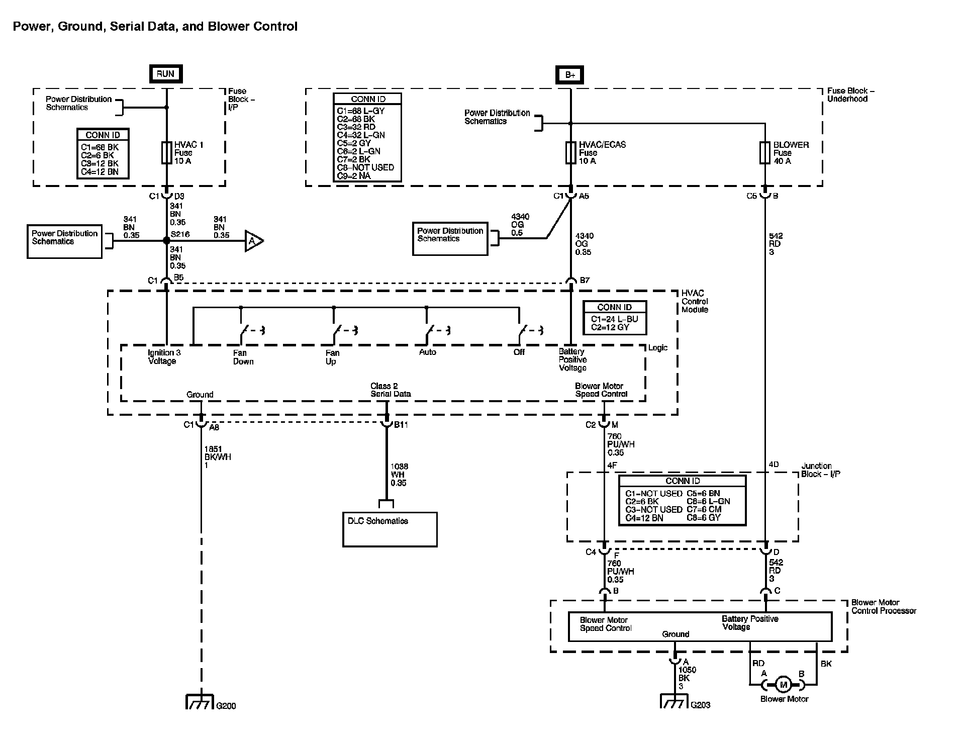
HVAC Diagram 1:
HVAC Diagram 2:
HVAC Diagram 3:
HVAC Diagram 4:
HVAC Diagram 5:
Location: The locations for the Connectors, Grounds, Splices, and Grommets shown within these diagrams can be found via their numbers at Vehicle Locations.
Locations