Operation CHARM: Car repair manuals for everyone.
Manuals through 2025 now available!

Our trusted friends have launched a new website named LEMON, which has newer manuals. It also contains all the CHARM manuals.

LEMON is the spiritual successor to CHARM, I recommend you try it!

Link: lemon-manuals.la or lemon-manuals.org.ua

(Some people have issue connecting. LEMON is investigating. For now, use Firefox or change your DNS server)

Or, hide this message: temporarily or permanently

General System Information

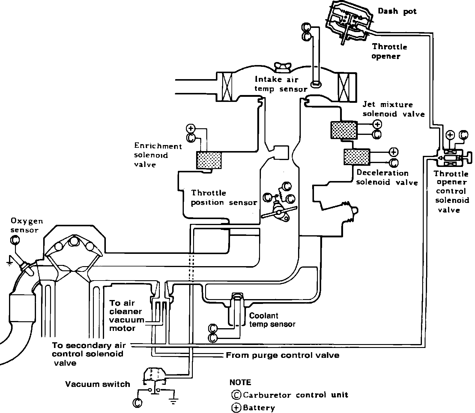
Fig. 1 Feedback carburetor system.:





The Feedback Carburetor System, Fig. 1, provides the capability to perform closed loop fuel control, in addition to controlling the secondary air, deceleration spark control and throttle opener systems.
The carburetor includes special design features to obtain optimum air/fuel mixtures during all engine operating modes. Fuel metering is accomplished through the use of three solenoid operated valves (jet mixture, enrichment and deceleration solenoids) which add or reduce fuel to the engine as necessary. The activation of the valves is controlled by the length of time current is supplied to the solenoids. The solenoid valves operate at a fixed frequency. By varying the amount of time the solenoids are energized during each cycle (duty cycle), the air/fuel mixture delivered to the engine can be precisely monitored. The duty cycle to the solenoids is controlled by the electronic control unit (ECU) in response to signals received from various sensors.