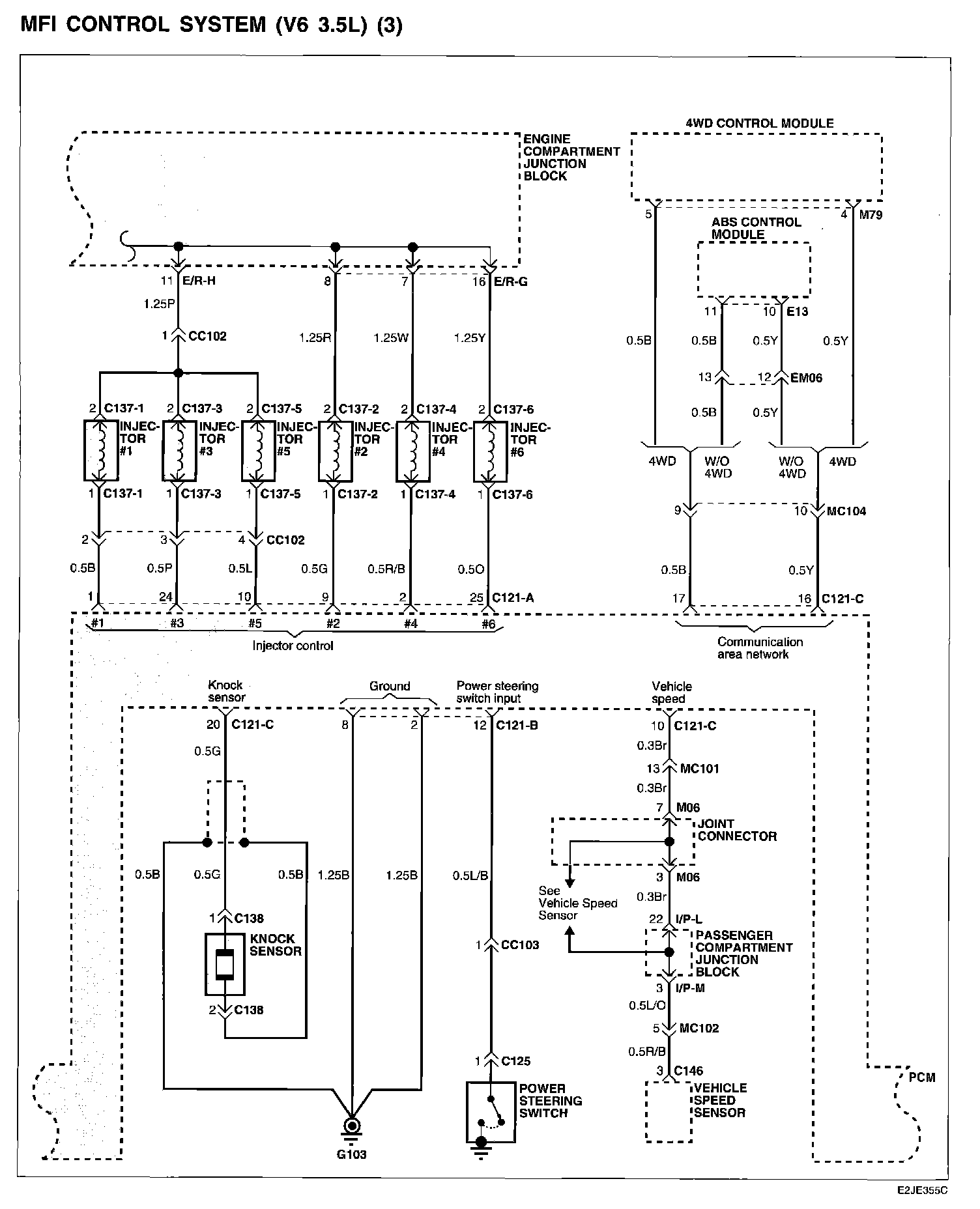
MFI Control System (3)
MFI Control System (V6 3.5L) (3):
Next Diagram MFI Control System (4)
Previous Diagram MFI Control System (2)
Connector/Component Locations: The locations of connectors and components referred to within these diagrams can be found via the connector number at Vehicle Connector Locations. Connector Locations
Ground Locations: The locations of grounds referred to within these diagrams can be found via the ground number at Vehicle Ground Locations. Ground Locations