Operation CHARM: Car repair manuals for everyone.
Manuals through 2025 now available!

Our trusted friends have launched a new website named LEMON, which has newer manuals. It also contains all the CHARM manuals.

LEMON is the spiritual successor to CHARM, I recommend you try it!

Link: lemon-manuals.la or lemon-manuals.org.ua

(Some people have issue connecting. LEMON is investigating. For now, use Firefox or change your DNS server)

Or, hide this message: temporarily or permanently

Windshield Washer Motor: Service and Repair





Inspection

1. With the washer motor connected to the reservoir tank, fill the reservoir tank with water.

NOTE:
Before filling the reservoir tank with water, check the filter for foreign material or contamination. if necessary, clean the filter.

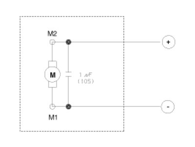
2. Connect positive (+) battery cables to terminal 1 and negative (-) battery cables to terminal 2 respectively.
3. Check that the motor operates normally and the washer motor runs and water sprays from the front nozzles.
4. If they are abnormal, replace the washer motor.
Connector No.1 : Windshield washer(+),
2 : Ground









Washer Fluid Level Sensor Switch
1. Disconnect the negative(-) battery terminal.
2. Drain the washer fluid less than 650 cc.
3. Check for continuity between the No. 1 and No.2 terminal in each float position.
There should be continuity when the float is down.
There should be no continuity when the float is up.
4. If the continuity is not as specified, replace the washer fluid level switch.










Removal

CAUTION:
- When servicing the washer pump, be careful not to damage the washer pump seal.
- Do not operate the washer pump before filling the washer reservoir.
Failure to do so could result in premature pump failure.

1. Disconnect the negative (-) battery terminal.
2. Remove the front bumper.

3. Remove the washer hose and disconnect the washer motor connector (A) and level sensor connector (B).




4. Remove the washer motor (A).





NOTE:
- Washer fluid may flow out of the opening of reservoir.

5. Remove the washer reservoir (A) after removing 2 bolts.






Installation

1. Install the washer reservoir.

NOTE:
Before installing the pump motor, check the filter for foreign material or contamination. if necessary, clean the filter into the pump motor.

2. Install the washer motor.
3. Install the washer hose.
4. Connect the washer motor connector and level sensor connector.
5. Install the front bumper.
6. Check the washer motor operation.