Operation CHARM: Car repair manuals for everyone.
Manuals through 2025 now available!

Our trusted friends have launched a new website named LEMON, which has newer manuals. It also contains all the CHARM manuals.

LEMON is the spiritual successor to CHARM, I recommend you try it!

Link: lemon-manuals.la or lemon-manuals.org.ua

(Some people have issue connecting. LEMON is investigating. For now, use Firefox or change your DNS server)

Or, hide this message: temporarily or permanently

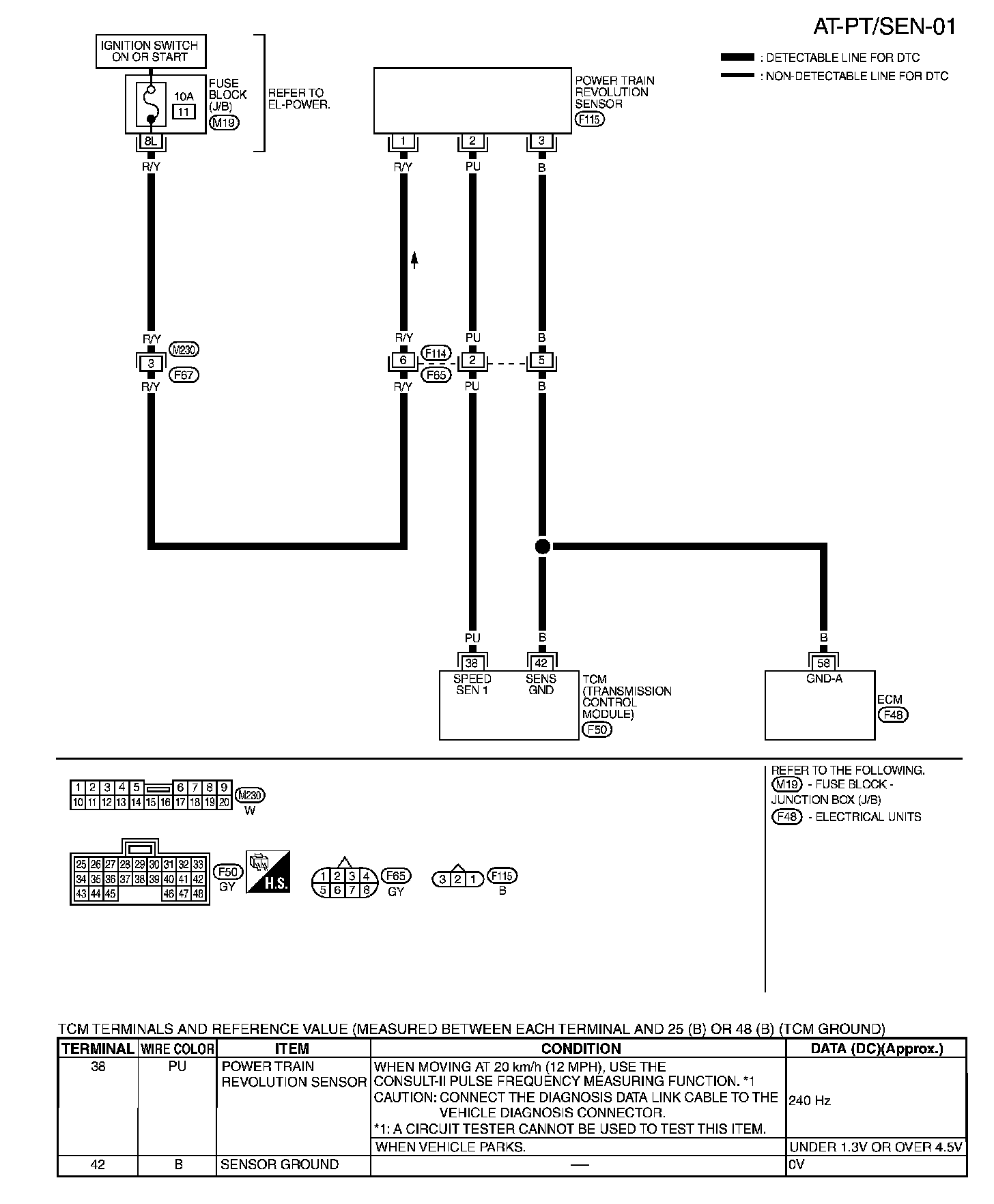
Power Train Revolution Sensor

DTC POWER TRAIN REVOLUTION SENSOR

Description





The power train revolution sensor detects toward clutch drum rpm (revolutions per minute). It is located on the input side of the automatic transmission. The vehicle speed sensor A/T (Revolution sensor) is located on the output side of the automatic transmission. With the two sensors, input and output shaft rpms are accurately detected. The result is optimal shift timing during deceleration and improved shifting.

TCM TERMINALS AND REFERENCE VALUE





Remarks: Specification data are reference values.

On Board Diagnosis Logic





Diagnostic Trouble Code (DTC) Confirmation Procedure

CAUTION:
^ Always drive vehicle at a safe speed.
^ If conducting this "DTC CONFIRMATION PROCEDURE" again, always turn ignition switch "OFF" and wait at least 5 seconds before continuing.

After the repair, perform the following procedure to confirm the malfunction is eliminated.

WITH CONSULT-II
1) Start engine.











2) Select "DATA MONITOR" mode for "A/T" with CONSULT-II.
3) Drive vehicle under the following conditions:
Selector lever in "D", vehicle speed higher than 40 km/h (25 MPH), engine speed higher than 1,500 rpm, throttle opening greater than 1.0/8 of the full throttle position and driving for more than 5 seconds.

NO TOOLS
1) Start engine.
2) Drive vehicle under the following conditions:
Selector lever in "D", vehicle speed higher than 40 km/h (25 MPH), engine speed higher than 1,500 rpm, throttle opening greater than 1.0/8 of the full throttle position and driving for more than 5 seconds.
3) Perform self-diagnosis.
Refer to TCM SELF-DIAGNOSTIC.

AT-PT/SEN-01:





Wiring Diagram-AT-P/T SEN-01

Test 1 Of 5:




Test 2 Of 5:




Test 3 Of 5:




Test 4 Of 5:




Test 5 Of 5:





Diagnostic Procedure

Component Inspection
POWER TRAIN REVOLUTION SENSOR








^ Check resistance between terminals 1 (R/Y). 2 (PU) and 3 (B).