Operation CHARM: Car repair manuals for everyone.
Manuals through 2025 now available!

Our trusted friends have launched a new website named LEMON, which has newer manuals. It also contains all the CHARM manuals.

LEMON is the spiritual successor to CHARM, I recommend you try it!

Link: lemon-manuals.la or lemon-manuals.org.ua

(Some people have issue connecting. LEMON is investigating. For now, use Firefox or change your DNS server)

Or, hide this message: temporarily or permanently

Automatic Transmission/Transaxle

TRANSMISSION ASSEMBLY

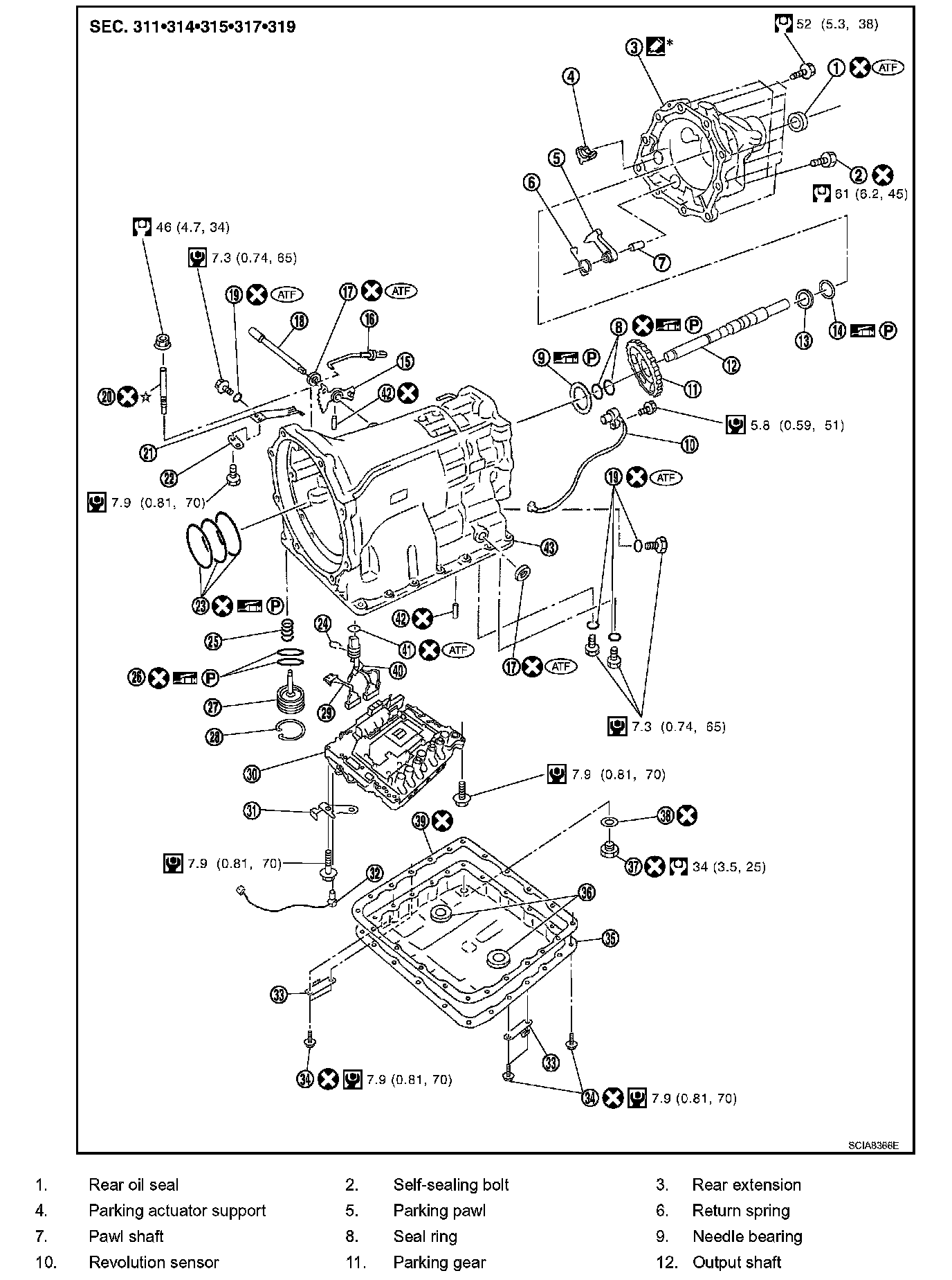
Exploded View

Exploded View TM-281 (Part 1):




Exploded View TM-281 (Part 2):




Exploded View TM-283 (Part 1):




Exploded View TM-283 (Part 2):





2WD

Exploded View TM-284 (Part 1):




Exploded View TM-284 (Part 2):





AWD

Exploded View TM-286 (Part 1):




Exploded View TM-286 (Part 2):