Operation CHARM: Car repair manuals for everyone.
Manuals through 2025 now available!

Our trusted friends have launched a new website named LEMON, which has newer manuals. It also contains all the CHARM manuals.

LEMON is the spiritual successor to CHARM, I recommend you try it!

Link: lemon-manuals.la or lemon-manuals.org.ua

(Some people have issue connecting. LEMON is investigating. For now, use Firefox or change your DNS server)

Or, hide this message: temporarily or permanently

Air Conditioning System

Air Conditioning System

Functional and Operational Description

The manual air conditioner of this vehicle is made up of components such as the compressor, evaporator, condenser, A/C switch and fan control switch.

The air conditioner starts running upon the connection of the magnetic clutch when the engine is started and both the A/C and fan control switches are turned "ON". It stops running when either the fan control or A/C switch is turned OFF.

In addition to this switch, this vehicle also comes with features that may temporarily cut the air conditioner off via the system within the air conditioning cycle, such as the pressure switch that detects abnormal refrigerant pressure, the thermo switch to prevent freezing of the evaporator core and used for detecting the blow-off air temperature, and the thermo switch (to cut off air conditioner) that is installed in some vehicle models for detecting the engine water temperature.

When the air conditioner is running, the cycling switch end of the triple pressure switch detects the refrigerant pressure in the air conditioning cycle, and the condenser fan is activated to enhance heat dissipation of the condenser when the refrigerant pressure exceeds the preset pressure value.

Common items between the manual air conditioner and heater/ventilation are omitted. Refer to the section on Heating and Ventilation for these items.

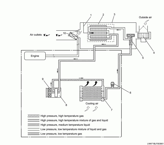
Air Conditioning Cycle Configuration and Features






Legend
(1) Fin Sensor
(2) Evaporator Core
(3) Heater and Evaporator Unit
(4) Blower Motor
(5) Expansion Valve
(6) Pressure Switch
(7) Condenser (Receiver/Tank Unit)
(8) Compressor
(9) Magnetic Clutch
(10) Heater Core
(11) Air Mix Door

The air conditioning cycle possesses the four functions below, with the refrigerant circulating while changing repeatedly from liquid --> gas --> liquid.

(1) Evaporation

The refrigerant changes from liquid into gas in the evaporator.

Refrigerant that enters the evaporator in the mist form evaporates immediately. The refrigerant evaporates by taking the heat from the surrounding air of the evaporator core's cooling fin. With the heat taken, the surrounding air that is cooled down is supplied by the blower fan into the vehicle to lower the temperature of the vehicle interior.

Liquid refrigerant supplied from the expansion valve and the evaporated refrigerant gas coexist in the evaporator, and the refrigerant changes from a liquid state into a gaseous state.

In order for the refrigerant to evaporate from a liquid into a vapor at a lower temperature, it is necessary to maintain a low pressure within the evaporator. To do so, the refrigerant gas is sucked into the compressor and discharged from the evaporator.

(2) Compression

The compressor compresses the refrigerant into a state such that it liquefies easily at room temperature.

The refrigerant gas in the evaporator is sucked into the compressor. This function maintains the refrigerant in the evaporator at a low pressure, such that liquid refrigerant continues to evaporate even when in a low-temperature state of close to 0°C (32°F). The refrigerant that is sucked into the evaporator is being compressed in the cylinder. This raises the pressure to a state that enables the refrigerant to liquefy more easily by external air at room temperature.

(3) Condensation

The refrigerant in the condenser is cooled down by external air, and changes from a vapor into a liquid. The high temperature and high pressure gas supplied from the compressor is cooled down and liquefied by the condenser and the external air, and the liquid is collected in the receiver dryer. The heat that is dissipated by the high temperature and high pressure refrigerant from the compressor into the outside air is known as condensing heat. This heat quantity is the sum of the heat taken by the refrigerant from the vehicle interior via the evaporator (evaporation heat) and the work performed during compression (converted to heat quantity).

(4) Expansion

The expansion valve lowers the pressure to facilitate evaporation of the liquid refrigerant.

Before the liquefied refrigerant is supplied to the evaporator, its pressure is lowered to ease evaporation. This process is known as expansion. The expansion valve also controls the flow of the liquid refrigerant while lowering the pressure. In other words, the amount of liquid refrigerant that is evaporated in the evaporator is determined by the amount of heat taken at the specified evaporating temperature (evaporating pressure). As such, it is important to adjust the refrigerant to an appropriate quantity.

Compressor

A belt-driven, ten-cylinder swash plate type compressor (10S17) is used. Five double end pistons form the ten pumping chambers.

Refrigerant flow is controlled by reed valves and internal passages.

Front and rear cylinder heads hold the valves and plates to the main body and are secured by five through bolts.

The compressor is bolted to the right lower side of the engine.

The compressor is lubricated by compressor oil mixed with the refrigerant. An electrically actuated clutch and other controls determine compressor cycling. The rear head of the compressor is provided with pressure relief valve to prevent the malfunction of the compressor due to the abnormally high pressure of refrigerant.

Magnetic Clutch

The compressor is driven by the drive belt of the crank pulley. However, when the compressor is driven during start of the engine, this imposes a significant load on the engine, which is undesirable. As such, the magnetic clutch drives the compressor when the air conditioner is "ON" by transmitting power from the engine to it. Power transmission from the engine to the compressor is cut off when the air conditioner is "OFF".

Condenser

The condenser forces the high temperature and high pressure refrigerant gas supplied from the compressor to cool down and liquefy via the condenser by outside air. Jamming of the condenser of blockage of air flow into the condenser's cooling fin may result in insufficient cooling capacity, increase the pressure of the refrigerant cycle and increase the load on the engine. When the condenser is functioning properly, the refrigerant discharge line of the condenser is usually colder than that of the intake line.

An electric fan is also installed to boost the cooling effect. This electric is switched "ON" or "OFF" via detection of the refrigerant pressure (by the triple pressure switch).






Legend
(1) Condenser ASM (Receiver/Tank Unit)

Receiver Dryer

The receiver dryer possesses the following functions.
- As the amount of refrigerant for circulation varies with the air conditioning cycle conditions, the air conditioning cycle stores an appropriate amount of refrigerant required for its smooth functioning according to changes in the circulation volume.
- Refrigerant gas in the form of gas bubbles are found inside the liquefied refrigerant from the condenser. The cooling capacity may deteriorate markedly if refrigerant containing gas bubbles is supplied to the expansion valve. As such, the liquid and gas bubbles are separated, and only the liquid is supplied to the expansion valve.
- Waste and water contained in the refrigerant in circulation are removed using the filter and dryer inside the receiver dryer.

Jamming of the receiver dryer may cause the air conditioner's performance to deteriorate. When jamming occurs at the inlet of the receiver dryer, the refrigerant pressure rises, while pressure lowers when jamming occurs at the outlet. In both cases, cooling can hardly take place. If the pipe at the outlet of the receiver dryer is unusually cold, this indicates that jamming has occurred.

Pressure Switch

The pressure switch (triple pressure switch) is installed on the high pressure pipe, and is used to detect unusually high refrigerant pressure (high pressure switch) and prevent compressor seizing (low pressure switch) due to refrigerant leakage by turning the magnetic clutch to "ON" or "OFF" at the preset pressure. A cycling switch is also available, which is used for the "ON" and "OFF" control (intermediate pressure switch) of the condenser fan.






Legend
(1) Pressure Switch
(2) Condenser







Evaporator

The evaporator changes the liquid refrigerant that is supplied from the expansion valve in mist form into a gas via heat exchange with the air that is supplied from the blower motor.

Vaporization heat that is generated when the liquid refrigerant evaporates into vapor cools down the evaporator and evaporator core fin, which in turn cools down the air that is supplied from the blower motor.

Moisture in the air is cooled and forms water droplets, and the vehicle is dehumidified by removing these droplets from the vehicle.

Expansion Valve

The expansion valve is installed to the inlet of the evaporator via a uniform external pressure.

The high pressure liquid refrigerant supplied from the receiver dryer undergoes a squeezing action when it passes through the expansion valve, which changes it into a low pressure liquid refrigerant in mist form before it is supplied to the evaporator core.

This expansion valve is made up of a thermo sensor (Temperature-sensitive rod), diaphragm, ball valve, and spring adjustment screw etc. The thermo sensor (Temperature-sensitive rod) controls the flow of coolant by operating the diaphragm through the evaporator outlet's temperature change.

The expansion valve can also be used to adjust refrigerant flow as it ensures efficient capacity utilization of the various devices in the air conditioning cycle. As such, abnormality of the expansion valve will cause both the outlet pressure and inlet pressure values to drop, thus resulting in an insufficient cooling capacity of the evaporator.






Legend
(1) Evaporator Core
(2) Expansion Valve

Thermo Switch

The thermo switch employs an amplifier (electronic thermostat) and a thermistor (fin sensor) to reduce the operating noise level.

The fin sensor is installed to the outlet of the evaporator core, and is used to detect the temperature of the air that passes through the evaporator core.

The OFF value is 1.8°C (35.2°F), and the ON value is 2.8°C (37.0°F) with respect to the OFF value.






Legend
(1) Evaporator Core
(2) Electronic Thermostat
(3) Fin Sensor

Refrigerant Pipe

The following phenomena are observed when jamming occurs in the refrigerant pipe.
1. Low pressure hose: when jamming occurs in the low pressure hose, the compressor's inlet pressure as well as outlet pressure drop, and cooling capacity is lost.
2. High pressure hose: When jamming occurs in the high pressure hose, leakage from the discharge line will usually occur.
3. High pressure pipe: when jamming occurs in the high pressure pipe, pressure at both the outlet and inlet ends will drop, resulting in insufficient cooling.The high pressure and low pressure flexible hoses employ a low leakage hose that is equipped with nylon at the innermost end of the hose.






Legend
(1) Polyester (Reinforcement Layer)
(2) Exterior Rubber Layer
(3) Interior Rubber Layer
(4) Nylon (Resin Layer)