Operation CHARM: Car repair manuals for everyone.
Manuals through 2025 now available!

Our trusted friends have launched a new website named LEMON, which has newer manuals. It also contains all the CHARM manuals.

LEMON is the spiritual successor to CHARM, I recommend you try it!

Link: lemon-manuals.la or lemon-manuals.org.ua

(Some people have issue connecting. LEMON is investigating. For now, use Firefox or change your DNS server)

Or, hide this message: temporarily or permanently

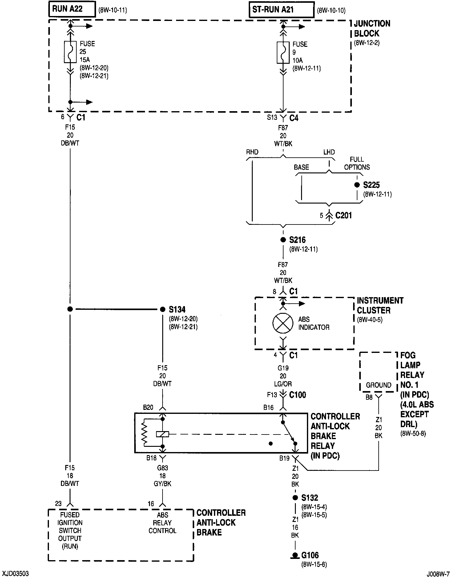
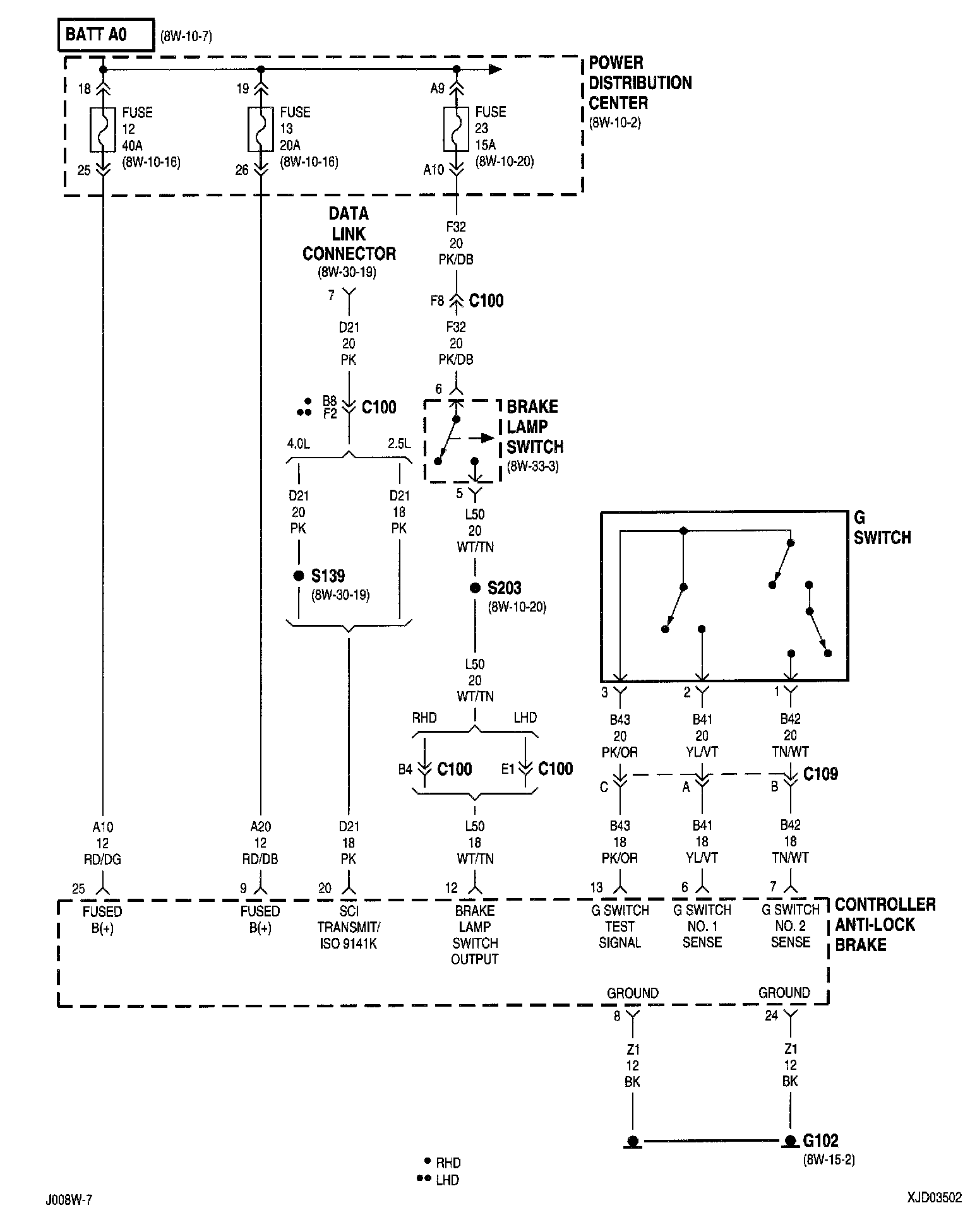
Antilock Brakes / Traction Control Systems

8W-35-2:




Brake Lamp Switch
Controller Anti-Lock Brake
Data Link Connector
Fuse 12 (PDC)
Fuse 13 (PDC)
Fuse 23 (PDC)
G Switch
G102
Power Distribution Center


8W-35-3:




ABS Indicator
Controller Anti-Lock Brake
Controller Anti-Lock Brake Relay
Fog Lamp Relay No.1
Fuse 9 (JB)
Fuse 25 (JB)
G106
Instrument Cluster
Junction Block


8W-35-4:




Controller Anti-Lock Brake
Left Front Wheel Speed Sensor
Left Rear Wheel Speed Sensor
Right Front Wheel Speed Sensor
Right Rear Wheel Speed Sensor


NOTE: To view sheets referred to in these diagrams, see Complete Body and Chassis Diagrams.
Electrical Diagrams