Operation CHARM: Car repair manuals for everyone.
Manuals through 2025 now available!

Our trusted friends have launched a new website named LEMON, which has newer manuals. It also contains all the CHARM manuals.

LEMON is the spiritual successor to CHARM, I recommend you try it!

Link: lemon-manuals.la or lemon-manuals.org.ua

(Some people have issue connecting. LEMON is investigating. For now, use Firefox or change your DNS server)

Or, hide this message: temporarily or permanently

Removal and Installation

REMOVAL
1. Shift transmission into first or third gear.
2. Raise and support vehicle on suitable safety stands.
3. Support engine with adjustable jack stand. Position wood block between jack and oil pan to avoid damaging pan.
4. Remove crossmember/skid plate.
5. Disconnect necessary exhaust system components.
6. Remove skid plate, if equipped.

Fig. 4:





7. Remove slave cylinder (Fig. 4) from clutch housing.

Fig. 5:





8. Mark rear propeller shaft and rear axle yokes for installation alignment (Fig. 5).
9. Mark front propeller shaft, axle, and transfer case yokes for installation alignment, if equipped.
10. Remove propeller shaft(s).
11. Unclip wire harnesses from transmission and transfer case, if equipped.
12. Disconnect transfer case vent hose, if equipped.
13. Disengage any wire connectors attached to transmission or transfer case, if equipped, components.
14. Support transfer case, if equipped, with transmission jack.
15. Secure transfer case, if equipped, to jack with safety chains.
16. Disconnect transfer case shift linkage at transfer case, if equipped.
17. Remove nuts attaching transfer case to transmission, if equipped.
18. Remove transfer case, if equipped.

Fig. 6:





19. Remove crankshaft position sensor (Fig. 6).

CAUTION: It is important that the crankshaft position sensor be removed prior to transmission removal. The sensor can easily be damaged if left in place during removal operations.

20. Support engine with adjustable jack stand. Position wood block between jack and oil pan to avoid damaging pan.
21. Support transmission with transmission jack.
22. Secure transmission to jack with safety chains.
23. Disconnect rear cushion and bracket from transmission.
24. Remove rear crossmember.
25. Disconnect transmission shift lever as follows:
a. Lower transmission approximately 7 - 8 cm (3 inch) for access to shift lever.

Fig. 7:





b. Reach up and around transmission case and unseat shift lever dust boot from transmission shift tower (Fig. 7). Move boot upward on shift lever for access to retainer that secures lever in shift tower.
c. Reach up and around transmission case and press shift lever retainer downward with finger pressure. Turn retainer counterclockwise to release it.
d. Lift lever and retainer out of shift tower (Fig. 7). Do not remove the shift lever from the floor console shifter boots. Leave the lever in place for transmission installation.
26. Remove clutch housing brace rod.
27. Remove clutch housing-to-engine bolts.
28. Pull transmission jack rearward until input shaft clears clutch. Then slide transmission out from under vehicle.
29. Remove clutch release bearing, release fork, and retainer clip.

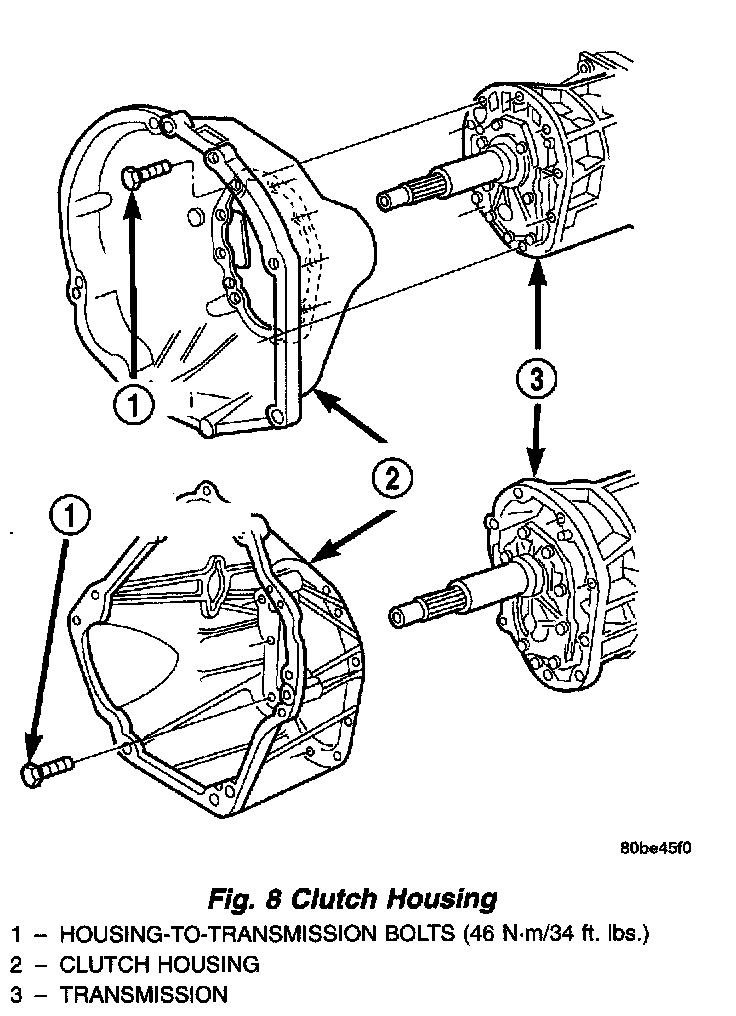
Fig. 8:





30. Remove clutch housing from transmission (Fig. 8).


INSTALLATION
1. Install clutch housing (Fig. 8) on transmission. Tighten housing bolts to 46 Nm (34 ft. lbs.) torque.
2. Lubricate contact surfaces of release fork pivot ball stud and release fork with high temp grease.
3. Install release bearing, fork, and retainer clip.
4. Position and secure transmission on transmission jack.
5. Lightly lubricate pilot bearing and transmission input shaft splines with Mopar high temp grease.
6. Raise transmission and align transmission input shaft and clutch disc splines. Then slide transmission into place.
7. Install and tighten clutch housing-to-engine bolts to the appropriate torque: Be sure the housing is properly seated on engine block before tightening bolts.
- Tighten 3/8" diameter bolts to 37 Nm (27 ft. lbs.).
- Tighten 7/16" diameter bolts to 58 Nm (43 ft. lbs.).
- Tighten M12 bolts to 75 Nm (55 ft. lbs.).
8. Install clutch housing brace rod.
9. Lower transmission approximately 7 - 8 cm (3 inch) for access to shift tower. Be sure transmission is in first or third gear.
10. Reach up and around transmission and insert shift lever in shift tower. Press lever retainer downward and turn it clockwise to lock it in place. Then install lever dust boot on shift tower.
11. Install rear crossmember. Tighten crossmember-to-frame bolts to 41 Nm (31 ft. lbs.) torque.
12. Install fasteners to hold rear cushion and bracket to transmission. Then tighten transmission to-rear support bolts/nuts to 54 Nm (40 ft. lbs.) torque.
13. Remove support stands from engine and transmission.
14. Install and connect crankshaft position sensor.
15. Position transfer case on transmission jack, if equipped.
16. Secure transfer case to jack with safety chains, if equipped.
17. Raise transfer case, if equipped, and align transfer case input shaft to the transmission output shaft.
18. Slide transfer case forward until case is seated on transmission, if necessary.
19. Install nuts to attach transfer case to transmission, if equipped. Tighten transfer case-to-transmission nuts to 35 Nm (26 ft. lbs.) torque.
20. Connect transfer case shift linkage at transfer case, if equipped.
21. Connect transfer case vent hose, if equipped.
22. Secure wire harnesses in clips/tie straps on transmission and transfer case, if equipped.
23. Engage wire connectors attached to all necessary transmission or transfer case, if equipped, components.
24. Install rear propeller shaft slip yoke to transmission or transfer case, if equipped, output shaft.

Fig. 9:





25. Align marks on rear propeller shaft and rear axle yokes (Fig. 9).
26. Install and tighten propeller shaft U-joint clamp bolts to 19 Nm (170 inch lbs.) torque.
27. Align marks on front propeller shaft, axle, and transfer case yokes, if equipped.
28. Install and tighten propeller shaft U-joint clamp bolts to 19 Nm (170 inch lbs.) torque.
29. Install slave cylinder in clutch housing.
30. Install skid plate, if equipped. Tighten bolts to 42 Nm (31 ft. lbs.) torque. Tighten stud nuts to 17 Nm (150 inch lbs.) torque.
31. Fill transmission and transfer case, if equipped, with recommended lubricants. Refer to Description and Operation, Lubricant of the appropriate component for correct fluid.
32. Lower vehicle.