Power Distribution
8W-10-7:
Battery
Blower Motor Relay
Engine Starter Motor
Fuse 2 (PDC)
Fuse 3 (PDC)
Fuse 4 (PDC)
Fuse 5 (PDC)
Fuse 6 (PDC)
Fuse 7 (PDC)
Fuse 8 (PDC)
Fuse 9 (PDC)
Fuse 10 (PDC)
Fuse 11 (PDC)
Fusible Link All
Generator
Power Distribution Center
8W-10-8:
Fuse 12 (PDC)
Fuse 13 (PDC)
Fuse 16 (PDC)
Fuse 17 (PDC)
Fuse 19 (PDC)
Fuse 20 (PDC)
Fuse 22 (PDC)
Fuse 23 (PDC)
Fuse 25 (PDC)
Fuse 26 (PDC)
Power Distribution Center
8W-10-9:
Brake Warning Pressure Switch
Cigar Lighter Relay
Circuit Breaker 28 (JB)
Circuit Breaker 30 (JB)
Fuse 2 (PDC)
Fuse 3 (PDC)
Fuse 17 (JB)
Fuse 18 (JB)
G108
Ignition Switch
Junction Block
Park Brake Switch
Power Distribution Center
8W-10-10:
Driver Door Jamb Switch
Fuse 8 (JB)
Fuse 9 (JB)
Fuse 10 (JB)
Fuse 11 (JB)
Fuse 27 (JB)
Headlamp Switch
Ignition Switch
Instrument Cluster
Junction Block
Passenger Power Lock-Window Switch
8W-10-11:
Fuse 12 (JB)
Fuse 19 (JB)
Fuse 22 (JB)
Fuse 24 (JB)
Fuse 25 (JB)
Fuse 26 (JB)
Ignition Switch
Junction Block
Rear Window Defogger Relay
8W-10-12:
Cigar Lighter
Cigar Lighter Relay
Circuit Breaker 29 (JB)
Fuse 1 (JB)
Fuse 2 (JB)
Fuse 4 (PDC)
Fuse 15 (JB)
Fuse 20 (JB)
Fuse 21 (JB)
High Note Horn
Horn Relay
Junction Block
Low Note Horn
Power Distribution Center
8W-10-13:
Blower Motor
Blower Motor Relay
Fuse 5 (PDC)
Fuse 6 (PDC)
Power Distribution Center
Radiator Fan Motor
Radiator Fan Relay
8W-10-14:
A/C Compressor Clutch
A/C Compressor Clutch Relay
Daytime Running Lamp Module
Fuse 7 (PDC)
Fuse 9 (PDC)
Fuse 27 (PDC)
Headlamp Delay Module
Headlamp Switch
Power Distribution Center
Sentry Key Immobilizer Module
8W-10-15:
Automatic Shut Down Relay
Fuel Injector No.1
Fuel Injector No.2
Fuel Injector No.3
Fuel Injector No.4
Fuel Injector No.5
Fuel Injector No.6
Fuse 8 (PDC)
Fuse 18 (PDC)
Fuse 21 (PDC)
Fuse 22 (PDC)
Ignition Coil
Oxygen Sensor 1/1 Upstream
Oxygen Sensor 1/2 Downstream
Power Distribution Center
Powertrain Control Module
Rail Coil
8W-10-16:
Controller Anti-Lock Brake
Engine Starter Motor
Engine Starter Motor Relay
Fuse 10 (PDC)
Fuse 11 (PDC)
Fuse 12 (PDC)
Fuse 13 (JB)
Fuse 13 (PDC)
Fuse 14 (JB)
Junction Block
Power Distribution Center
Rear Window Defogger
Rear Window Defogger Relay
8W-10-17:
Cargo Lamp/Switch
Fuse 16 (PDC)
Fuse 17 (PDC)
Instrument Cluster
Junction Block
Left Courtesy Lamp
Oxygen Sensor Downstream Relay
Oxygen Sensor Upstream Relay
Power Distribution Center
Radio
Right Courtesy Lamp
Transmission Control Module
Underhood Lamp/Mercury Switch
8W-10-18:
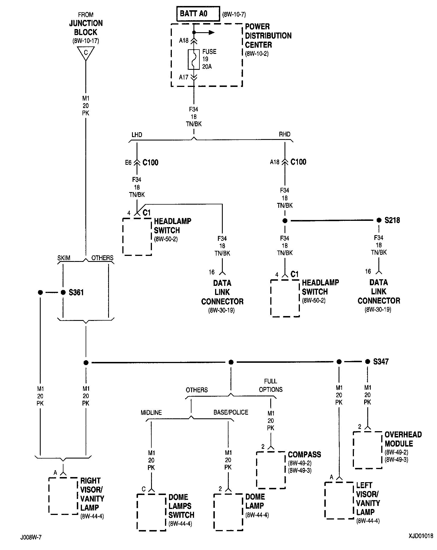
Compass
Data Link Connector
Dome Lamp
Dome Lamps Switch
Fuse 19 (PDC)
Headlamp Switch
Overhead Module
Power Distribution Center
Right Visor/Vanity Lamp
8W-10-19:
Combination Flasher
Fuel Pump Module
Fuel Pump Relay
Fuse 20 (PDC)
Power Distribution Center
Powertrain Control Module
8W-10-20:
Brake Lamp Switch
Center High Mounted Stop Lamp
Controller Anti-Lock Brake
Fog Lamp Relay No.2
Fuse 26 (PDC)
Left Fog Lamp
Left Tail/Stop Lamp
Power Amplifier
Power Distribution Center
Right Fog Lamp
Right Tail/Stop Lamp
NOTE: To view sheets referred to in these diagrams, see Complete Body and Chassis Diagrams.
Electrical Diagrams