Operation CHARM: Car repair manuals for everyone.
Manuals through 2025 now available!

Our trusted friends have launched a new website named LEMON, which has newer manuals. It also contains all the CHARM manuals.

LEMON is the spiritual successor to CHARM, I recommend you try it!

Link: lemon-manuals.la or lemon-manuals.org.ua

(Some people have issue connecting. LEMON is investigating. For now, use Firefox or change your DNS server)

Or, hide this message: temporarily or permanently

System Diagrams

8W-30-2:




Automatic Shut Down Relay
Fuel Pump Relay
Fuse 8 (PDC)
Fuse 11 (JB)
Fuse 18 (PDC)
Fuse 21 (PDC)
Fuse 22 (PDC)
G101
Junction Block
Power Distribution Center
Powertrain Control Module


8W-30-3 (LHD):




Fuel Pump Module
Fuel Pump Relay
Fuse 11 (JB)
Fuse 22 (PDC)
G302
Junction Block
Power Distribution Center
Powertrain Control Module


8W-30-4 (RHD):




Fuel Pump Module
Fuel Pump Relay
Fuse 11 (JB)
Fuse 22 (PDC)
G302
Junction Block
Power Distribution Center
Powertrain Control Module


8W-30-5:




Automatic Shut Down Relay
Camshaft Position Sensor
Crankshaft Position Sensor
Fuse 18 (PDC)
Fuse 21 (PDC)
Ignition Coil
Power Distribution Center
Powertrain Control Module
Rail Coil


8W-30-6:




Automatic Shut Down Relay
Fuel Injector No.1
Fuel Injector No.2
Fuel Injector No.3
Fuel Injector No.4
Fuel Injector No.5
Fuel Injector No.6
Fuse 18 (PDC)
Fuse 21 (PDC)
Power Distribution Center
Powertrain Control Module


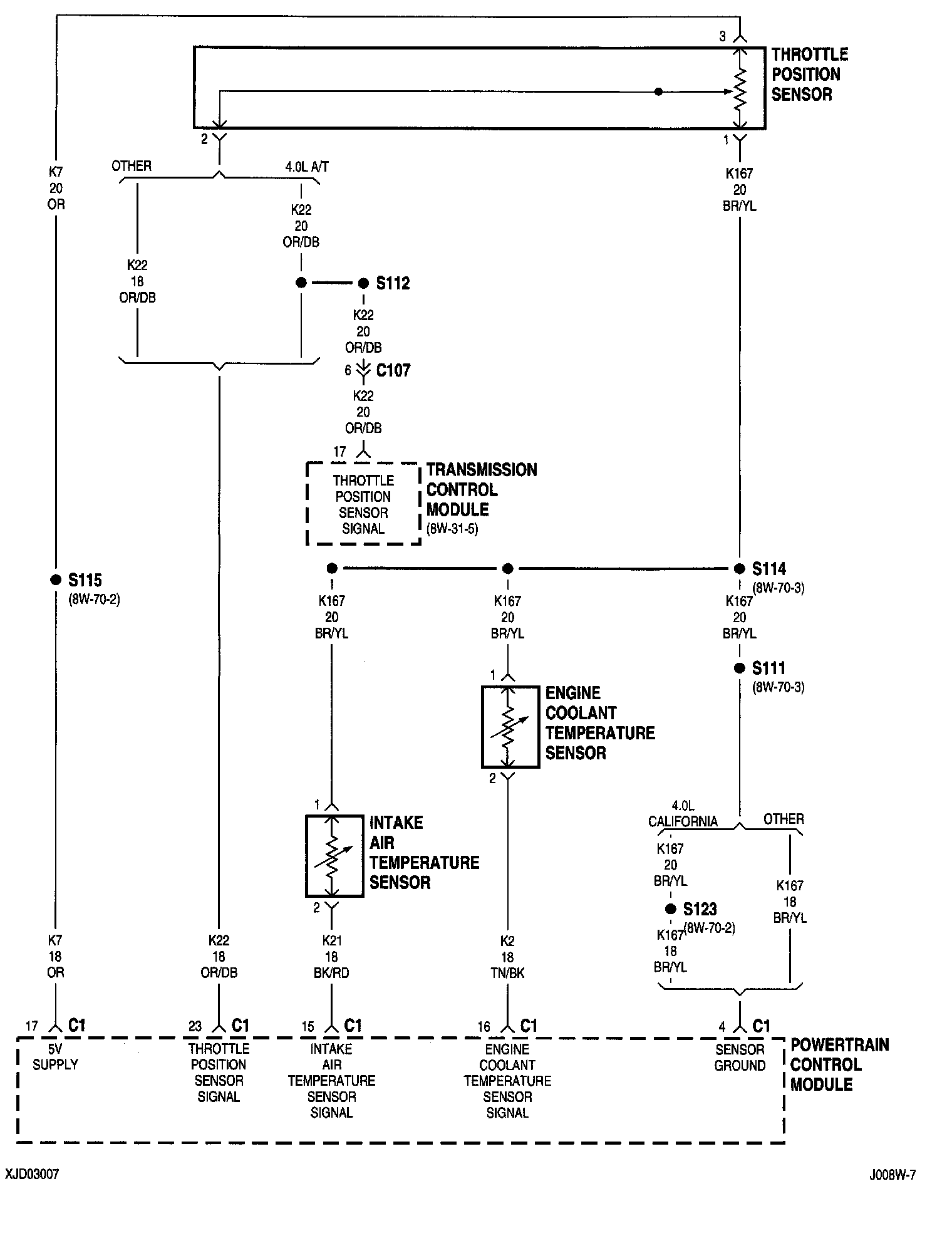
8W-30-7:




Engine Coolant Temperature Sensor
Intake Air Temperature Sensor
Powertrain Control Module
Throttle Position Sensor
Transmission Control Module


8W-30-8:




Automatic Shut Down Relay
Fuse 21 (PDC)
G101
Oxygen Sensor 1/1 Upstream
Oxygen Sensor 1/2 Downstream
Power Distribution Center
Powertrain Control Module


8W-30-12:




Daytime Running Lamp Module
Engine Oil Pressure Sensor
Manifold Absolute Pressure Sensor
Powertrain Control Module
Vehicle Speed Sensor


8W-30-13:




Clockspring
Left Speed Control Switch
Powertrain Control Module
Right Speed Control Switch


8W-30-14:




Brake Lamp Switch
Engine Starter Motor Relay
G101
G106
[1][2]Park/Neutral Position Switch
Power Distribution Center
Powertrain Control Module
Transmission Range Sensor


8W-30-15:




Duty Cycle Evap/Purge Solenoid
Fuse 10 (JB)
Fuse 11 (JB)
Junction Block
Powertrain Control Module
Torque Converter Clutch Solenoid


8W-30-16:




Brake Lamp Switch
G108
Idle Air Control Motor
Powertrain Control Module


8W-30-17:




Extended Idle Switch
Fuse 6 (JB)
Fuse 25 (JB)
G101
G107
Headlamp Switch
Junction Block
Powertrain Control Module


8W-30-18:




A/C Compressor Clutch Relay
A/C High Pressure Switch
A/C Low Pressure Switch
A/C- Heater Control
Evap Leak Detection Pump
Generator
Power Distribution Center
Powertrain Control Module
Radiator Fan Relay


8W-30-19:




Controller Anti-Lock Brake
Data Link Connector
Fuse 19 (PDC)
G102
Headlamp Switch
Power Distribution Center
Powertrain Control Module
Transmission Control Module


8W-30-20 (LHD):




Airbag Control Module
Compass
Data Link Connector
Instrument Cluster
Overhead Module
Powertrain Control Module
Sentry Key Immobilizer Module
Transmission Control Module


8W-30-21 (RHD):




Airbag Control Module
Compass
Data Link Connector
Instrument Cluster
Overhead Module
Powertrain Control Module
Sentry Key Immobilizer Module
Transmission Control Module


NOTE: To view sheets referred to in these diagrams, see Complete Body and Chassis Diagrams.
Electrical Diagrams