Operation CHARM: Car repair manuals for everyone.
Manuals through 2025 now available!

Our trusted friends have launched a new website named LEMON, which has newer manuals. It also contains all the CHARM manuals.

LEMON is the spiritual successor to CHARM, I recommend you try it!

Link: lemon-manuals.la or lemon-manuals.org.ua

(Some people have issue connecting. LEMON is investigating. For now, use Firefox or change your DNS server)

Or, hide this message: temporarily or permanently

Console

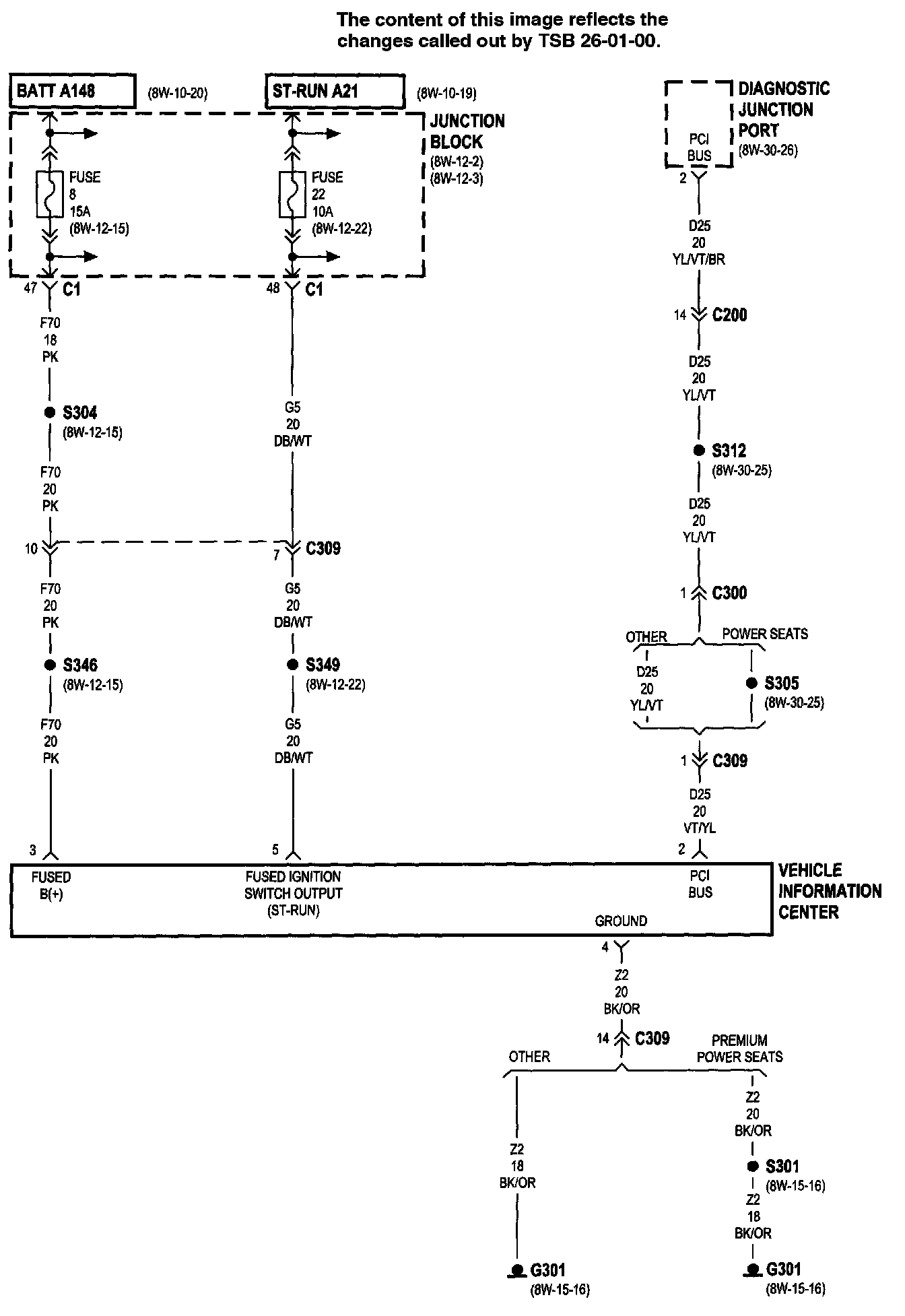
8w-49-2:




Diagnostic Junction Port
Fuse 8 (JB)
Fuse 22 (JB)
G301
Junction Block
Vehicle Information Center


8w-49-3:




Automatic Day/Night Mirror
Driver Power Mirror
Fuse 22 (JB)
Junction Block


8w-49-4:




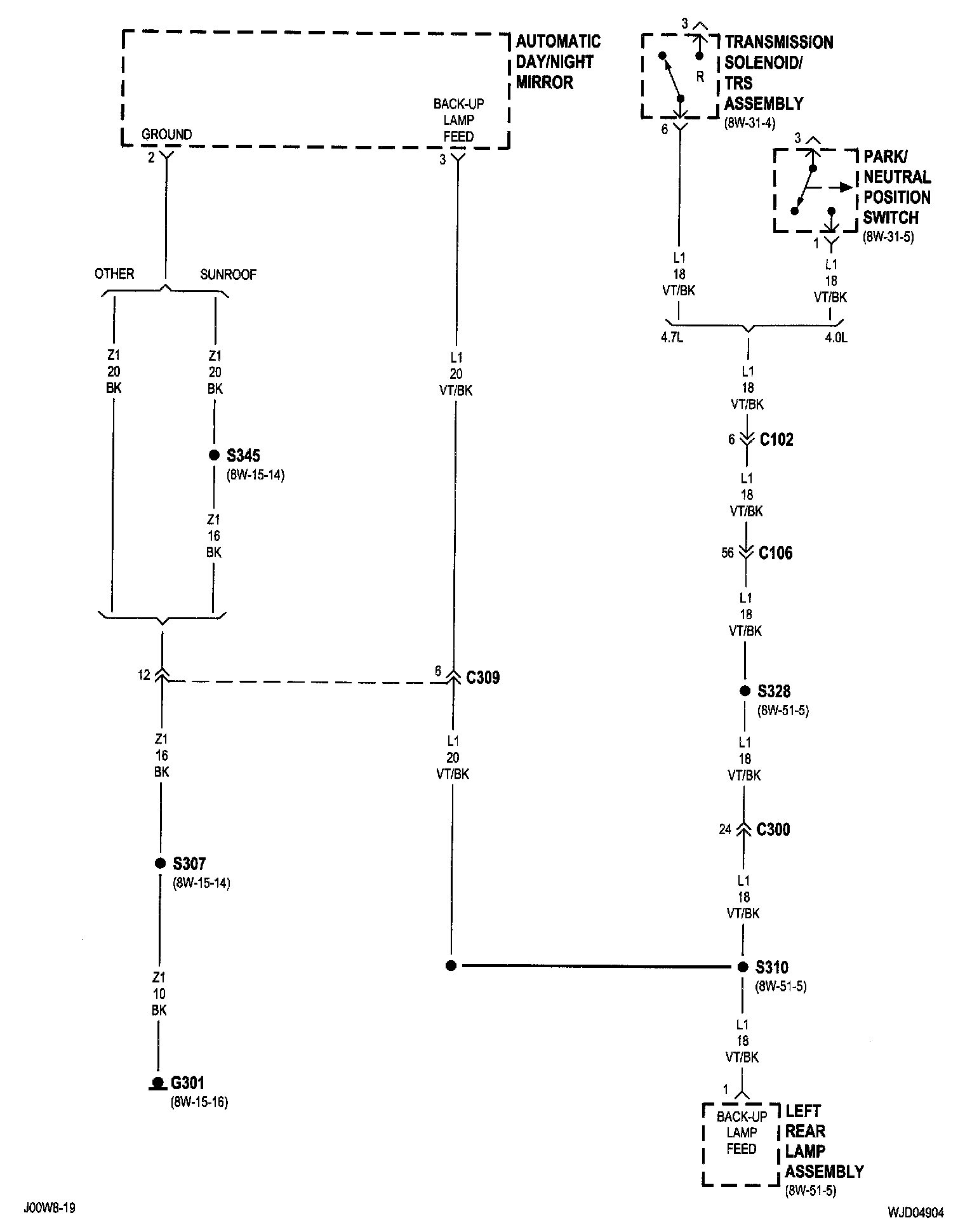
Automatic Day/Night Mirror
G301
Left Rear Lamp Assembly
Park/Neutral Position Switch
Transmission Solenoid/TRS Assembly


NOTE: To view sheets referred to in these diagrams, see Complete Body and Chassis Diagrams. Electrical Diagrams