Operation CHARM: Car repair manuals for everyone.
Manuals through 2025 now available!

Our trusted friends have launched a new website named LEMON, which has newer manuals. It also contains all the CHARM manuals.

LEMON is the spiritual successor to CHARM, I recommend you try it!

Link: lemon-manuals.la or lemon-manuals.org.ua

(Some people have issue connecting. LEMON is investigating. For now, use Firefox or change your DNS server)

Or, hide this message: temporarily or permanently

Windows


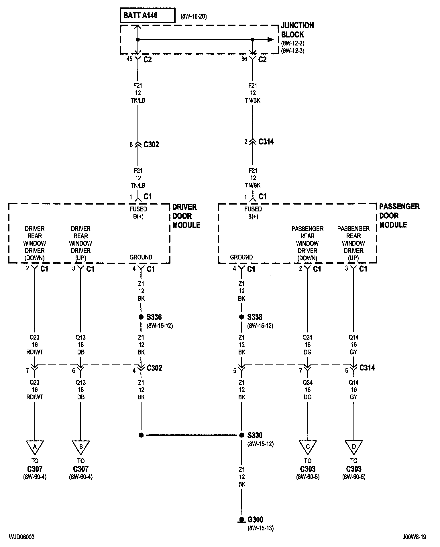
8w-60-2:




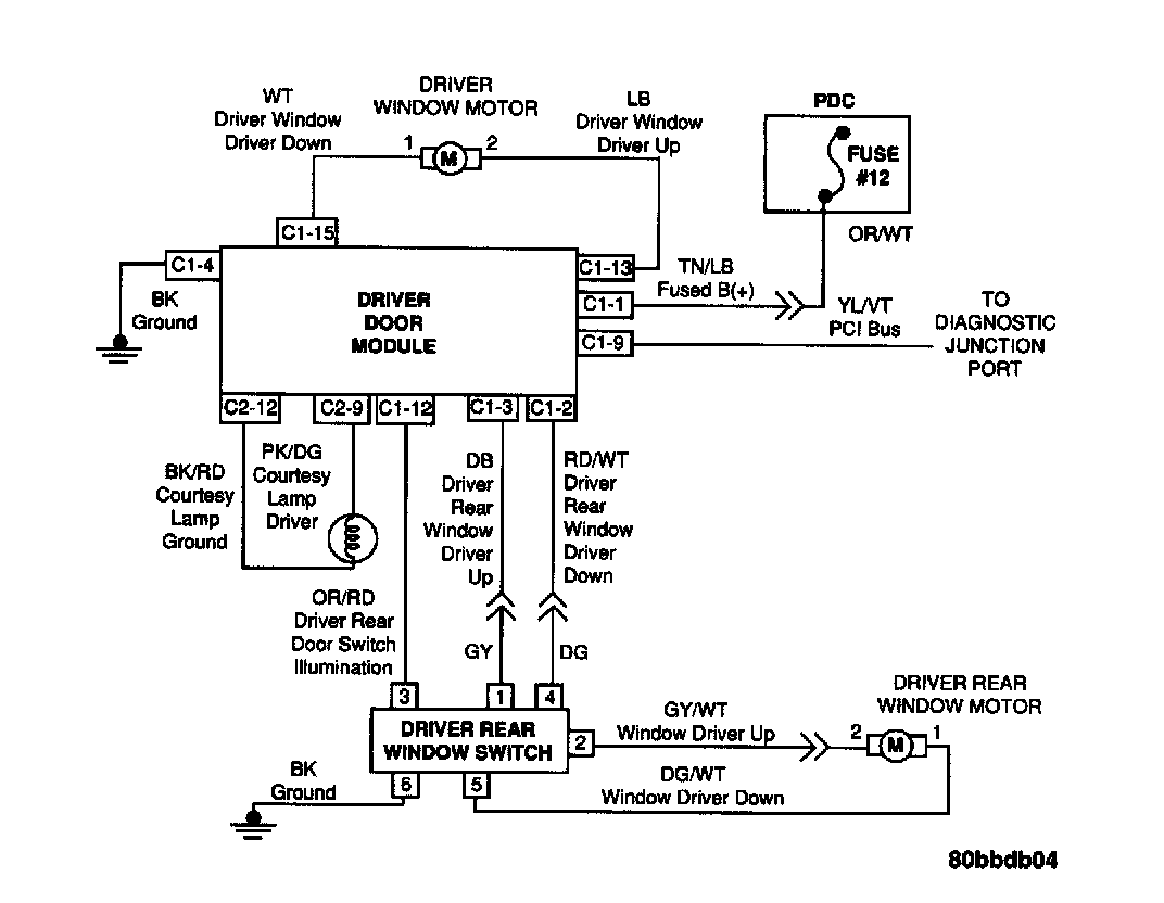
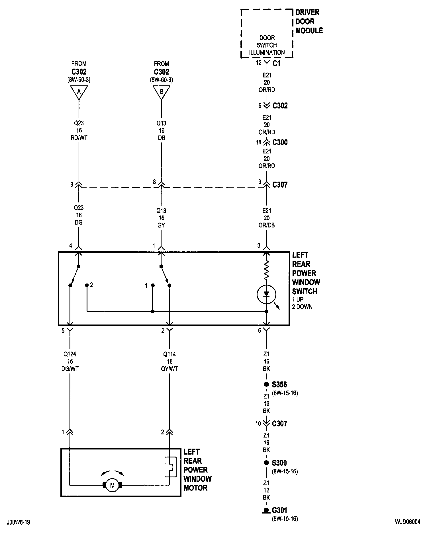
Power Windows (Driver Side):




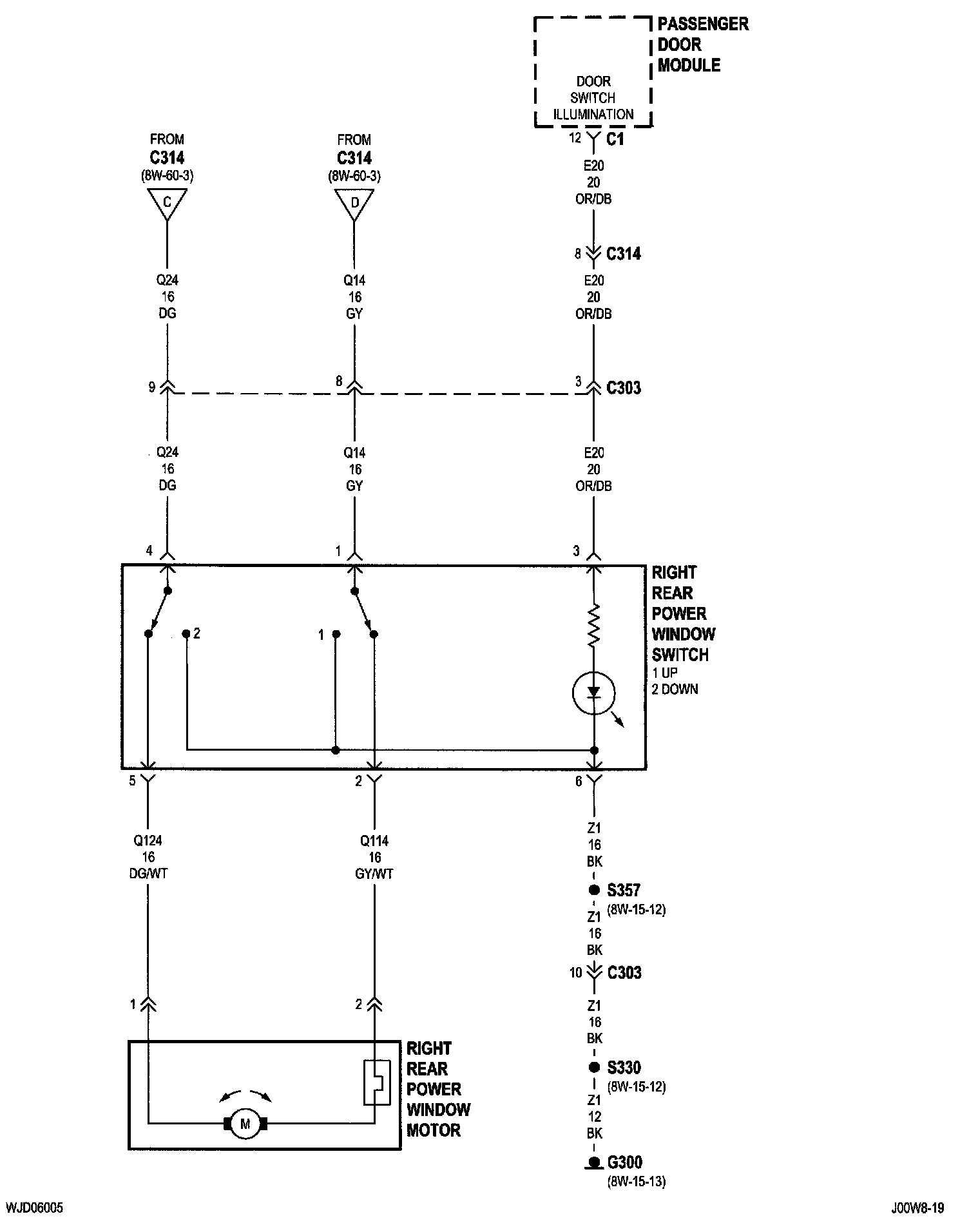
Power Windows (Passenger Side):





Body Control Module
Diagnostic Junction Port
Driver Door Module
Driver Power Window Motor
Fuse 12 (PDC)
G300
Junction Block
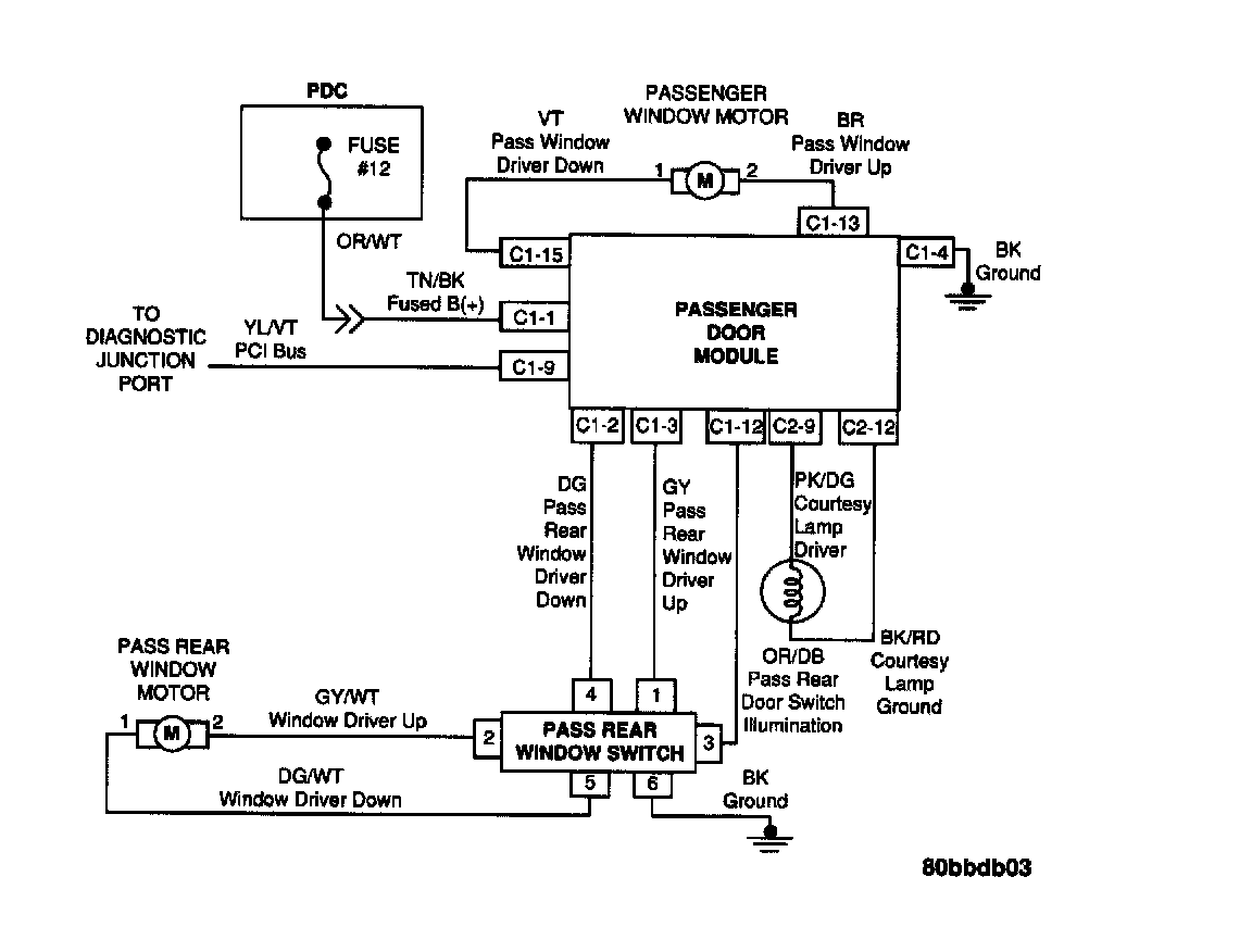
Passenger Door Module
Passenger Power Window Motor
Power Distribution Center


8w-60-3:




Driver Door Module
G300
Junction Block
Passenger Door Module


8w-60-4:




Driver Door Module
G301
Left Rear Power Window Motor
Left Rear Power Window Switch


8w-60-5:




G300
Passenger Door Module
Right Rear Power Window Motor
Right Rear Power Window Switch


NOTE: To view sheets referred to in these diagrams, see Complete Body and Chassis Diagrams. Electrical Diagrams