Operation CHARM: Car repair manuals for everyone.
Manuals through 2025 now available!

Our trusted friends have launched a new website named LEMON, which has newer manuals. It also contains all the CHARM manuals.

LEMON is the spiritual successor to CHARM, I recommend you try it!

Link: lemon-manuals.la or lemon-manuals.org.ua

(Some people have issue connecting. LEMON is investigating. For now, use Firefox or change your DNS server)

Or, hide this message: temporarily or permanently

Cruise Control Servo Cable: Service and Repair

REMOVAL
1. Disconnect negative battery cable at battery.
2. Remove air box housing from throttle body.
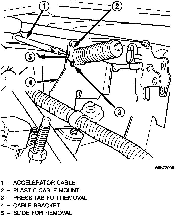
The accelerator cable must be partially removed to gain access to speed control cable.

Cable Connectors At Bell Crank:




3. Using finger pressure only, disconnect accelerator cable connector at throttle body bellcrank pin by pushing connector off bellcrank pin towards front of vehicle. DO NOT try to pull connector off perpendicular to the bellcrank pin. Connector will be broken.
4. Lift accelerator cable from top of cable cam.

Accelerator Cable Releases Tab:




5. Press tab to release plastic cable mount from bracket. Press on tab only enough to release cable from bracket. If tab is pressed too much, it will be broken. Slide plastic mount towards passenger side of vehicle to remove cable from bracket.
6. Using finger pressure only, disconnect speed control cable connector at throttle body bellcrank pin by pushing connector off bellcrank pin towards front of vehicle. DO NOT try to pull connector off perpendicular to the bellcrank pin. Connector will be broken.

Speed Control Cable at Bracket:




7. Slide speed control cable plastic mount towards passenger side of vehicle to remove cable from bracket.
8. Remove servo cable from servo.

INSTALLATION
1. Install end of cable to speed control servo.
2. Slide speed control cable plastic mount into bracket.
3. Install speed control cable connector onto throttle body bellcrank pin (snaps on).
4. Slide accelerator cable plastic mount into bracket. Continue sliding until tab is aligned to hole in mounting bracket.
5. Route accelerator cable over top of cable cam.
6. Install accelerator cable connector onto throttle body bellcrank pin (snaps on).
7. Install air box housing to throttle body.
8. Connect negative battery cable at battery.
9. Before starting engine, operate accelerator pedal to check for any binding.