Operation CHARM: Car repair manuals for everyone.
Manuals through 2025 now available!

Our trusted friends have launched a new website named LEMON, which has newer manuals. It also contains all the CHARM manuals.

LEMON is the spiritual successor to CHARM, I recommend you try it!

Link: lemon-manuals.la or lemon-manuals.org.ua

(Some people have issue connecting. LEMON is investigating. For now, use Firefox or change your DNS server)

Or, hide this message: temporarily or permanently

Memory Positioning Systems

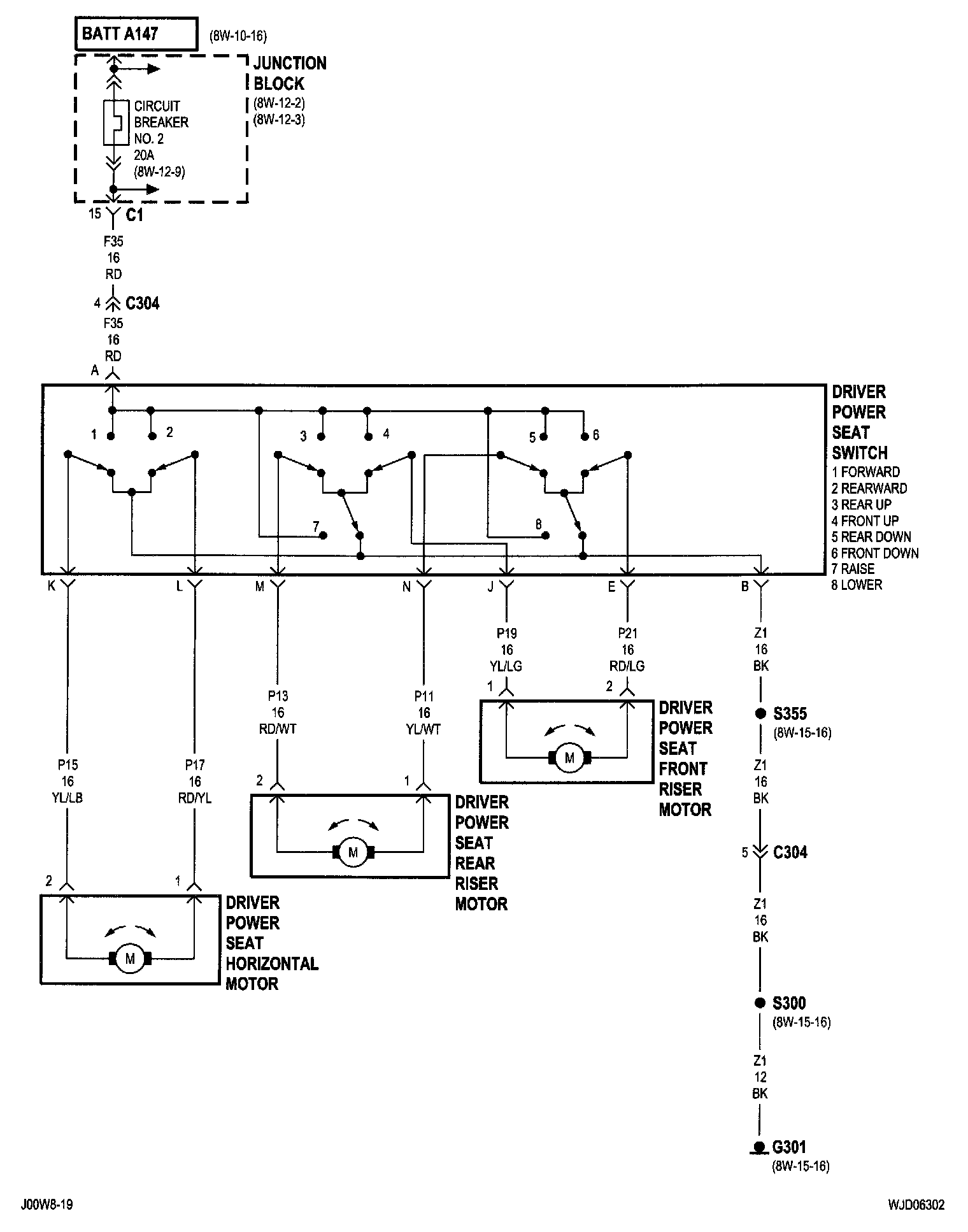
8w-63-2 - Base:




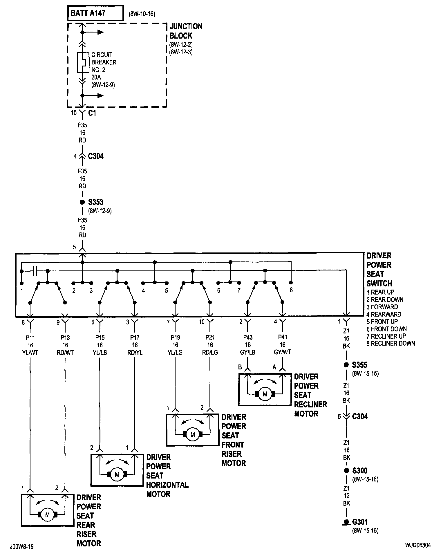
Circuit Breaker No.2 (JB)
Driver Power Seat Front Riser Motor
Driver Power Seat Horizontal Motor
Driver Power Seat Rear Riser Motor
Driver Power Seat Switch
G301
Junction Block


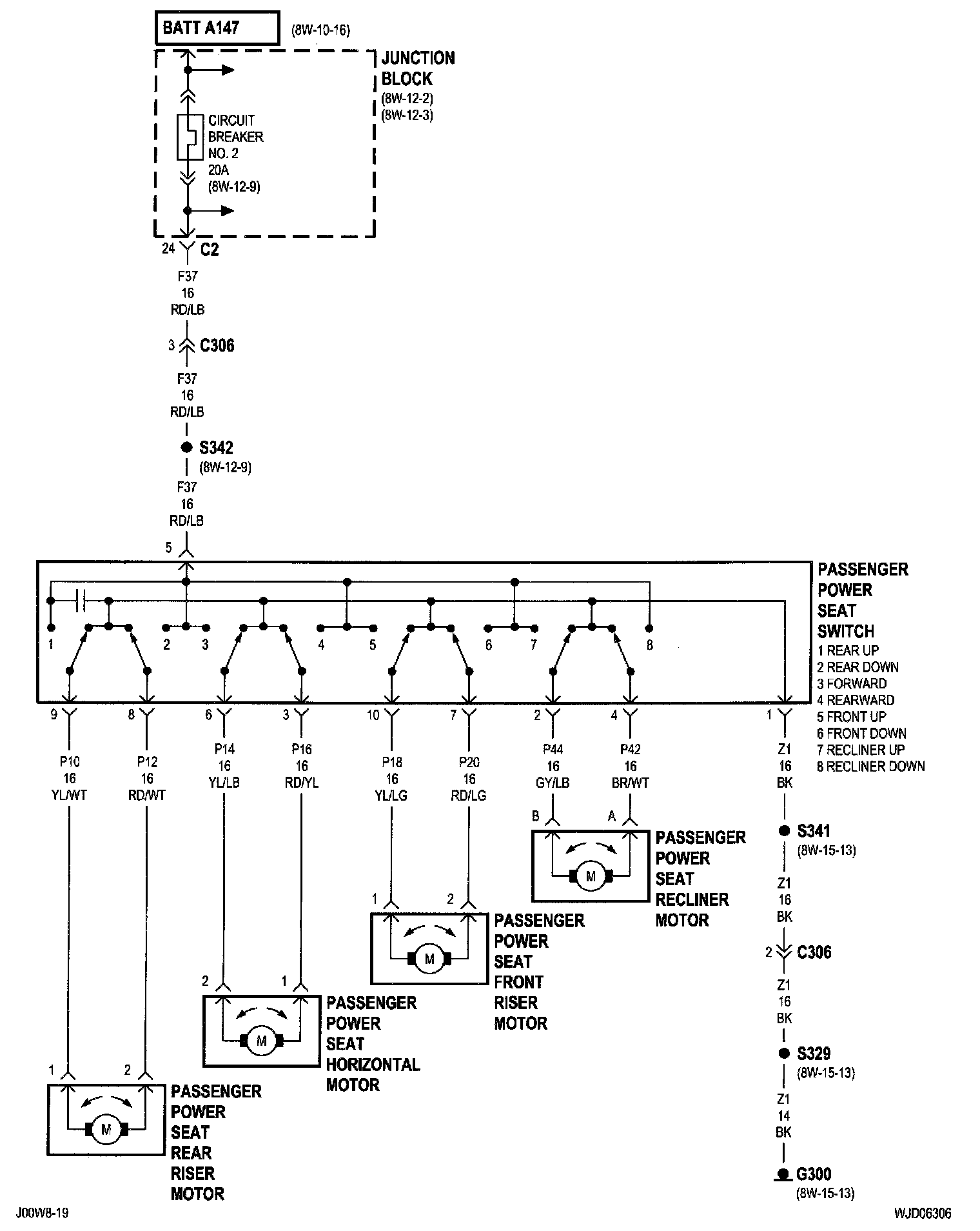
8w-63-3 - Base:




Circuit Breaker No.2 (JB)
G300
Junction Block
Riser Motor
Passenger Power Seat Horizontal Motor
Passenger Power Seat Rear Riser Motor
Passenger Power Seat Switch


8w-63-4 - Midline/Premium I:




Circuit Breaker No.2 (JB)
Driver Power Seat Front Riser Motor
Driver Power Seat Horizontal Motor
Driver Power Seat Rear Riser Motor
Driver Power Seat Recliner Motor
Driver Power Seat Switch
G301
Junction Block


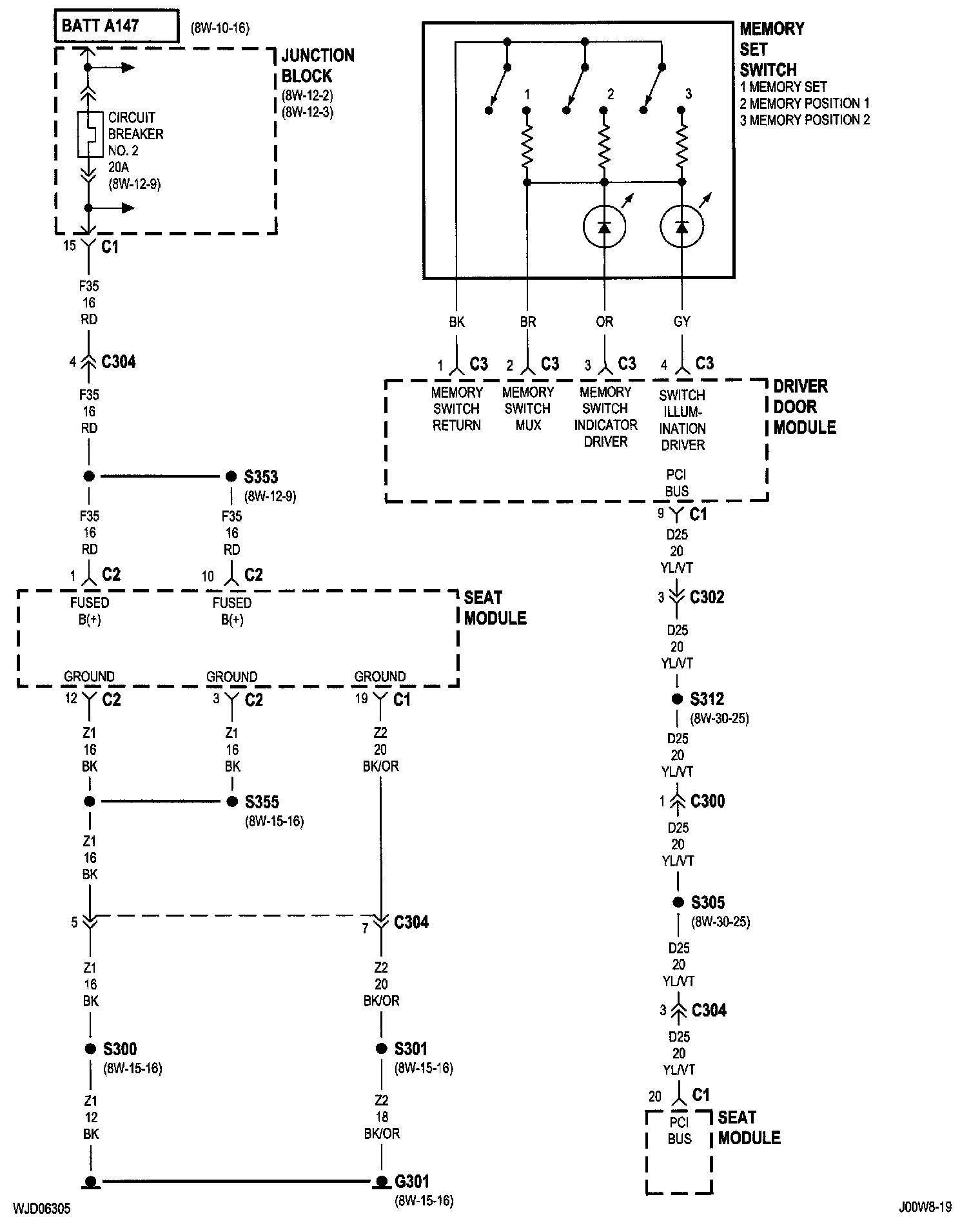
8w-63-5 - Premium:




Circuit Breaker No.2 (JB)
Driver Door Module
G301
Junction Block
Memory Set Switch
Seat Module


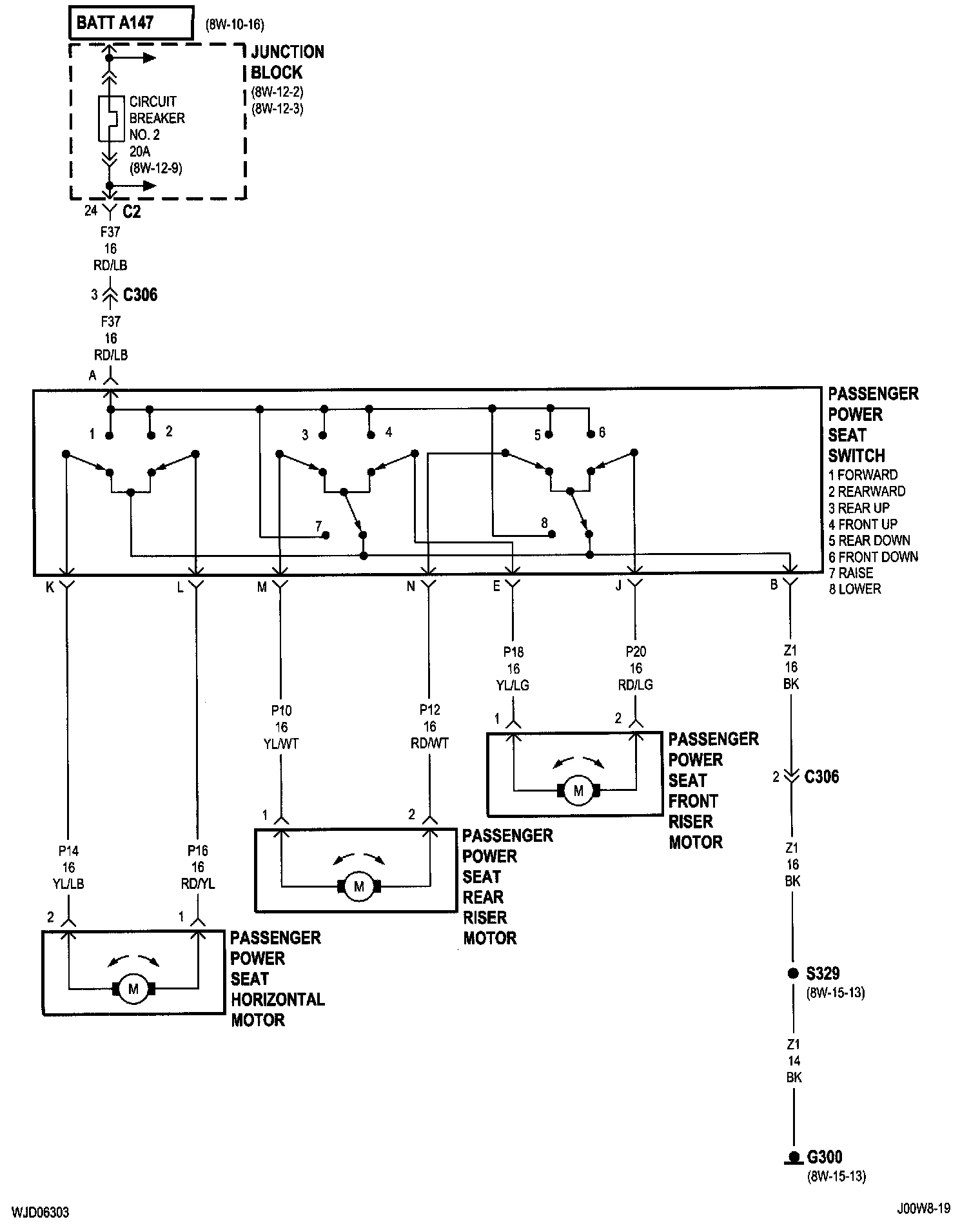
8w-63-6 - Midline/Premium:




Circuit Breaker No.2 (JB)
G300
Junction Block
Riser Motor
Passenger Power Seat Horizontal Motor
Passenger Power Seat Rear Riser Motor
Passenger Power Seat Recliner Motor
Passenger Power Seat Switch


8w-63-7 - Premium II/III:




Driver Power Seat Front Riser Motor
Driver Power Seat Horizontal Motor
Driver Power Seat Rear Riser Motor
Driver Power Seat Recliner Motor
Driver Power Seat Switch
G301
Seat Module


8w-63-8 - Premium I/III:




Driver Heated Seat Back
Driver Heated Seat Cushion
Passenger Heated Seat Back
Passenger Heated Seat Cushion
Seat Module


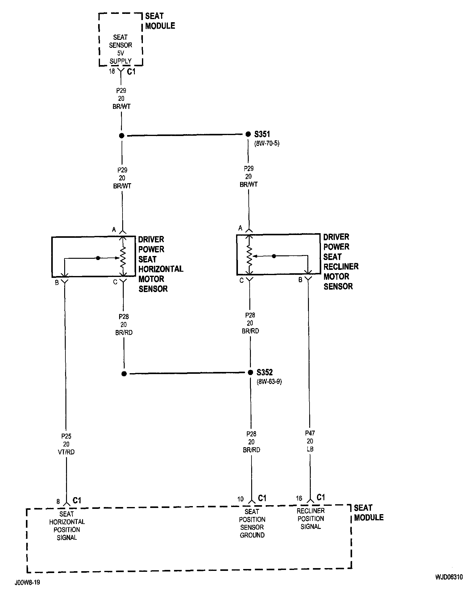
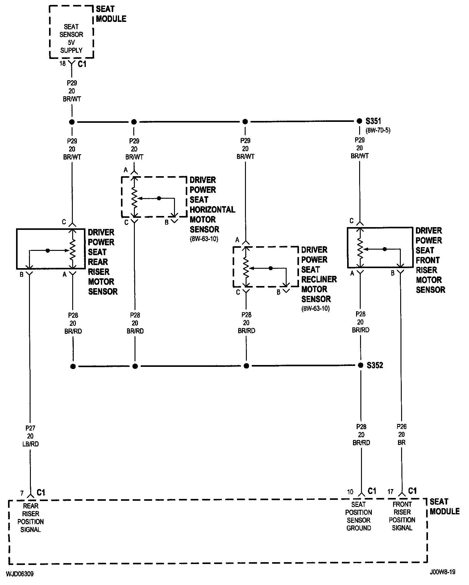
8w-63-9 - Premium II/III:




Motor Sensor
Motor Sensor
Motor Sensor
Motor Sensor
Seat Module


8w-63-10 - Premium II/III:




Motor Sensor
Motor Sensor
Seat Module


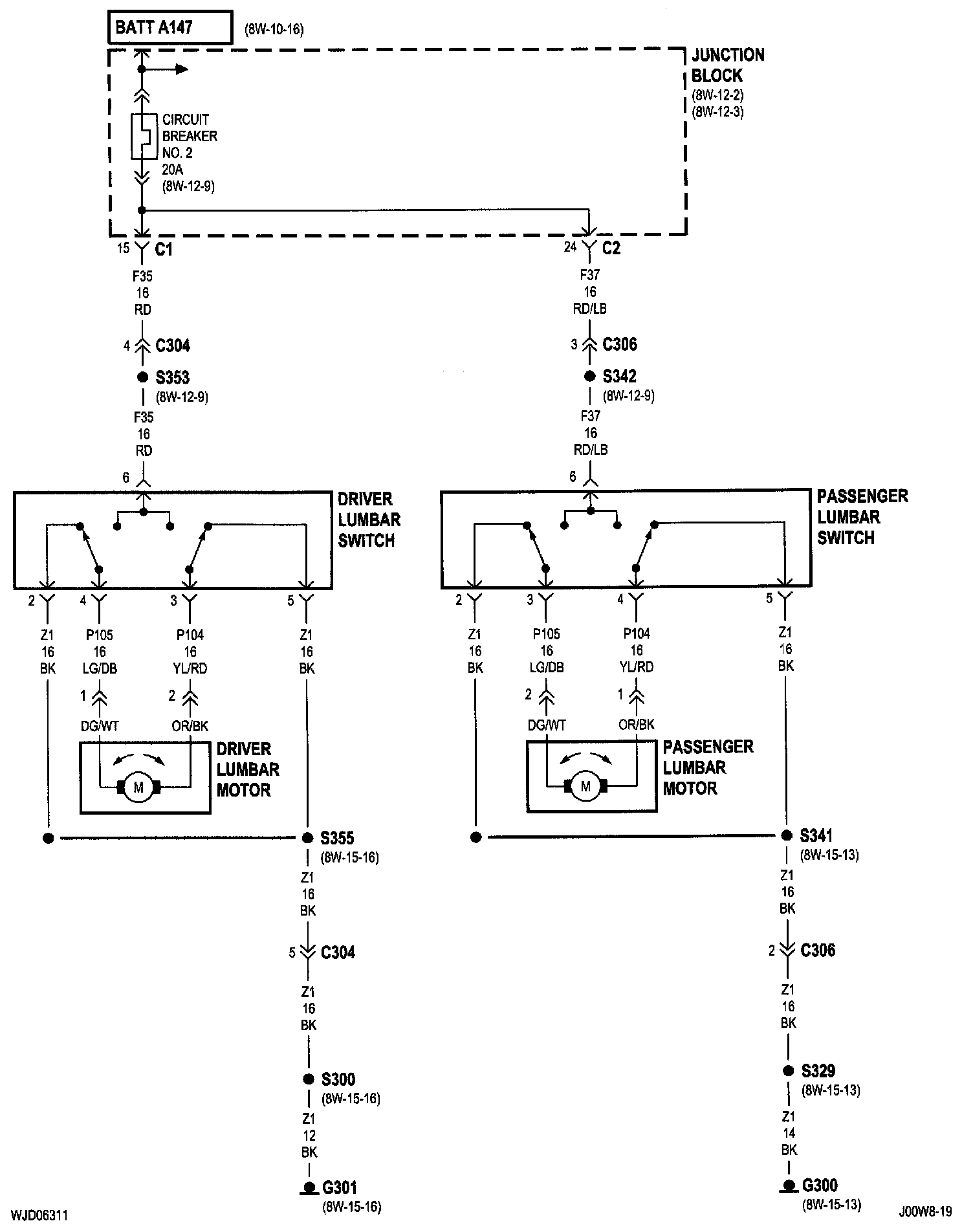
8w-63-11 - Midline/Premium:




Circuit Breaker No.2 (JB)
Driver Lumbar Motor
Driver Lumbar Switch
G300
G301
Junction Block
Passenger Lumbar Switch


8w-63-12 - Premium I/III:




Body Control Module
Driver Heated Seat Switch
Fuse 20 (JB)
G200
Junction Block
Passenger Heated Seat Switch


NOTE: To view sheets referred to in these diagrams, see Complete Body and Chassis Diagrams Electrical Diagrams