Operation CHARM: Car repair manuals for everyone.
Manuals through 2025 now available!

Our trusted friends have launched a new website named LEMON, which has newer manuals. It also contains all the CHARM manuals.

LEMON is the spiritual successor to CHARM, I recommend you try it!

Link: lemon-manuals.la or lemon-manuals.org.ua

(Some people have issue connecting. LEMON is investigating. For now, use Firefox or change your DNS server)

Or, hide this message: temporarily or permanently

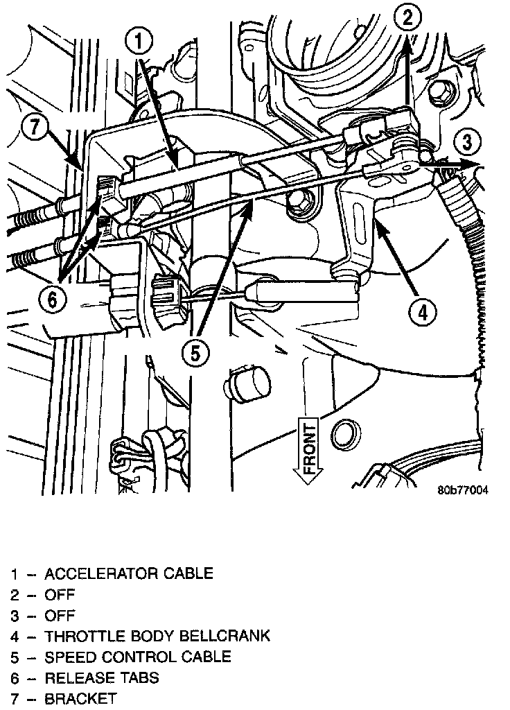
Cruise Control Servo Cable: Service and Repair

REMOVAL
1. Disconnect negative battery cable at battery.
2. Remove air box housing from throttle body.

Speed Control Cable At Bell Crank:




3. Using finger pressure only, remove speed control cable connector at throttle body bellcrank pin by pushing connector off bellcrank pin towards drivers side of vehicle. DO NOT try to pull connector off perpendicular to the bellcrank pin. Connector will be broken.
4. Remove cable from cable guide at top of valve cover.
5. Squeeze 2 release tabs on sides of cable at bracket and push cable out of bracket.
6. Remove servo cable from servo.

INSTALLATION
1. Install end of cable to speed control servo.
2. Install cable into mounting bracket (snaps in).
3. Install speed control cable connector at throttle body bellcrank pin (snaps on).
4. Connect negative battery cable at battery.
5. Before starting engine, operate accelerator pedal to check for any binding.