Operation CHARM: Car repair manuals for everyone.
Manuals through 2025 now available!

Our trusted friends have launched a new website named LEMON, which has newer manuals. It also contains all the CHARM manuals.

LEMON is the spiritual successor to CHARM, I recommend you try it!

Link: lemon-manuals.la or lemon-manuals.org.ua

(Some people have issue connecting. LEMON is investigating. For now, use Firefox or change your DNS server)

Or, hide this message: temporarily or permanently

Transmission Control Systems

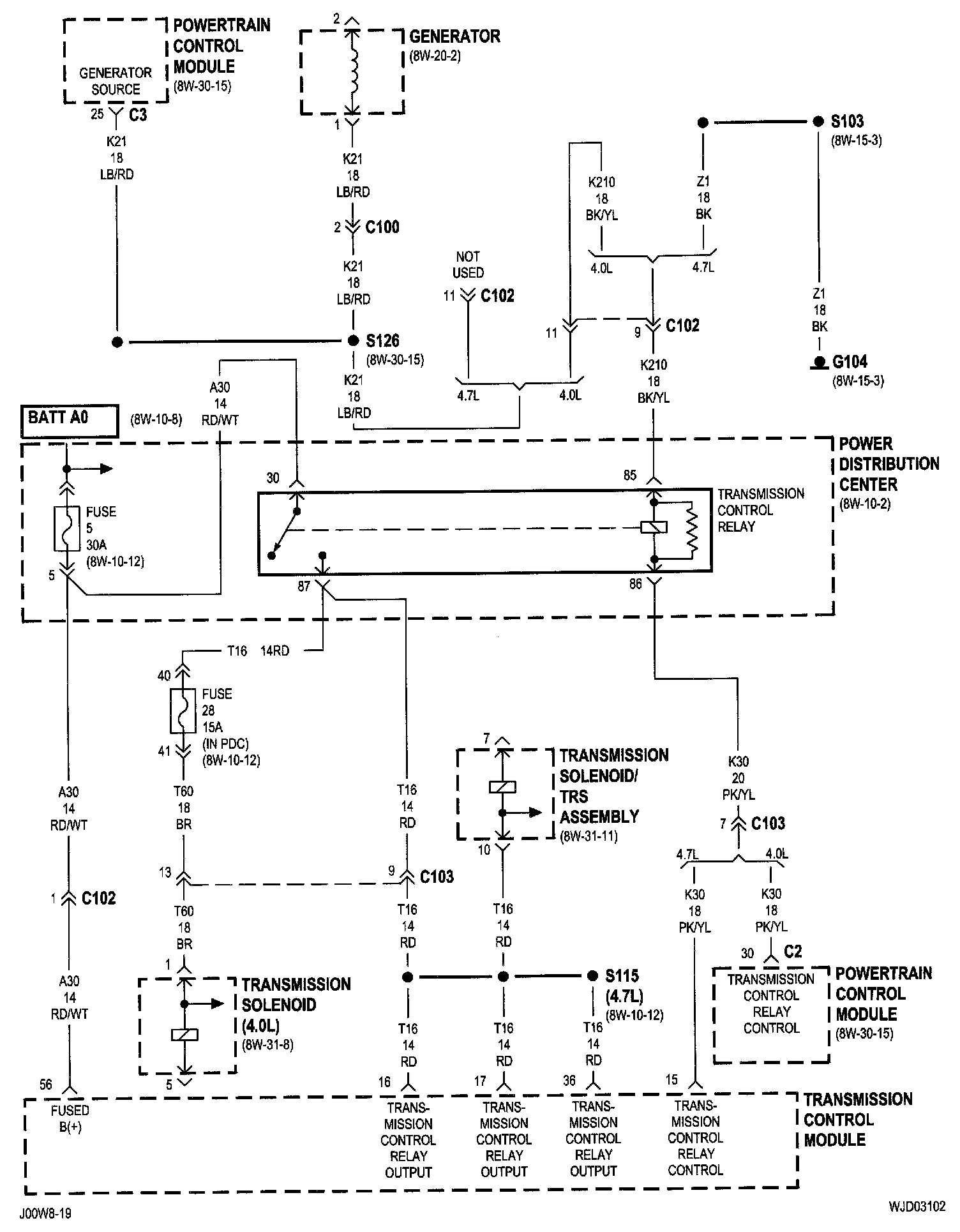
8w-31-2:




Fuse 5 (PDC)
Fuse 28 (PDC)
G104
Generator
Power Distribution Center
Powertrain Control Module
Transmission Control Module
Transmission Control Relay
Transmission Solenoid
Transmission Solenoid/TRS Assembly


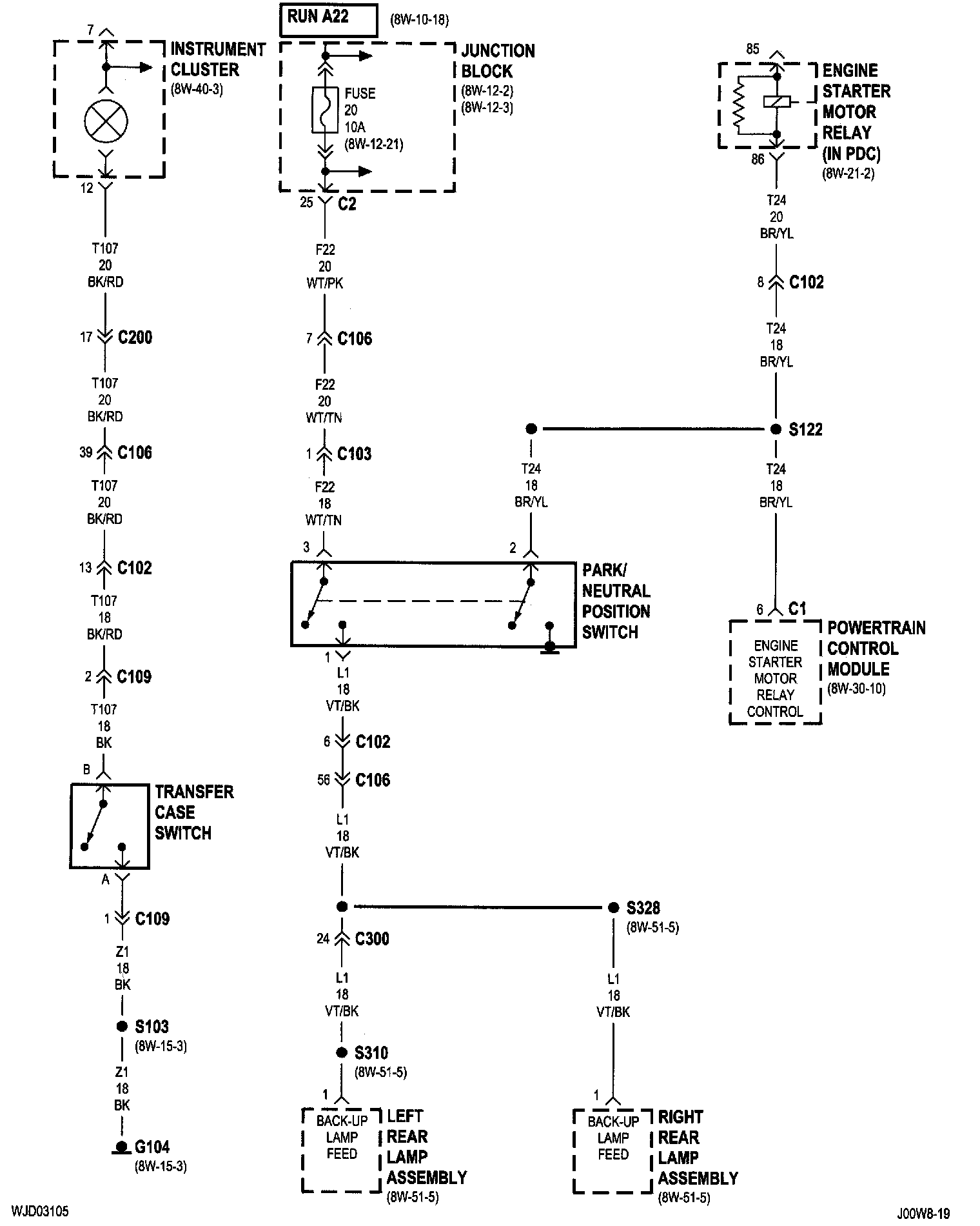
8w-31-5:




Engine Starter Motor Relay
Fuse 20 (JB)
G104
Instrument Cluster
Junction Block
Left Rear Lamp Assembly
[1][2]Park/Neutral Position Switch
Powertrain Control Module
Right Rear Lamp Assembly
Transfer Case Switch


8w-31-8:




Fuse 28 (PDC)
Output Speed Sensor
Power Distribution Center
Powertrain Control Module
Transmission Control Relay
Transmission Solenoid


8w-31-9:




Data Link Connector
G200
Overdrive Switch
Powertrain Control Module
Transmission Control Module


NOTE: To view sheets referred to in these diagrams, see Complete Body and Chassis Diagrams.
Electrical Diagrams