Operation CHARM: Car repair manuals for everyone.
Manuals through 2025 now available!

Our trusted friends have launched a new website named LEMON, which has newer manuals. It also contains all the CHARM manuals.

LEMON is the spiritual successor to CHARM, I recommend you try it!

Link: lemon-manuals.la or lemon-manuals.org.ua

(Some people have issue connecting. LEMON is investigating. For now, use Firefox or change your DNS server)

Or, hide this message: temporarily or permanently

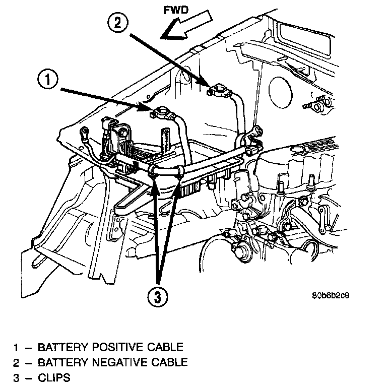
Battery Cable: Service and Repair

Both the battery negative cable and the battery positive cable are serviced in the battery wire harness. If either battery cable is damaged or faulty, the battery wire harness unit must be replaced.

REMOVAL
1. Turn the ignition switch to the Off position. Be certain that all electrical accessories are turned off.
2. Loosen the battery negative cable terminal clamp pinch-bolt hex nut.
3. Disconnect the battery negative cable terminal clamp from the battery negative terminal post. If necessary, use a battery terminal puller to remove the terminal clamp from the battery post.
4. Loosen the battery positive cable terminal clamp pinch-bolt hex nut.
5. Disconnect the battery positive cable terminal clamp from the battery positive terminal post. If necessary, use a battery terminal puller to remove the terminal clamp from the battery post.
6. Unlatch and open the cover on the Power Distribution Center (PDC).
7. Remove the two nuts that secure the battery positive cable and generator output cable eyelet terminal to the B(+) terminal studs in the PDC.
8. Remove the battery positive cable and generator output cable eyelet terminal from the B(+) terminal studs in the PDC.
9. Disconnect the battery wire harness connector from the right headlamp and dash wire harness connector located near the front of the battery.
10. Remove the screw that secures the battery negative cable eyelet terminal to the inner fender shield near the front of the battery.
11. Unlatch and remove the cover from the generator output terminal stud housing on the back of the generator.
12. Remove the nut that secures the generator output cable eyelet terminal to the generator output terminal stud.
13. Remove the generator output cable eyelet terminal from the generator output terminal stud.
14. Disconnect the battery wire harness connector from the generator field terminal connector receptacle on the back of the generator.
15. Remove the screw that secures the battery negative cable ground eyelet terminal to the right side of the engine block.
16. Remove the nut that secures the battery positive cable eyelet terminal to the B(+) terminal stud on the starter solenoid.
17. Remove the battery positive cable eyelet terminal from the B(+) terminal stud on the starter solenoid.
18. Disconnect the battery wire harness connector from the connector receptacle on the starter solenoid.
19. Remove the battery wire harness from the engine compartment.

INSTALLATION
1. Clean and inspect the battery cable terminal clamps and the battery terminal posts.

Battery Cables:




2. Position the battery wire harness into the engine compartment.
3. Reconnect the battery wire harness connector to the connector receptacle on the starter solenoid.
4. Install the battery positive cable eyelet terminal onto the B(+) terminal stud on the starter solenoid.
5. Install and tighten the nut that secures the battery positive cable eyelet terminal to the B(+) terminal stud on the starter solenoid. Tighten the nut to 11.3 Nm (100 in. lbs.).
6. Install and tighten the screw that secures the battery negative cable ground eyelet terminal to the right side of the engine block. Tighten the screw to 10.2 Nm (90 in. lbs.).
7. Reconnect the battery wire harness connector to the generator field terminal connector receptacle on the back of the generator.
8. Install the generator output cable eyelet terminal onto the generator output terminal stud.
9. Install and tighten the nut that secures the generator output cable eyelet terminal to the generator output terminal stud. Tighten the nut to 10.7 Nm (95 in. lbs.).
10. Position the cover for the generator output terminal stud housing onto the back of the generator and snap it into place.
11. Install and tighten the screw that secures the battery negative cable eyelet terminal to the inner fender shield near the front of the battery. Tighten the screw to 28.2 Nm (250 in. lbs.).
12. Reconnect the battery wire harness connector to the right headlamp and dash wire harness connector located near the front of the battery.
13. Install the battery positive cable and generator output cable eyelet terminal onto the PDC B(+) terminal studs.
14. Install and tighten the two nuts that secure the battery positive cable and generator output cable eyelet terminal to the PDC B(+) terminal studs. Tighten the nuts to 11.3 Nm (100 in. lbs.).
15. Close and latch the PDC cover.
16. Reconnect the battery positive cable terminal clamp to the battery positive terminal post. Tighten the terminal clamp pinch-bolt hex nut to 6.8 Nm (60 in. lbs.).
17. Reconnect the battery negative cable terminal clamp to the battery negative terminal post. Tighten the terminal clamp pinch-bolt hex nut to 6.8 Nm (60 in. lbs.).
18. Apply a thin coating of petroleum jelly or chassis grease to the exposed surfaces of the battery cable terminal clamps and the battery terminal posts.