Operation CHARM: Car repair manuals for everyone.
Manuals through 2025 now available!

Our trusted friends have launched a new website named LEMON, which has newer manuals. It also contains all the CHARM manuals.

LEMON is the spiritual successor to CHARM, I recommend you try it!

Link: lemon-manuals.la or lemon-manuals.org.ua

(Some people have issue connecting. LEMON is investigating. For now, use Firefox or change your DNS server)

Or, hide this message: temporarily or permanently

Alternator: Service and Repair

REMOVAL

WARNING: DISCONNECT NEGATIVE CABLE FROM BATTERY BEFORE REMOVING BATTERY OUTPUT WIRE (B+ WIRE) FROM GENERATOR. FAILURE TO DO SO CAN RESULT IN INJURY OR DAMAGE TO ELECTRICAL SYSTEM.

1. Disconnect negative battery cable at battery.
2. Remove generator drive belt.

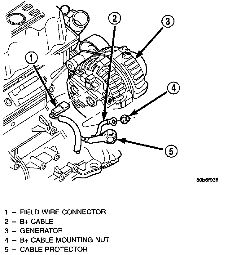
Generator B+ Cable And Field Wire Connections:




3. Unsnap cable protector cover from B+ mounting stud.
4. Disconnect (unsnap) 2-wire field connector at rear of generator.

Remove/Install Generator:




5. Remove generator mounting bolts.
6. Remove generator from vehicle.

INSTALLATION
1. Position generator to engine and install mounting bolts.
2. Tighten generator mounting bolts as follows:
- Generator mounting bolts 56 Nm (41 ft. lbs.)
- B+ terminal nut 11 Nm (95 in. lbs.)
3. Snap 2-wire field connector into rear of generator.
4. Snap cable protector cover to B+ mounting stud

CAUTION:
- Never force a belt over a pulley rim using a screwdriver. The synthetic fiber of the belt can be damaged.
- When installing a serpentine accessory drive belt, the belt MUST be routed correctly. The water pump will be rotating in the wrong direction if the belt is installed incorrectly, causing the engine to overheat.

5. Install generator drive belt.
6. Install negative battery cable to battery.