Operation CHARM: Car repair manuals for everyone.
Manuals through 2025 now available!

Our trusted friends have launched a new website named LEMON, which has newer manuals. It also contains all the CHARM manuals.

LEMON is the spiritual successor to CHARM, I recommend you try it!

Link: lemon-manuals.la or lemon-manuals.org.ua

(Some people have issue connecting. LEMON is investigating. For now, use Firefox or change your DNS server)

Or, hide this message: temporarily or permanently

Fuse Block

8w-11-4:




A/C-Heater Control
Brake Lamp Switch
Front Fog Lamp Switch
Fuse 1 (FB)
Fuse 2 (FB)
Fuse 3 (FB)
Fuse Block
Headlamp Switch
Instrument Cluster
PRNDL Lamp
Radio
Rear Window Defogger Switch
Rear Wiper/Washer Switch
Sentry Key Immobi11zer Module
S206


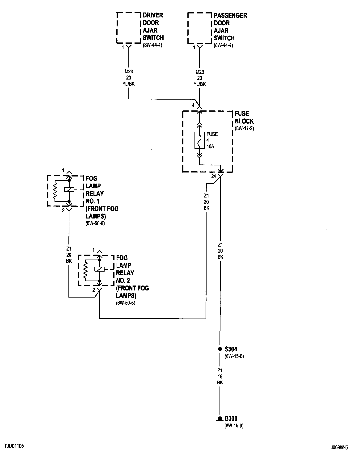
8w-11-5:




Driver Door Ajar Switch
Fog Lamp Relay No.1
Fog Lamp Relay No.2
Fuse 4 (FB)
Fuse Block
G300
Passenger Door Ajar Switch


8w-11-6:




Airbag Control Module
Fuse 5 (FB)
Fuse 6 (FB)
Fuse Block
Rear Wiper Motor
Rear Wiper/Washer Switch
S401


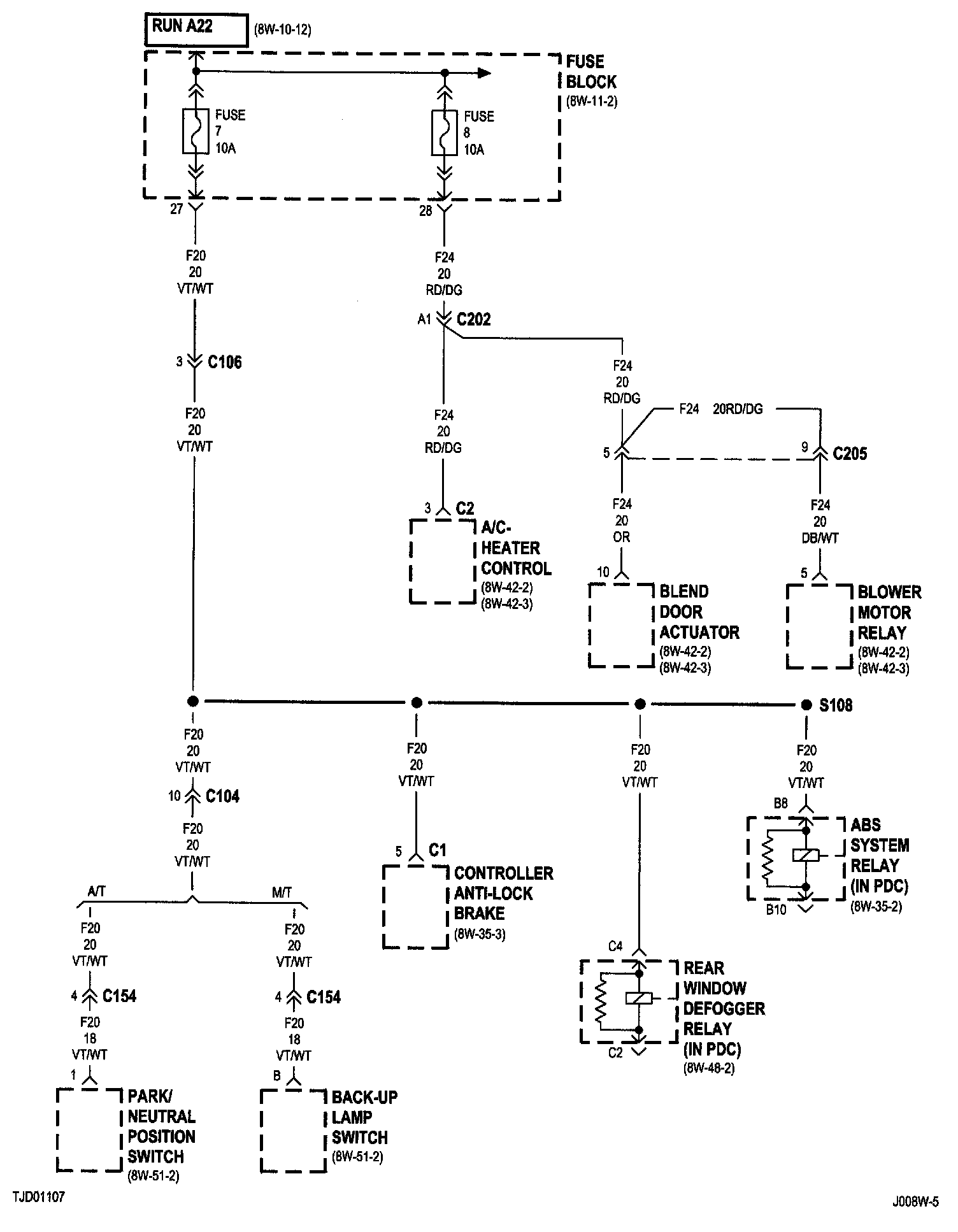
8w-11-7:




A/C- Heater Control
ABS System Relay
Back-Up Lamp Switch
Blend Door Actuator
Blower Motor Relay
Fuse 7 (FB)
Fuse 8 (FB)
Fuse Block
Park/Neutral Position Switch
Rear Window Defogger Relay
S108


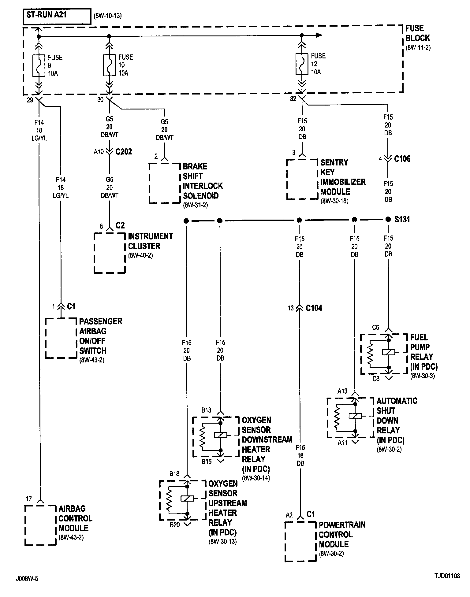
8w-11-8:




Airbag Control Module
Automatic Shut Down Relay
Brake Shift Interlock Solenoid
Fuel Pump Relay
Fuse 9 (FB)
Fuse 10 (FB)
Fuse 12 (FB)
Fuse Block
Instrument Cluster
Heater Relay
Oxygen Sensor Upstream Heater Relay
Passenger Airbag On/Off Switch
Powertrain Control Module
Sentry Key Immobi11zer Module
S131


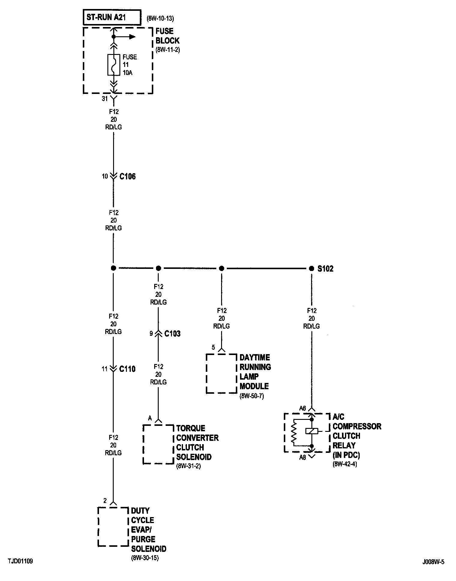
8w-11-9:




A/C Compressor Clutch Relay
Daytime Running Lamp Module
Duty Cycle Evap/Purge Solenoid
Fuse 11 (FB)
Fuse Block
Torque Converter Clutch Solenoid
S102


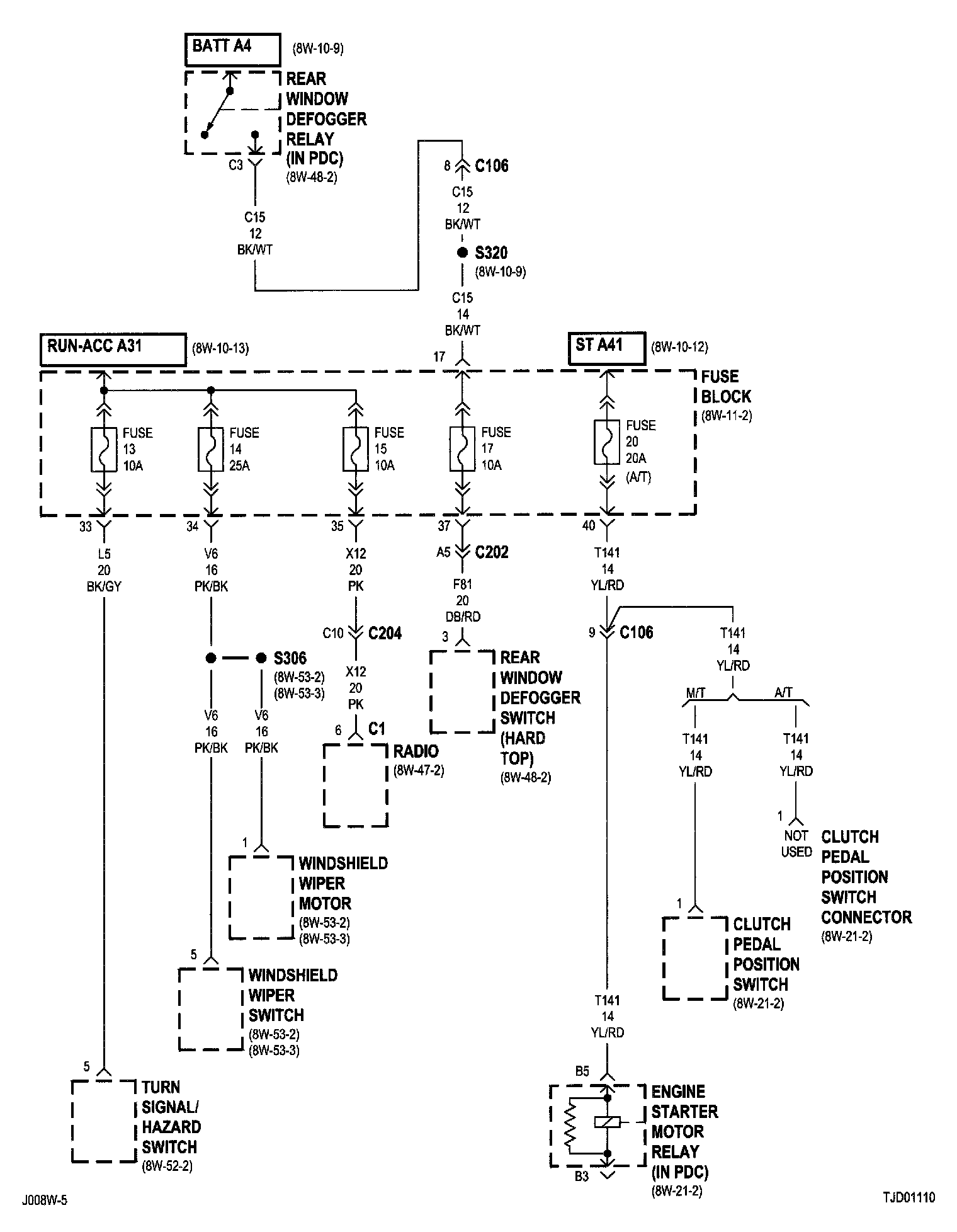
8w-11-10:




Clutch Pedal Position Switch
Clutch Pedal Position Switch Connector
Engine Starter Motor Relay
Fuse 13 (FB)
Fuse 14 (FB)
Fuse 15 (FB)
Fuse 17 (FB)
Fuse 20 (FB)
Fuse Block
Radio
Rear Window Defogger Relay
Rear Window Defogger Switch
Turn Signal/Hazard Switch
Windshield Wiper Motor
Windshield Wiper Switch


8w-11-11:




Cigar Lighter/Accessory Relay
Cigar Lighter/Power Outlet
Fuse 16 (FB)
Fuse 18 (FB)
Fuse 19 (FB)
Fuse Block


NOTE: To view sheets referred to in these diagrams, see Complete Body and Chassis Diagrams
Electrical Diagrams