Operation CHARM: Car repair manuals for everyone.
Manuals through 2025 now available!

Our trusted friends have launched a new website named LEMON, which has newer manuals. It also contains all the CHARM manuals.

LEMON is the spiritual successor to CHARM, I recommend you try it!

Link: lemon-manuals.la or lemon-manuals.org.ua

(Some people have issue connecting. LEMON is investigating. For now, use Firefox or change your DNS server)

Or, hide this message: temporarily or permanently

Power Distribution

8w-10-7:




Battery
Fuse 1 (PDC)
Fuse 2 (PDC)
Fuse 3 (PDC)
Fuse 6 (PDC)
Fuse 7 (PDC)
Fuse 8 (PDC)
Fuse 9 (PDC)
Fuse10 (PDC)
Fuse 11 (PDC)
Fusible Link All
Generator
Power Distribution Center
S136


8w-10-8:




Fuse 14 (PDC)
Fuse 15 (PDC)
Fuse 16 (PDC)
Fuse 17 (PDC)
Fuse 18 (PDC)
Fuse 19 (PDC)
Fuse 21 (PDC)
Fuse 23 (PDC)
Fuse 25 (PDC)
Fuse 26 (PDC)
Fuse 28 (PDC)
Power Distribution Center


8w-10-9:




Blower Motor Relay
Fuse 1 (PDC)
Fuse 2 (PDC)
Fuse 17 (FB)
Fuse Block
Power Distribution Center
Rear Window Defogger
Rear Window Defogger Relay
S320


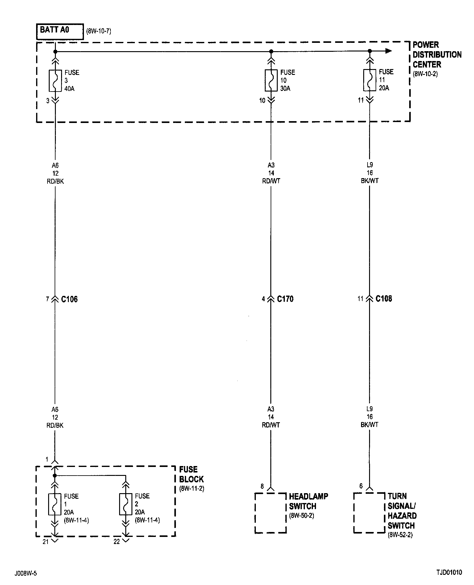
8w-10-10:




Fuse 1 (FB)
Fuse 2 (FB)
Fuse 3 (PDC)
Fuse 10 (PDC)
Fuse 11 (PDC)
Fuse Block
Headlamp Switch
Power Distribution Center
Turn Signal/Hazard Switch


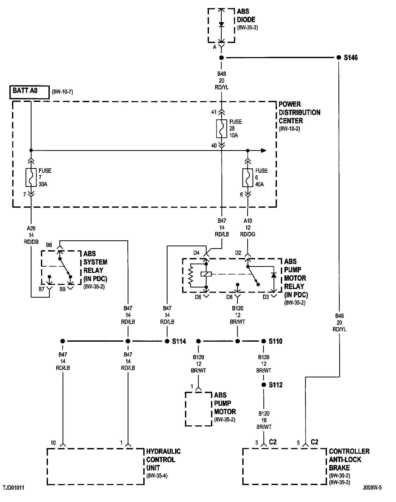
8w-10-11:




ABS Diode
ABS Pump Motor
ABS Pump Motor Relay
ABS System Relay
Controller Anti-Lock Brake
Fuse 6 (PDC)
Fuse 7 (PDC)
Fuse 28 (PDC)
Hydraulic Control Unit
Power Distribution Center
S146


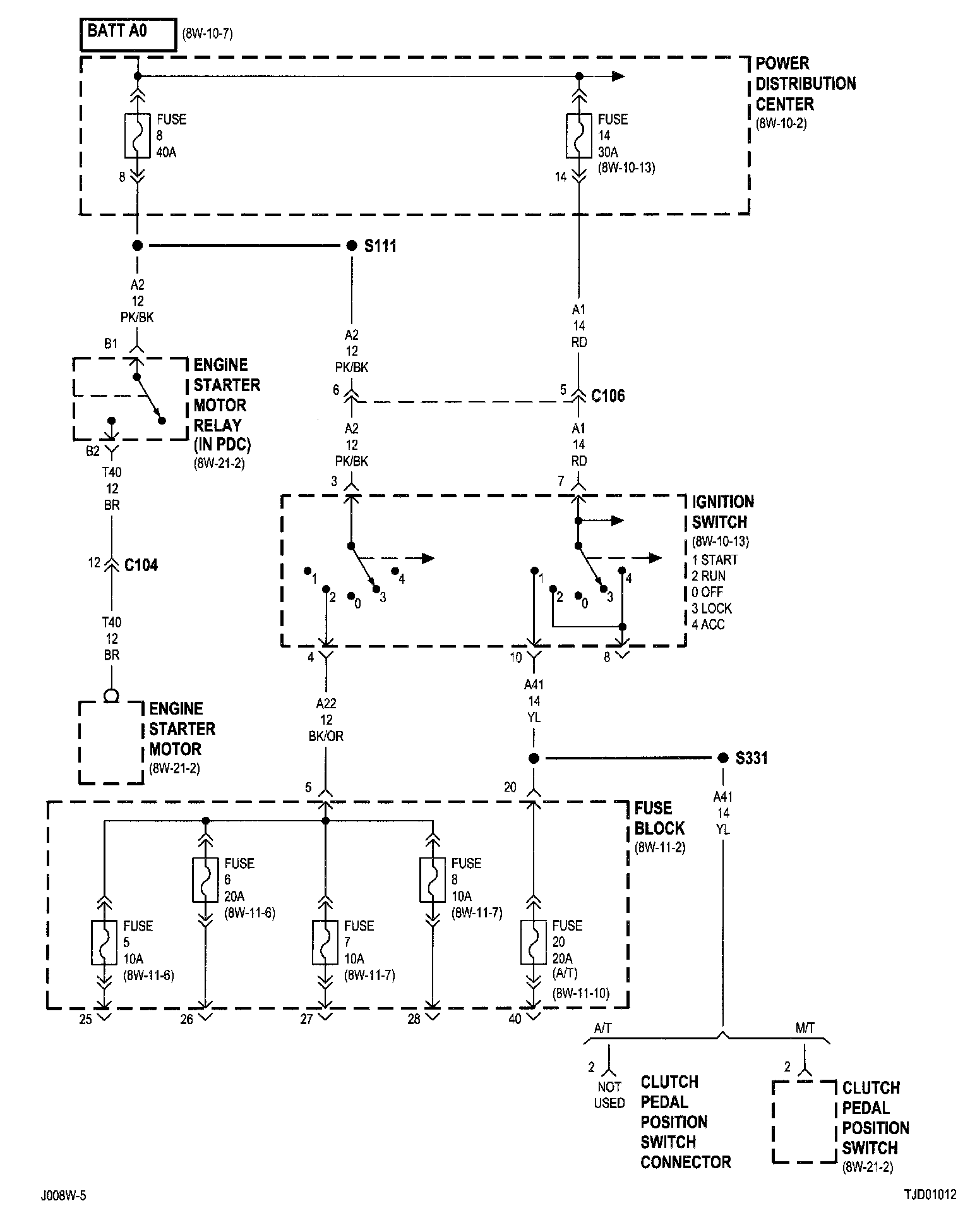
8w-10-12:




Clutch Pedal Position Switch
Engine Starter Motor Relay
Fuse 5 (FB)
Fuse 6 (FB)
Fuse 7 (FB)
Fuse 8 (FB)
Fuse 8 (PDC)
Fuse 14 (PDC)
Fuse 20 (FB)
Fuse Block
Ignition Switch
S111
S331


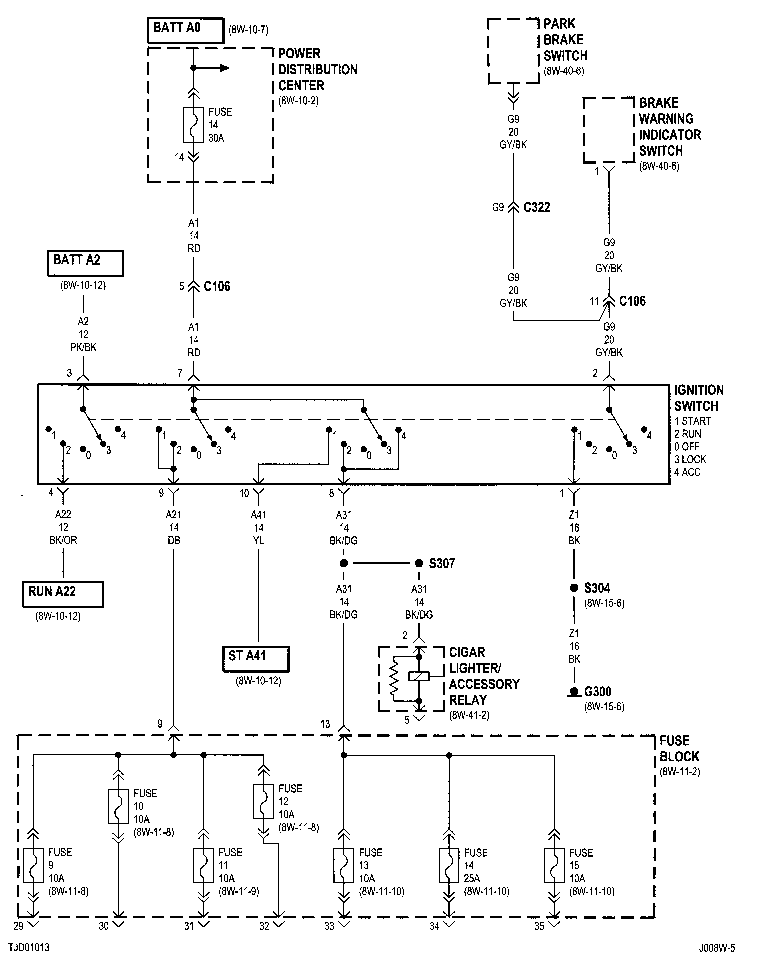
8w-10-13:




Brake Warning Indicator Switch
Cigar Lighter/Accessory Relay
Fuse 9 (FB)
Fuse10 (FB)
Fuse 11 (FB)
Fuse 12 (FB)
Fuse 13 (FB)
Fuse 14 (FB)
Fuse 14 (PDC)
Fuse 15 (FB)
Fuse Block
G300
Ignition Switch
Park Brake Switch
S307


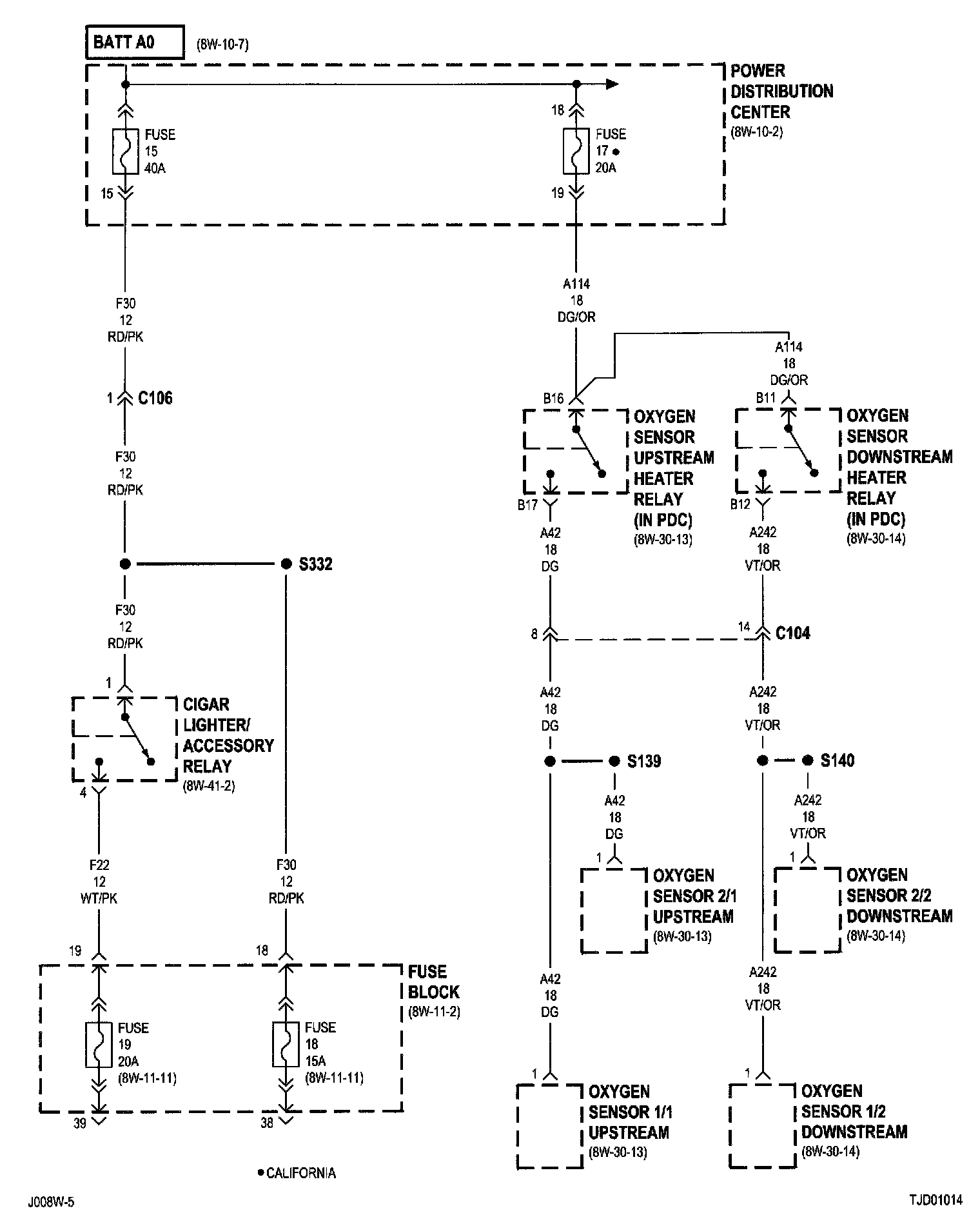
8w-10-14:




Cigar Lighter/Accessory Relay
Fuse 15 (PDC)
Fuse 15 (PDC)
Fuse 17 (PDC)
Fuse 18 (FB)
Fuse 19 (FB)
Fuse Block
Oxygen Sensor 1/1 Upstream
Oxygen Sensor 1/2 Downstream
Oxygen Sensor 2/1 Upstream
Oxygen Sensor 2/2 Downstream
Relay
Oxygen Sensor Upstream Heater Relay
S139
S140
S332


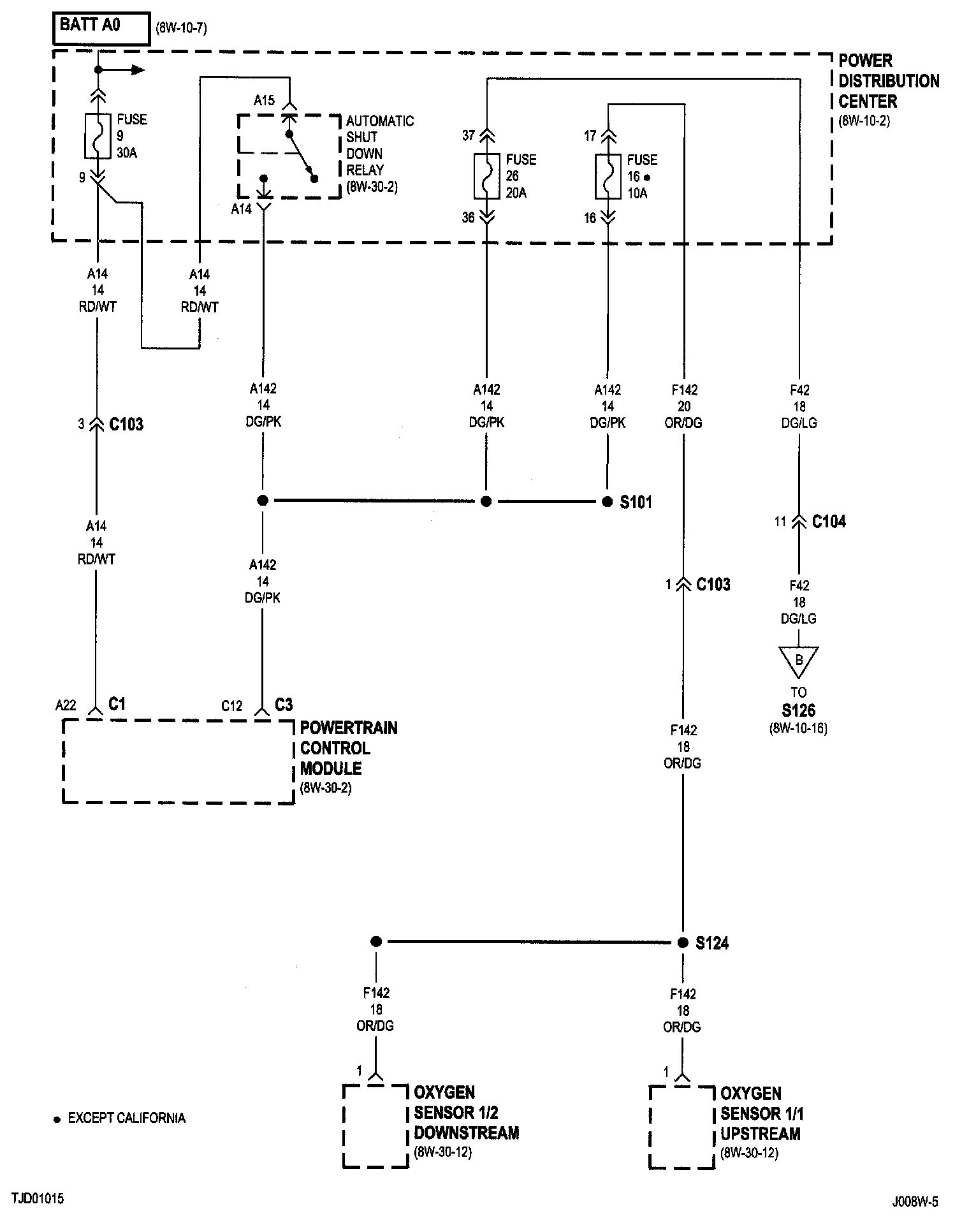
8w-10-15:




Automatic Shut Down Relay
Fuse 9 (PDC)
Fuse 16 (PDC)
Fuse 26 (PDC)
Oxygen Sensor 1/1 Upstream
Oxygen Sensor 1/2 Downstream
Powertrain Control Module
S101


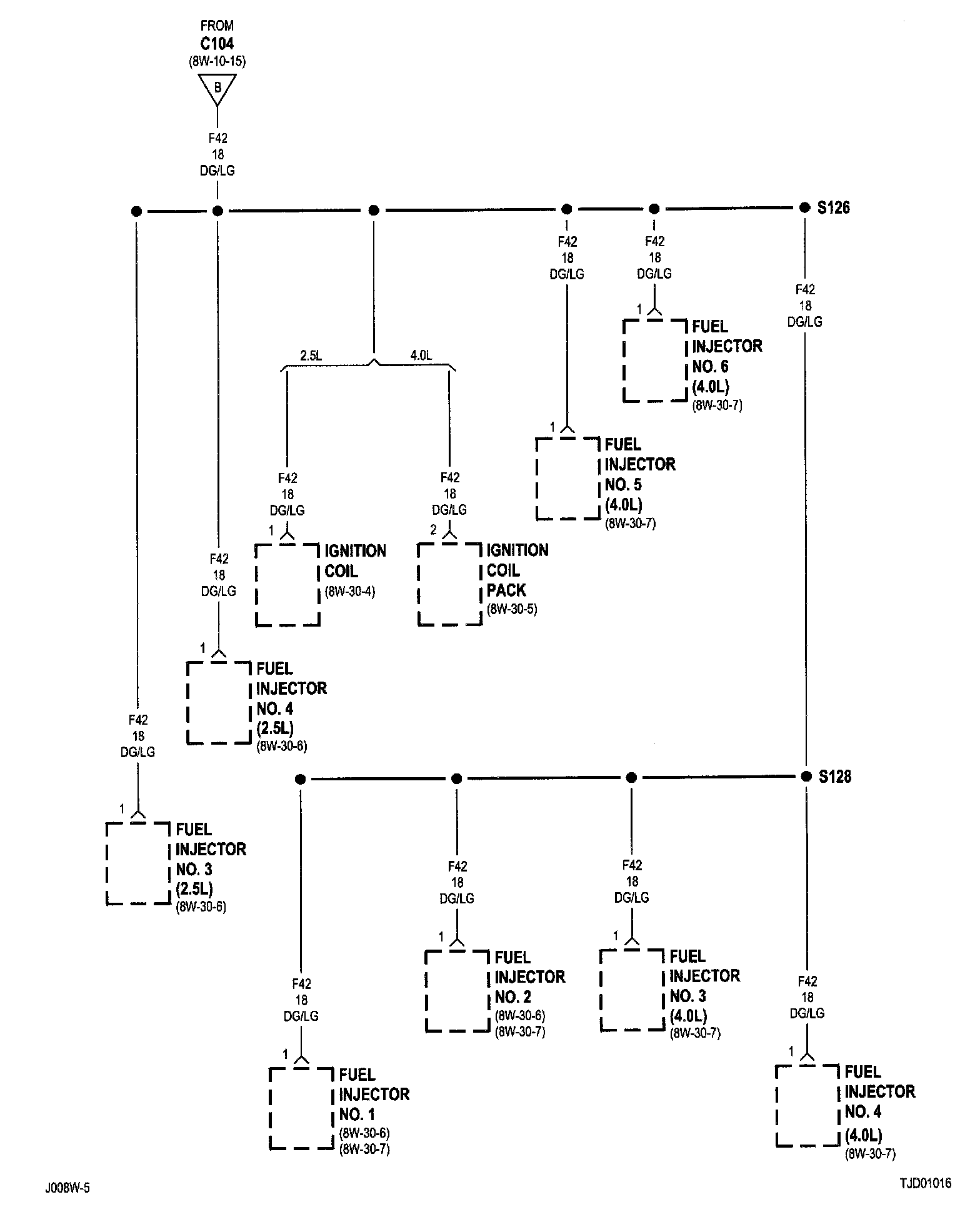
8w-10-16:




Fuel Injector No.1
Fuel Injector No.2
Fuel Injector No.3
Fuel Injector No.4
Fuel Injector No.5
Fuel Injector No.6
Ignition Co11
Ignition Co11 Pack
S126
S128


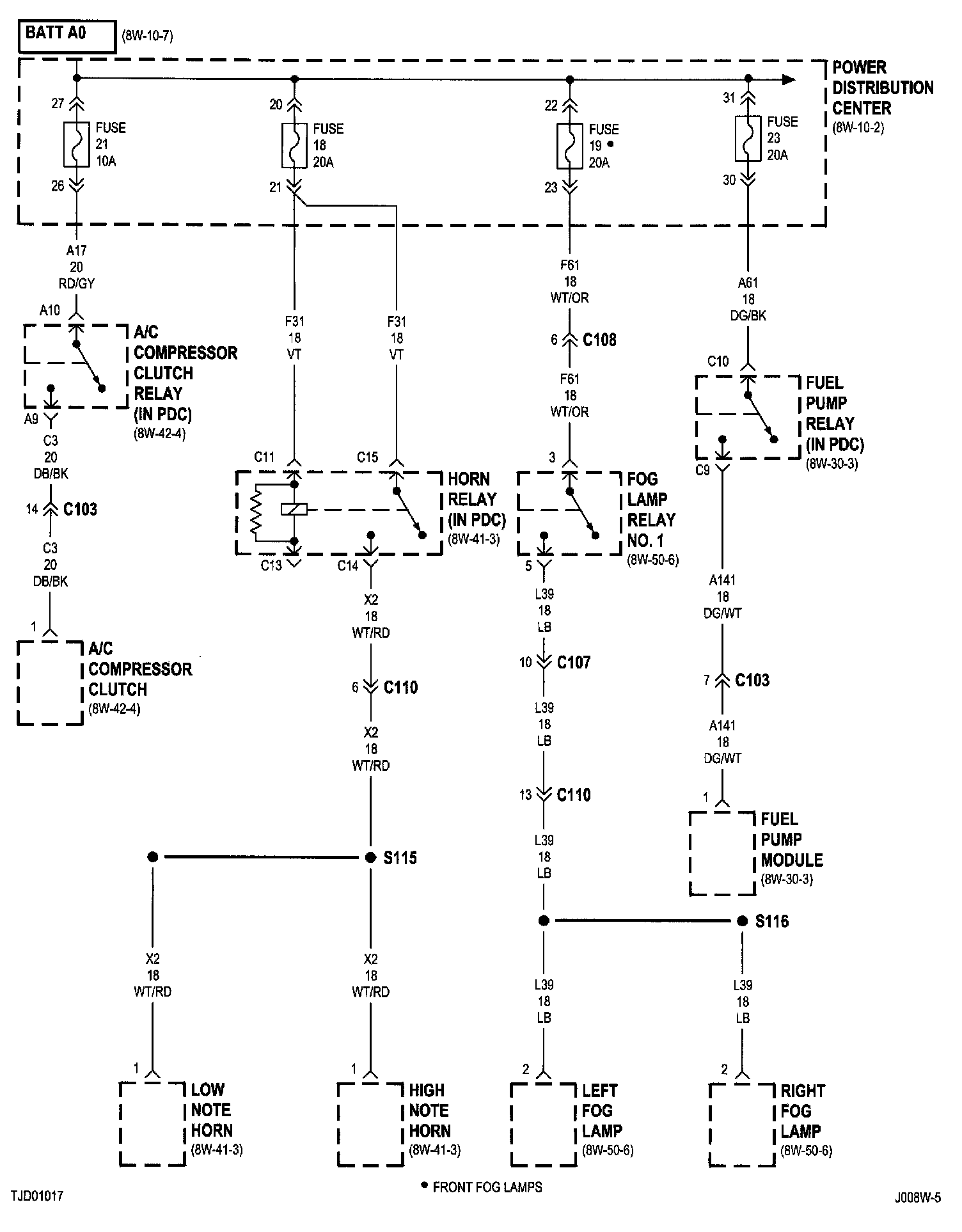
8w-10-17:




A/C Compressor Clutch
A/C Compressor Clutch Relay
Fog Lamp Relay No.1
Fuel Pump Module
Fuel Pump Relay
Fuse 18 (PDC)
Fuse 19 (PDC)
Fuse 21 (PDC)
Fuse 23 (PDC)
High Note Horn
Horn Relay
Left Fog Lamp
Low Note Horn
Right Fog Lamp
S115
S116


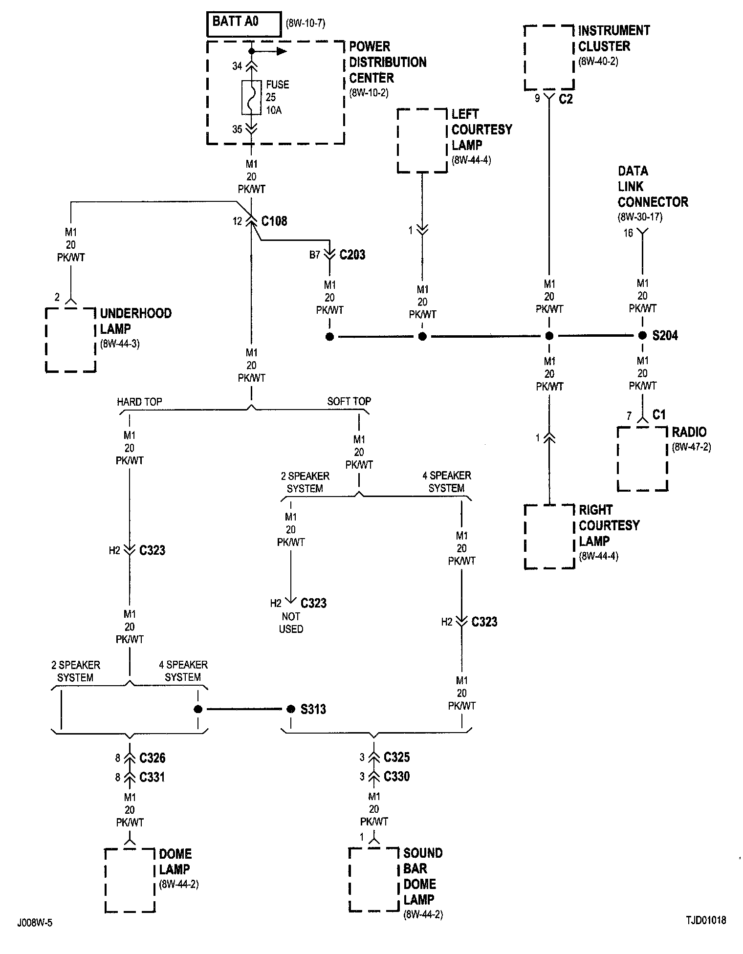
8w-10-18:




Data Link Connector
Dome Lamp
Fuse 25 (PDC)
Instrument Cluster
Left Courtesy Lamp
Radio
Right Courtesy Lamp
Sound Bar Dome Lamp
Underhood Lamp
S204
S313

NOTE: To view sheets referred to in these diagrams, see Complete Body and Chassis Diagrams
Electrical Diagrams