Operation CHARM: Car repair manuals for everyone.
Manuals through 2025 now available!

Our trusted friends have launched a new website named LEMON, which has newer manuals. It also contains all the CHARM manuals.

LEMON is the spiritual successor to CHARM, I recommend you try it!

Link: lemon-manuals.la or lemon-manuals.org.ua

(Some people have issue connecting. LEMON is investigating. For now, use Firefox or change your DNS server)

Or, hide this message: temporarily or permanently

System Diagrams

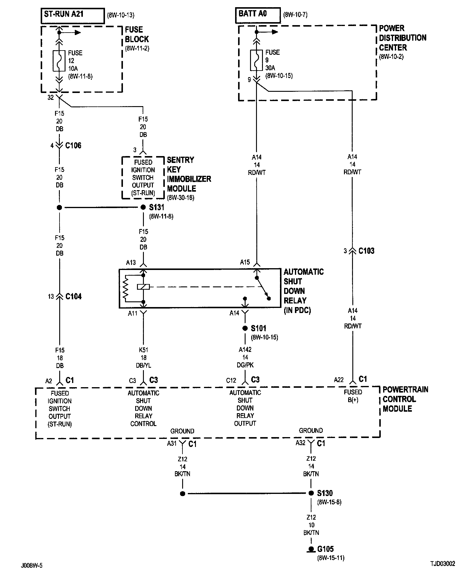
8w-30-2:




Automatic Shut Down Relay
Fuse 9 (PDC)
Fuse 12 (FB)
Fuse Block
G105
Power Distribution Center
Powertrain Control Module
Sentry Key Immobilizer Module


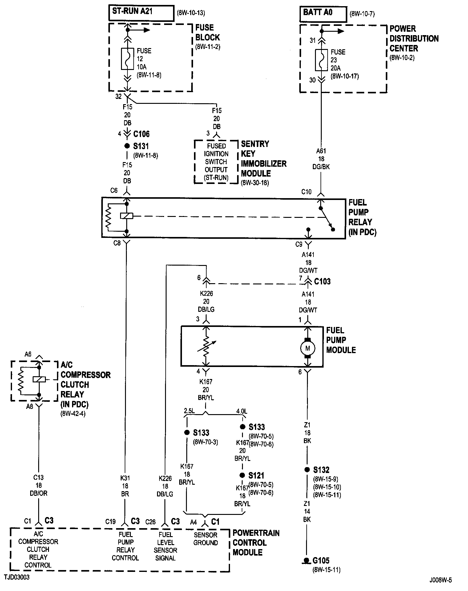
8w-30-3:




A/C Compressor Clutch Relay
Fuel Pump Module
Fuel Pump Relay
Fuse 12 (FB)
Fuse Block
G105
Power Distribution Center
Powertrain Control Module
Sentry Key Immobilizer Module


8w-30-4:




Automatic Shut Down Relay
Camshaft Position Sensor
Crankshaft Position Sensor
Fuse 26 (PDC)
Ignition Coil
Power Distribution Center
Powertrain Control Module


8w-30-6:




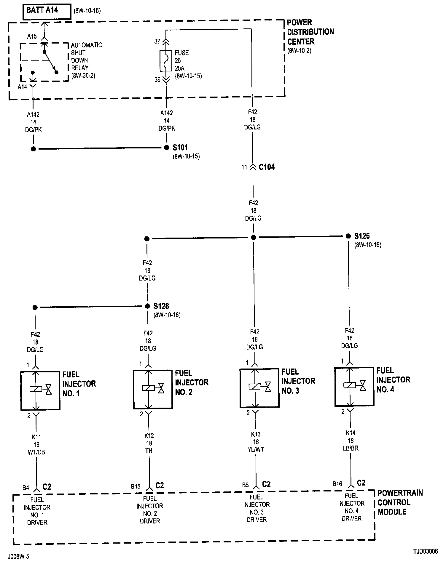
Automatic Shut Down Relay
Fuel Injector No.1
Fuel Injector No.2
Fuel Injector No.3
Fuel Injector No.4
Fuse 26 (PDC)
Power Distribution Center
Powertrain Control Module


8w-30-8:




Engine Coolant Temperature Sensor
Engine Oil Pressure Sensor
Intake Air Temperature Sensor
Manifold Absolute Pressure Sensor
Powertrain Control Module


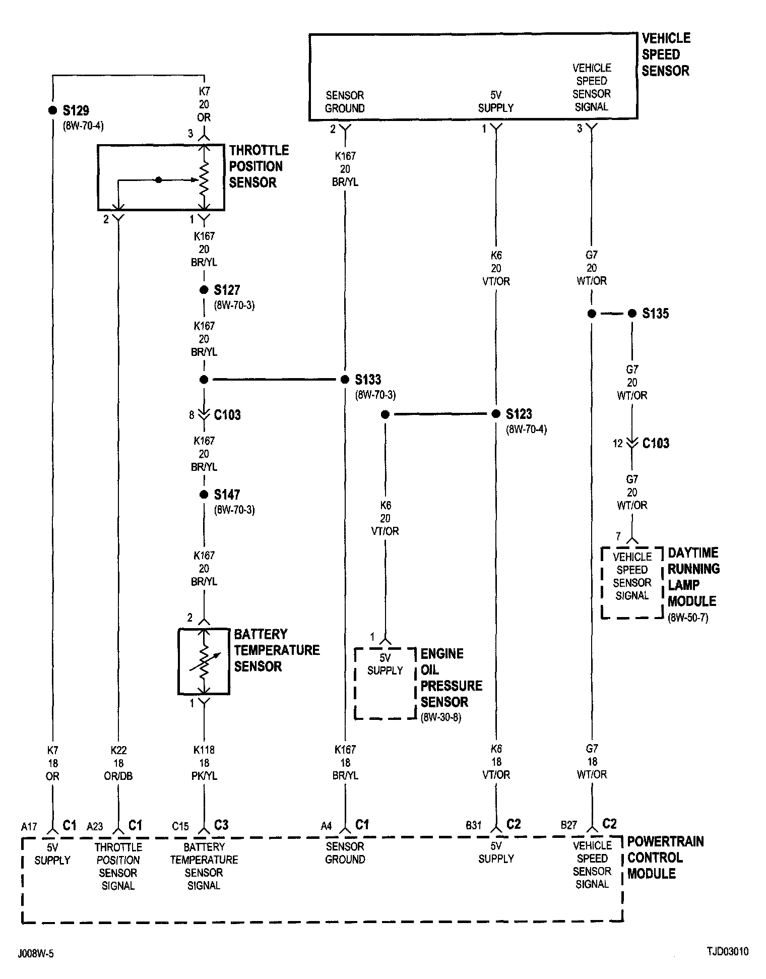
8w-30-10:




Battery Temperature Sensor
Daytime Running Lamp Module
Engine Oil Pressure Sensor
Powertrain Control Module
Throttle Position Sensor
Vehicle Speed Sensor
S135


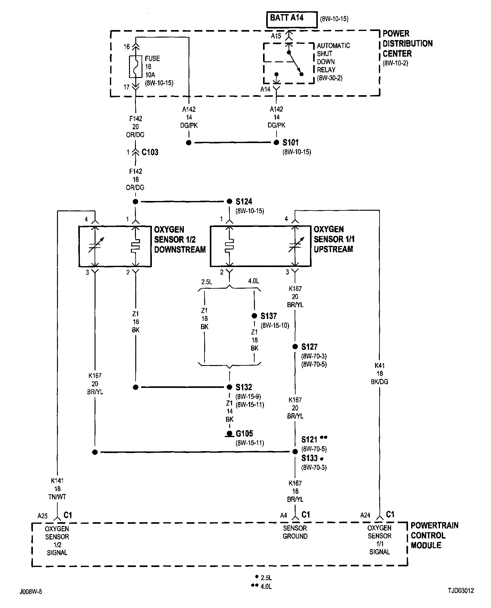
8w-30-12 (Except California):




Automatic Shut Down Relay
Fuse 16 (PDC)
G105
Oxygen Sensor 1/2 Downstream
Power Distribution Center
Powertrain Control Module


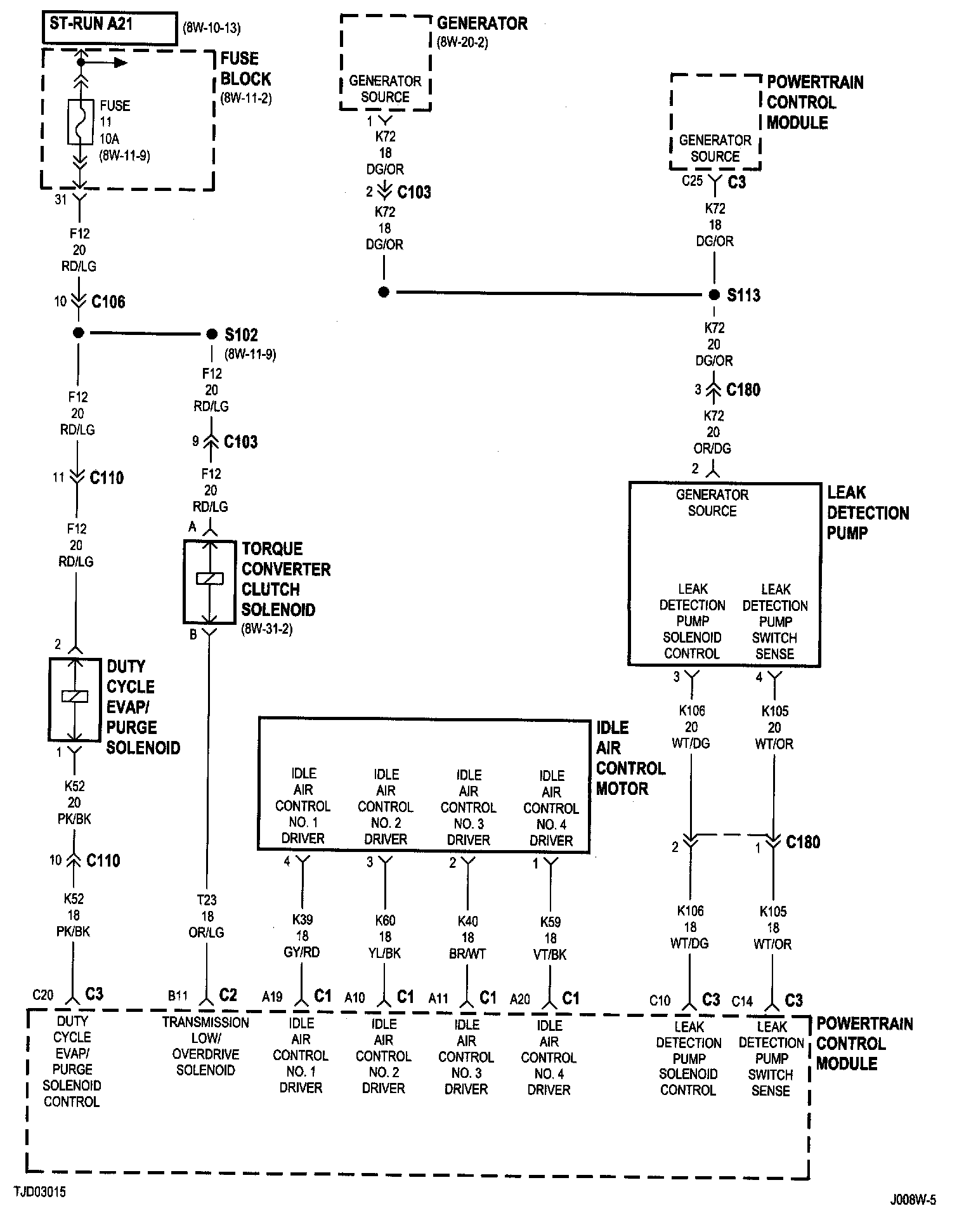
8w-30-15:




Duty Cycle Evap/Purge Solenoid
Fuse 11 (FB)
Fuse Block
Generator
[1][2]Idle Air Control Motor
Leak Detection Pump
Powertrain Control Module
Torque Converter Clutch Solenoid
S113


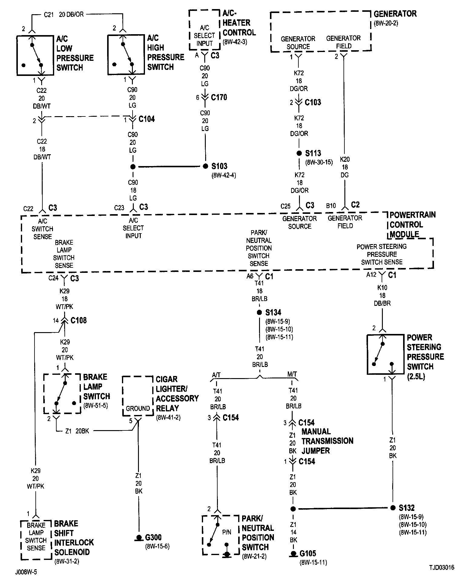
8w-30-16:




A/C High Pressure Switch
A/C Low Pressure Switch
A/C- Heater Control
Brake Lamp Switch
Cigar Lighter/Accessory Relay
G105
G300
Generator
Powertrain Control Module


8w-30-17:




Data Link Connector
Dome Lamp
Fuse 25 (PDC)
G105
Powertrain Control Module
Sentry Key Immobilizer Module
Sound Bar Dome Lamp
Underhood Lamp


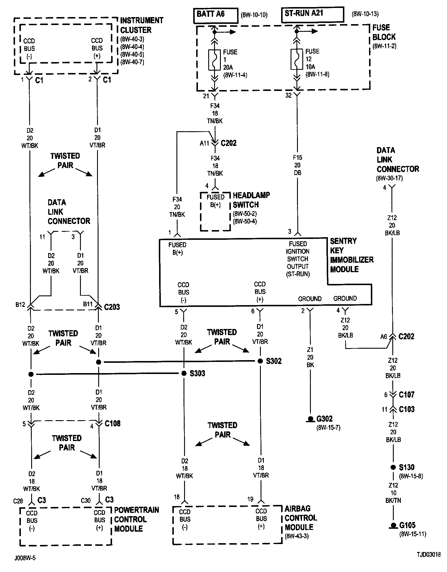
8w-30-18:




Airbag Control Module
Data Link Connector
Fuse 1 (FB)
Fuse 12 (FB)
Fuse Block
G105
G302
Instrument Cluster
Powertrain Control Module
Sentry Key Immobilizer Module
S302
S303


8w-30-19:




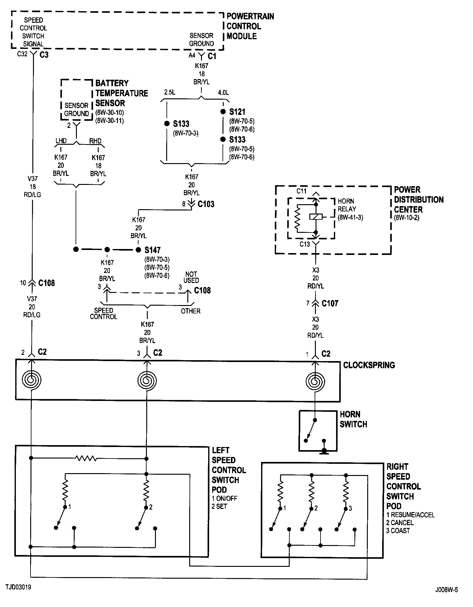
Battery Temperature Sensor
Clockspring
Horn Relay
Horn Switch
Powertrain Control Module
Right Speed Control Switch Pod


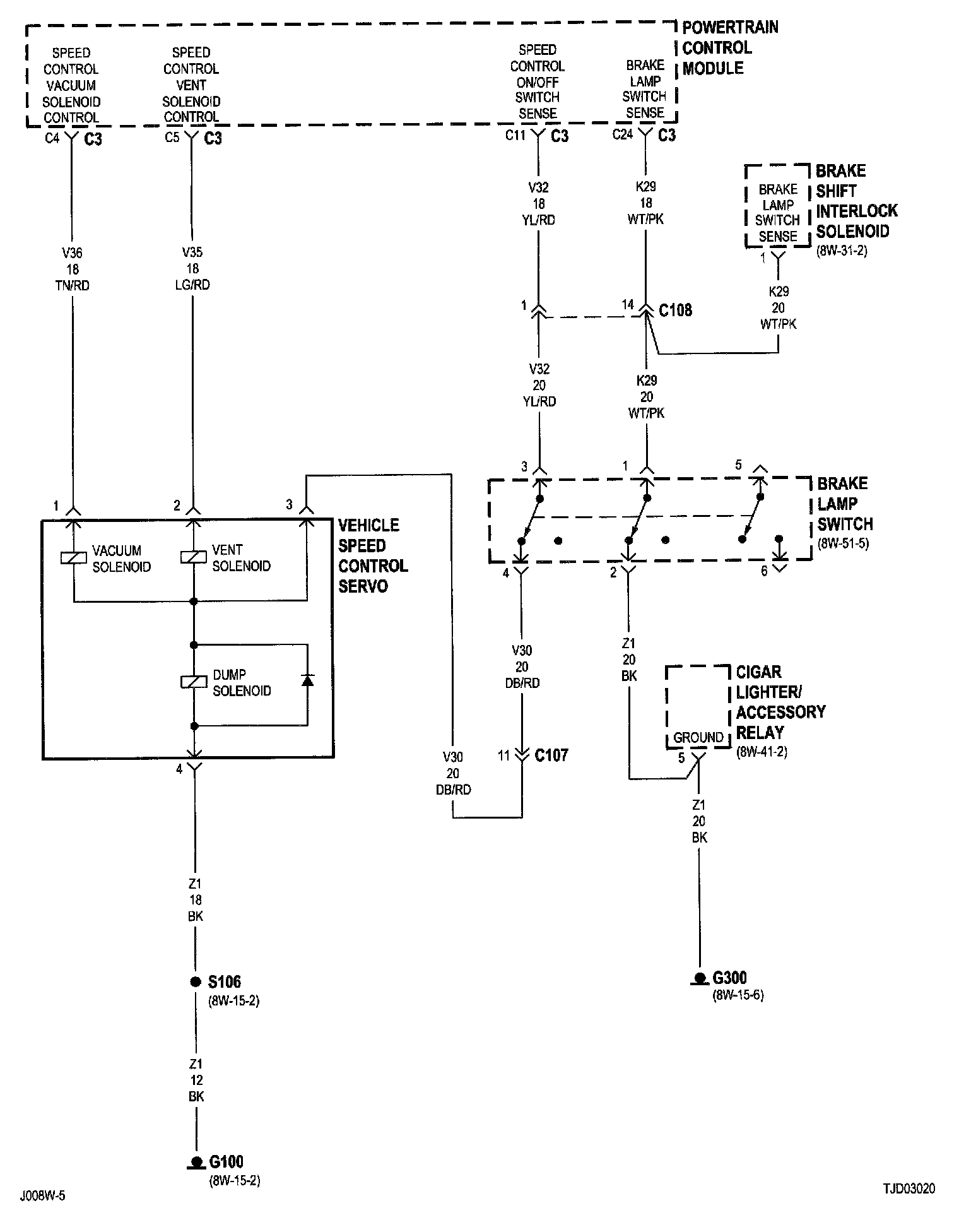
8w-30-20:




Brake Lamp Switch
Brake Shift Interlock Solenoid
Cigar Lighter/Accessory Relay
G100
G300
Powertrain Control Module
Vehicle Speed Control Servo


NOTE: To view sheets referred to in these diagrams, see Complete Body and Chassis Diagrams
Electrical Diagrams