Operation CHARM: Car repair manuals for everyone.
Manuals through 2025 now available!

Our trusted friends have launched a new website named LEMON, which has newer manuals. It also contains all the CHARM manuals.

LEMON is the spiritual successor to CHARM, I recommend you try it!

Link: lemon-manuals.la or lemon-manuals.org.ua

(Some people have issue connecting. LEMON is investigating. For now, use Firefox or change your DNS server)

Or, hide this message: temporarily or permanently

Ground Distribution

8w-15-2:




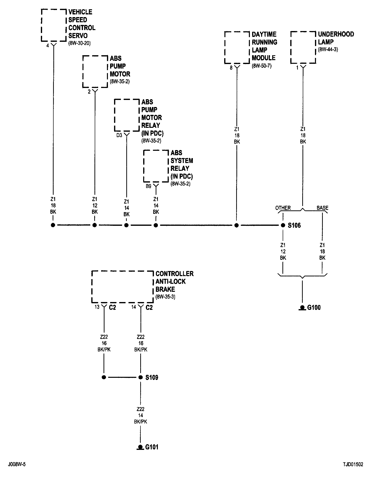
ABS Pump Motor
ABS Pump Motor Relay
ABS 5ystem Relay
Daytime Running Lamp Module
G100
G101
Underhood Lamp
Vehicle 5peed Control 5ervo
S106
S109


8w-15-3:




G102
High Note Horn
Left Fog Lamp
Left Front Park/Turn 5ignal Lamp
Left Headlamp
Low Note Horn
Windshield Washer Pump
S117
S122


8w-15-4:




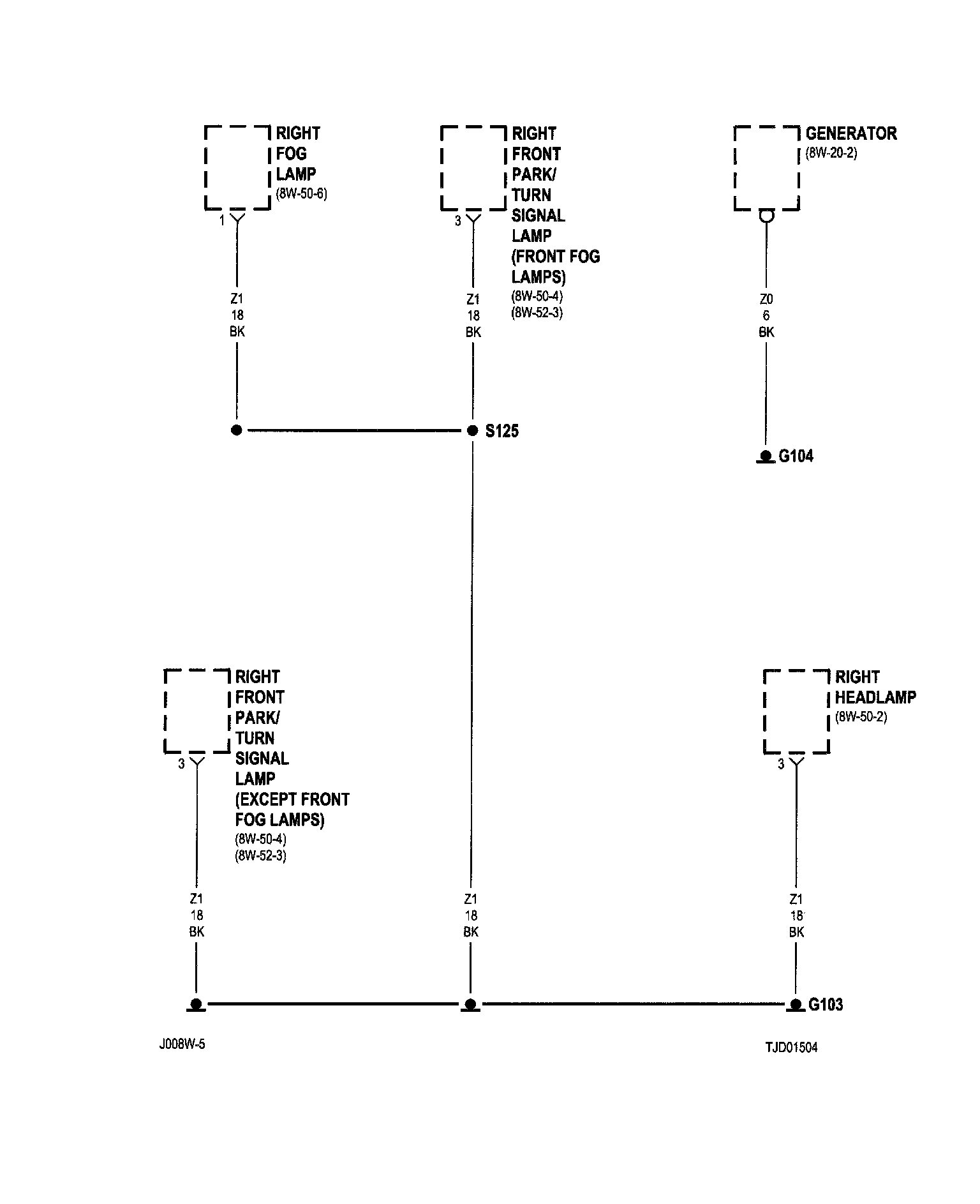
G103
G104
Generator
Right Fog Lamp
Right Front Park/Turn 5ignal Lamp
Right Headlamp


8w-15-5:




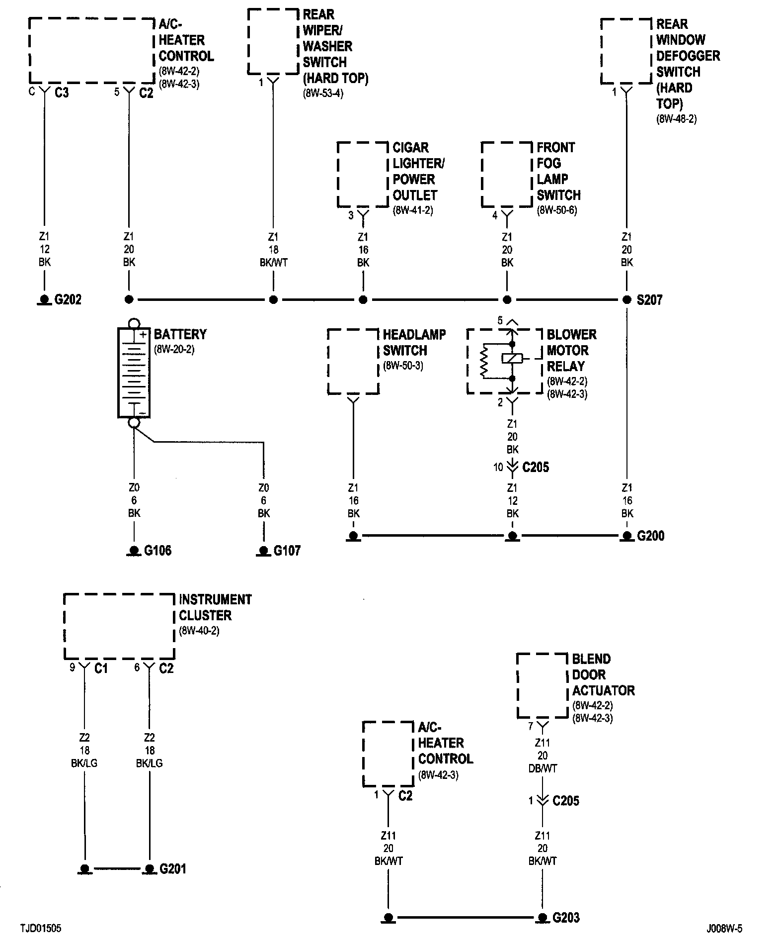
A/C - Heater Control
Battery
Blend Door Actuator
Blower Motor Relay
Cigar Lighter/Power Outlet
Front Fog Lamp Switch
G106
G107
G200
G201
G202
G203
Headlamp Switch
Instrument Cluster
Rear Window Defogger Switch
Rear Wiper/Washer Switch
S207


8w-15-6:




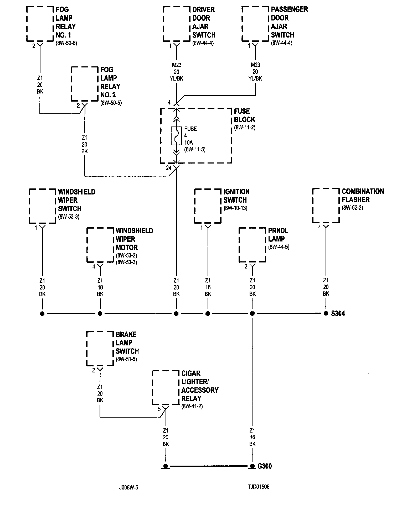
Brake Lamp Switch
Cigar Lighter/Accessory Relay
Combination Flasher
Driver Door Ajar Switch
Fog Lamp Relay No.1
Fog Lamp Relay No.2
Fuse 4 (FB)
Fuse Block
G300
Ignition Switch
Passenger Door Ajar Switch
PRNDL Lamp
Windshield Wiper Motor
Windshield Wiper Switch
S304


8w-15-7:




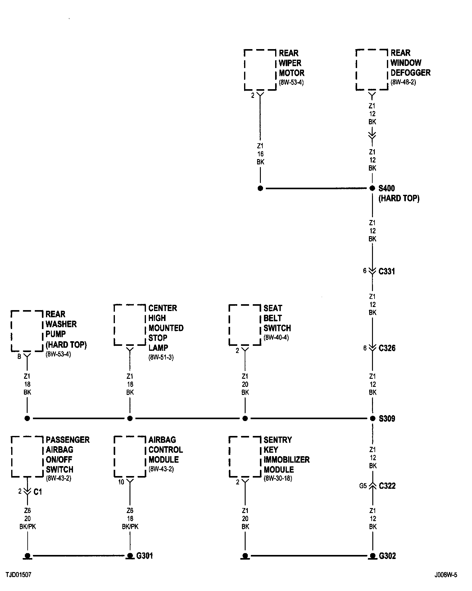
Airbag Control Module
Center High Mounted 5top Lamp
G301
G302
Passenger Airbag On/Off Switch
Rear Washer Pump
Rear Window Defogger
Rear Wiper Motor
Seat Belt Switch
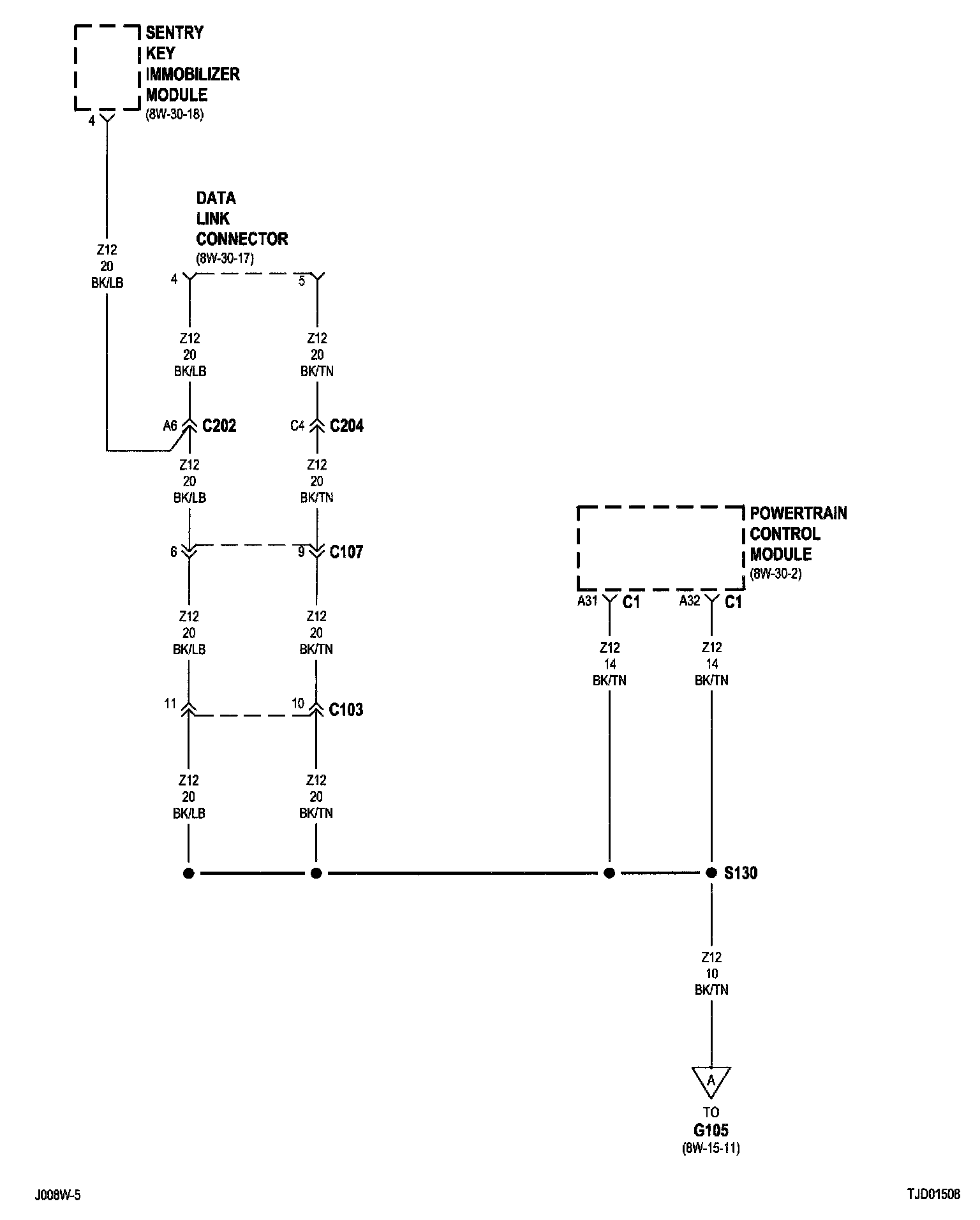
Sentry Key Immobilizer Module
S309
S400


8w-15-8:




Data Link Connector
Powertrain Control Module
5entry Key Immobilizer Module
S130


8w-15-11:




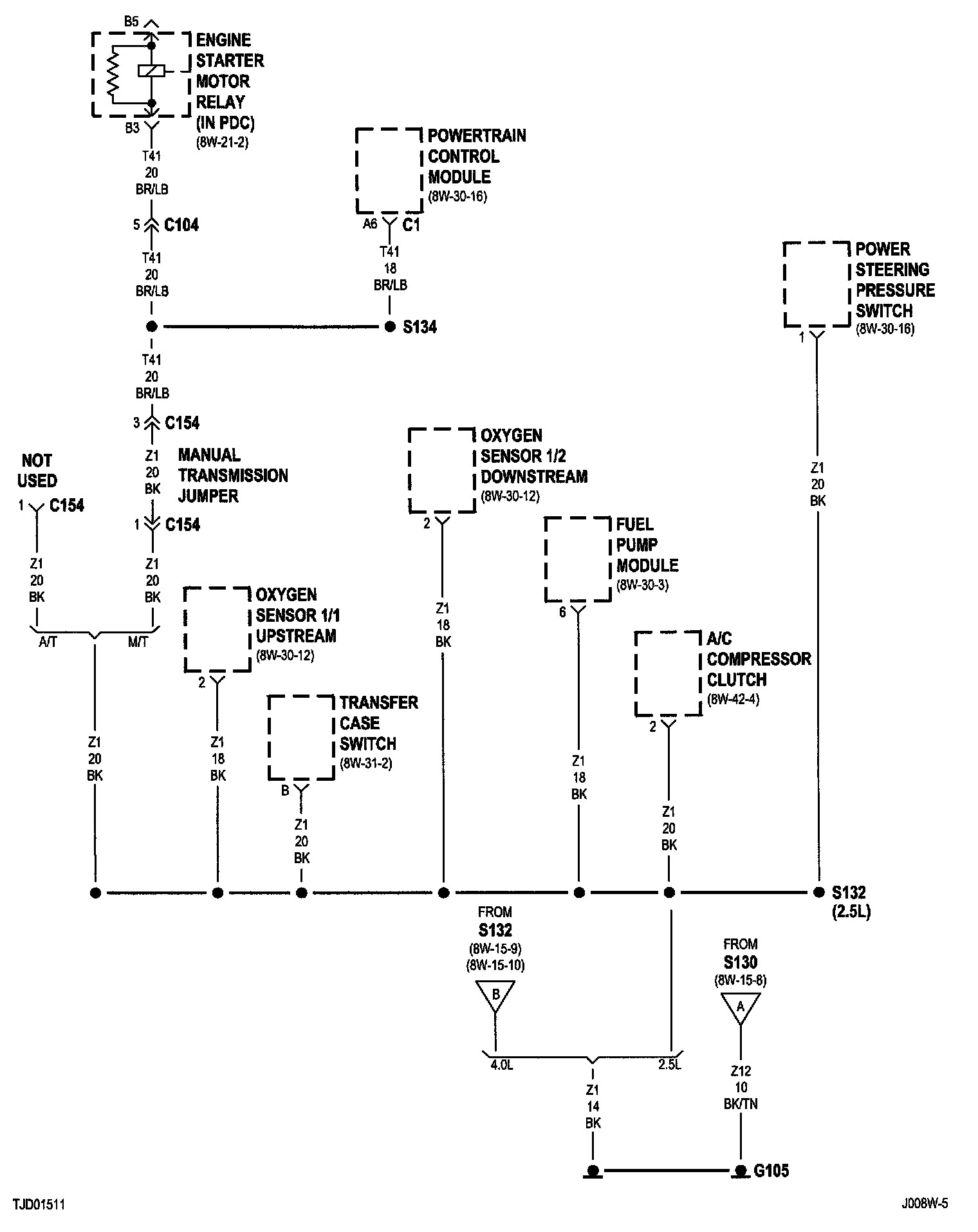
A/C Compressor Clutch
Engine 5tarter Motor Relay
Fuel Pump Module
Manual Transmission Jumper
Oxygen Sensor 1/1 Upstream
Oxygen Sensor 1/2 Downstream
Power 5teering Pressure Switch
Powertrain Control Module
Transfer Case Switch
S132
S134


NOTE: To view sheets referred to in these diagrams, see Complete Body and Chassis Diagrams
Electrical Diagrams