Operation CHARM: Car repair manuals for everyone.
Manuals through 2025 now available!

Our trusted friends have launched a new website named LEMON, which has newer manuals. It also contains all the CHARM manuals.

LEMON is the spiritual successor to CHARM, I recommend you try it!

Link: lemon-manuals.la or lemon-manuals.org.ua

(Some people have issue connecting. LEMON is investigating. For now, use Firefox or change your DNS server)

Or, hide this message: temporarily or permanently

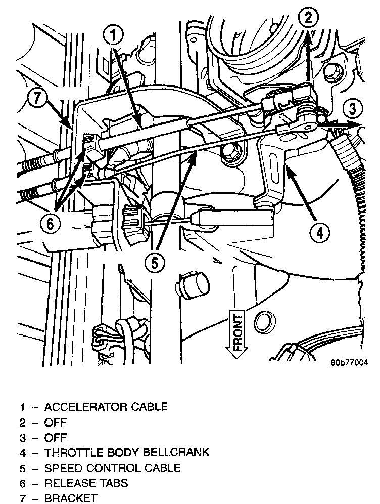
Cruise Control Servo Cable: Service and Repair

REMOVAL
1. Disconnect negative battery cable at battery.

Speed Control Servo Cable at Throttle Body:




2. Using finger pressure only, remove cable connector by pushing connector off the throttle body bellcrank pin. DO NOT try to pull cable connector off perpendicular to the bellcrank pin. Connector will be broken.
3. Two release tabs are located on sides of speed control cable at cable bracket. Squeeze tabs together and push cable out of bracket.
4. Unclip cable from cable guide at valve cover.
5. Disconnect servo cable at servo.

INSTALLATION
1. Attach end of cable to speed control servo.
2. Install cable into cable bracket (snaps in).
3. Install cable connector at throttle body bellcrank pin (snaps on).
4. Clip cable to cable guide at valve cover.
5. Connect negative battery cable to battery.
6. Before starting engine, operate accelerator pedal to check for any binding.